Найти в Дзене
Роспатент

Инновации в сфере энергосбережения: подборка Роспатента

Ко Всемирному дню энергоэффективности представляем несколько перспективных изобретений в сфере энергосбережения, которые были запатентованы за последние пять лет. В 2025 году в категории «Энергетические технологии и оборудование» в Роспатент поступила 781 заявка на изобретения. Среди них – прикладные технические решения для дома и масштабные проекты для больших электростанций. «Особенно активно развивается сегмент альтернативных источников энергии: начиная с 2020 года Роспатент зафиксировал порядка 3 тысяч изобретений и полезных моделей в области ветряных, солнечных, приливных и геотермальных электростанций. Дополнительно следует отметить, что экологические технологии становятся все более востребованными – рост заявок на изобретения по итогам 2025 года составил порядка 27%», – пояснил руководитель Роспатента Юрий Зубов. Суммируем энергию солнца и ветра для небольших хозяйств «Кубанский государственный технологический университет» и «Краснодарское высшее военное авиационное училище летч

Ко Всемирному дню энергоэффективности представляем несколько перспективных изобретений в сфере энергосбережения, которые были запатентованы за последние пять лет.

В 2025 году в категории «Энергетические технологии и оборудование» в Роспатент поступила 781 заявка на изобретения. Среди них – прикладные технические решения для дома и масштабные проекты для больших электростанций.

«Особенно активно развивается сегмент альтернативных источников энергии: начиная с 2020 года Роспатент зафиксировал порядка 3 тысяч изобретений и полезных моделей в области ветряных, солнечных, приливных и геотермальных электростанций. Дополнительно следует отметить, что экологические технологии становятся все более востребованными – рост заявок на изобретения по итогам 2025 года составил порядка 27%», – пояснил руководитель Роспатента Юрий Зубов.

Суммируем энергию солнца и ветра для небольших хозяйств

«Кубанский государственный технологический университет» и «Краснодарское высшее военное авиационное училище летчиков имени Героя Советского Союза А.К. Серова» (г. Краснодар) запатентовали генераторную установку для высокоэффективного преобразования энергии солнца и ветра в электрическую энергию постоянного тока со стабильным напряжением. За счет использования в конструкции постоянных магнитов, фотоэлектрических преобразователей, особой схемы расположения ветроколес и направляющих воздушного потока обеспечивается эффективность и надёжность работы установки в различных условиях. Система идеально подходит для дач, частных домов, ферм и других объектов, удаленных от городской местности. Устройство компактно, почти бесшумно. Устанавливается рядом с домом или хозяйством без лишних расходов на дополнительное оборудование. Позволяет получать экологически чистую энергию с небольшими расходами на обслуживание.

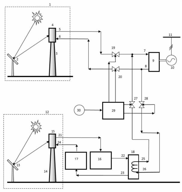
Повышаем эффективность солнечной электростанции за счет пара

«Национальный исследовательский университет «МЭИ» (ФГБОУ ВО «НИУ «МЭИ», г. Москва) разработал устройство, которое может улучшить работу солнечных электростанций. Разработчики предлагают дополнить их гелиотермальным модулем, который функционирует одновременно с основным оборудованием и накапливает тепловую энергию от солнечного излучения. Электростанция использует зеркала-гелиостаты для концентрации солнечного света и нагрева воды. Вода превращается в пар, который в паровой турбине вырабатывает электричество. Часть тепла сохраняется за счет нагрева теплоемкой среды (например, соли) в специальных резервуарах. В ночное время или в пасмурные дни система забирает накопленное тепло и снова производит пар для работы турбины. Управляется процесс автоматически с помощью датчиков и клапанов, реагирующих на изменения солнечного излучения. Внедрение устройства повышает общую производительность электростанции благодаря круглосуточной выработке электричества.

-2

Автономная ядерная энергетическая установка

Коллектив авторов из «Национального исследовательского центра «Курчатовский институт» (г. Москва) придумал атомный мини-реактор с жидким солевым топливом, который способен обеспечивать электричеством труднодоступные районы и острова Арктики.

Установка состоит из двух корпусов, пространство между которыми заполнено инертным газом для теплоизоляции. Во внутреннем корпусе находится активная зона с графитовыми блоками и каналами для жидкого топлива. Топливо циркулирует, нагреваясь в нижней части зоны и передавая тепло верхней части, где расположены термоэлектрические генераторы. В случае аварии топливо может быть слито в пространство между корпусами. Для контроля реактивности используются стержни-поглотители нейтронов. Этот реактор повышает КПД и уменьшает количество расплавленных солей по сравнению с аналогами.

-3

Атомная электростанция с керамическим реактором на быстрых нейтронах

Акционерное общество «Обнинское научно-производственное предприятие «Технология» им. А.Г. Ромашина» (г. Обнинск) запатентовало атомную электростанцию, которая позволяет использовать уран-238 и плутоний из отработанного ядерного топлива, повышает эффективность и ресурс работы АЭС.

Теплообменники, трубопроводы и другие ключевые компоненты реактора изготовлены из керамических материалов на основе кремния, устойчивых к высоким температурам и радиации. Аргонно-водяной теплообменник изготовлен из металла. В реакторе используются топливные таблетки из нитрида урана или смеси нитридов и оксидов урана и плутония. В качестве теплоносителя в первом контуре используют литий (Li7), во втором контуре – аргон, в третьем – вода.

Такая конструкция атомной электростанции обеспечивает повышенную аварийную безопасность, создает замкнутый топливный цикл с эффективной переработкой опасных долгоживущих ядерных отходов. Срок службы таких атомных станций может составить до 100 лет.

-4

Энергоэффективный детектор космической радиации

Инноваторы из Московского государственного университета имени М.В. Ломоносова разработали устройство, которое устанавливают на космических аппаратах или сверхмалых спутниках для измерения потоков и спектров электронов и гамма-излучения с высоким временным разрешением. Детектор реагирует вспышкой света при попадании на него космического излучения. Каждую вспышку регистрирует фотоэлектронный умножитель (ФЭУ), фиксируя наличие радиации.

Для снижения энергопотребления детектор оснащен схемой с платой питания, которая позволяет ФЭУ и аналоговую часть питать от одного внешнего источника, а микроконтроллер и микросхему энергонезависимой памяти – от другого. Такая электросхема может использоваться на сверхмалых спутниках для одновременного раздельного измерения разных видов космического излучения для проведения экспериментов. Устройство компактно, весит до 400 грамм, что позволяет использовать его на спутниках массой 1-10 кг.

-5