Найти в Дзене
Electronics && Oleg Gorshkov

Изготовление печатных плат в Китае. 2026 год

Ранее многие радиолюбители пользовались таким сервисом, как JLCPCB. Это популярный китайский производитель печатных плат (PCB), известный своими доступными ценами (от $2 за 5 плат 10x10 см) и короткими сроками изготовления. Помимо этого, сервис был удобен тем, что заказ можно было оформить прямо из EasyEDA — бесплатной облачной среды проектирования электроники, которая является «родным» инструментом для JLCPCB. Именно тесная связка с производством сделала её популярной среди радиолюбителей и инженеров по всему миру. На данный момент JLCPCB не осуществляет прямую доставку и не принимает оплату российскими картами из-за санкционных ограничений. Конечно, некоторые находят обходные пути — например, через родственников в странах СНГ. Но я решил разобраться с методами, доступными для всех россиян. Пожалуй, самой разрекламированной альтернативой является «Резонит» — крупнейший российский производитель. Я изучил условия на их сайте, и они не впечатлили. Цена для малой партии выходит высокой: п

Ранее многие радиолюбители пользовались таким сервисом, как JLCPCB. Это популярный китайский производитель печатных плат (PCB), известный своими доступными ценами (от $2 за 5 плат 10x10 см) и короткими сроками изготовления. Помимо этого, сервис был удобен тем, что заказ можно было оформить прямо из EasyEDA — бесплатной облачной среды проектирования электроники, которая является «родным» инструментом для JLCPCB. Именно тесная связка с производством сделала её популярной среди радиолюбителей и инженеров по всему миру.

На данный момент JLCPCB не осуществляет прямую доставку и не принимает оплату российскими картами из-за санкционных ограничений. Конечно, некоторые находят обходные пути — например, через родственников в странах СНГ. Но я решил разобраться с методами, доступными для всех россиян.

Пожалуй, самой разрекламированной альтернативой является «Резонит» — крупнейший российский производитель. Я изучил условия на их сайте, и они не впечатлили. Цена для малой партии выходит высокой: помимо самих плат нужно оплатить подготовку производства (1600 рублей), вероятно, за изготовление шаблонов. Обещают, что при повторном заказе этот платёж не потребуется. Кроме того, смущает бюрократия: нужно скачивать их бланк, заполнять и отправлять обратно. Пожалуй, это вариант скорее для организаций, чем для любителей.

Другой путь — посредники JLCPCB. Наиболее крупным в России является JLC-PCB.ru. Это специализированный сервис, работающий по схеме выкупа. Заказ оформляется через сайт, платы поступают на склад в Китае, а затем пересылаются в Зеленоград. Цены, конечно, выше. Сайт работает кривовато: я минут 10 пытался зарегистрироваться, но в итоге бросил это дело.

И наконец, AliExpress — один из самых популярных способов оплаты и доставки продукции JLCPCB (и аналогов) в Россию. Именно этот вариант я решил опробовать на практике, о чем и расскажу подробнее.

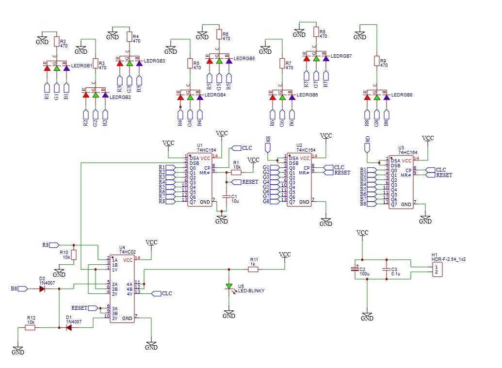
В качестве подопытного выбрал один из своих предыдущих проектов «Управление RGB светодиодами на 74HC164 + 74HC02 без микроконтроллера»

схема принципиальная
схема принципиальная

Разработал печатную плату в EasyEDA. Микросхемы оставил в DIP-корпусах, резисторы и конденсаторы — SMD типоразмера 0805. Выбрал RGB-светодиоды с общим катодом диаметром 5 мм и один мигающий светодиод диаметром 3 мм.

Сильно не заморачивался: применил автотрассировку, все дорожки сделал одной ширины (0,4 мм), заливку полигонов не использовал. Размер платы составил 52×90 мм. Решил заказать 5 штук — побоялся, что с меньшим объемом «разговаривать» не станут.

Сохранил архив с гербер-файлами на компьютер. Зашёл на AliExpress и ввёл в поиске «печатные платы». Выбрал одного из первых продавцов в списке.

Из описания стало ясно, что продавцу нужно отправить Gerber-файлы на указанную электронную почту. С помощью ИИ я составил письмо на английском языке: нейросеть подсказала, что перевод с английского на китайский точнее, чем с русского. Суть письма была проста: «Здравствуйте, уточните цену за 5 плат синего цвета, без монтажа компонентов, только изготовление». Дословно это выглядело так:

«Hello, I would like to get a quote for my PCB project.

Parameters:

Quantity: 5 pcs

Color: Blue (Solder Mask)

Assembly: No (PCB only, no SMT)

I have attached the Gerber files to this email. My AliExpress username is O… G…..

Please let me know the price and how to pay on AliExpress.

Best regards,

Oleg»

Разумеется, я прикрепил архив. На всякий случай продублировал сообщение в чате AliExpress: «Здравствуйте, отправил Gerber-файлы вам на почту». В течение часа пришёл ответ: изготовление будет стоить 1200 рублей. Для оплаты мне прислали ссылку на товар ценой 240 рублей и попросили купить его в количестве 5 штук. Дороговато, конечно, но наука требует жертв. Я ответил «Ok!» и оплатил заказ.

Примерно через неделю статус заказа сменился на «Отправлен». Трек-номер отслеживался, и спустя ещё две недели я забрал посылку на почте.

Упаковано всё в «пупырку», а внутри был насыпан силикагель — прямо вперемешку с платами. Сами платы на вид сделаны качественно.

Быстро спаял одну плату, собирается, конечно, гораздо быстрее и легче, чем на макетной плате.

Спаял может и не очень-то аккуратно, но всё работает, как и должно.