Найти в Дзене
Мой канал

ST выпускает компактные и энергоэффективные микропроцессоры STM32

STMicroelectronics представила новую серию экономичных микропроцессоров STM32MP21. Эти чипы сочетают высокую производительность, управление в реальном времени и энергоэффективность, что делает их идеальными для различных приложений. Эти устройства расширяют линейку STM32MP2, предназначенную для бюджетных периферийных решений, которые все еще нуждаются в обработке данных и управлении в реальном времени. По мнению ST, новые микропроцессоры будут особенно полезны в «умном» производстве и инфраструктурных системах, работающих в условиях жестких ограничений по энергопотреблению и стоимости материалов. Компания ST выпустила серию STM32MP21 на основе гетерогенной архитектуры. В ее сердце — одноядерный 64-битный процессор Arm Cortex-A35, работающий на частоте до 1,5 ГГц. Он оснащен 32 КБ кэш-памяти инструкций и 32 КБ кэш-памяти данных L1, а также 128 КБ кэш-памяти L2. Для поддержки Linux и других ОС, Cortex-A35 имеет расширения Armv8-A, ускоритель NEON SIMD и защищенную область TrustZone. Микр
Оглавление

STMicroelectronics представила новую серию экономичных микропроцессоров STM32MP21. Эти чипы сочетают высокую производительность, управление в реальном времени и энергоэффективность, что делает их идеальными для различных приложений.

STM32MP31 предназначен для «умных домов», «умных городов» и «умных заводов». Изображение (модифицированное) предоставлено STMicroelectronics
STM32MP31 предназначен для «умных домов», «умных городов» и «умных заводов». Изображение (модифицированное) предоставлено STMicroelectronics

Эти устройства расширяют линейку STM32MP2, предназначенную для бюджетных периферийных решений, которые все еще нуждаются в обработке данных и управлении в реальном времени. По мнению ST, новые микропроцессоры будут особенно полезны в «умном» производстве и инфраструктурных системах, работающих в условиях жестких ограничений по энергопотреблению и стоимости материалов.

Ключевые особенности микроконтроллера STM32MP21

Компания ST выпустила серию STM32MP21 на основе гетерогенной архитектуры. В ее сердце — одноядерный 64-битный процессор Arm Cortex-A35, работающий на частоте до 1,5 ГГц. Он оснащен 32 КБ кэш-памяти инструкций и 32 КБ кэш-памяти данных L1, а также 128 КБ кэш-памяти L2. Для поддержки Linux и других ОС, Cortex-A35 имеет расширения Armv8-A, ускоритель NEON SIMD и защищенную область TrustZone.

Микроконтроллер включает в себя второе ядро — Cortex-M33. Оно работает на частоте до 300 МГц и обладает поддержкой FPU, DSP, TrustZone и блоком защиты памяти. Cortex-M33 предназначен для управления контурами в реальном времени и выполнения задач с низким энергопотреблением. Это позволяет ему работать независимо от основной операционной системы и эффективно управлять низкоуровневыми процессами.

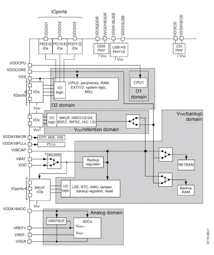
Схема питания STM32MP31. Изображение предоставлено STMicroelectronics
Схема питания STM32MP31. Изображение предоставлено STMicroelectronics

Линейка STM32MP21 выделяется не только вычислительными возможностями, но и поддержкой памяти. Устройства оснащены контроллерами DDR3L, DDR4 и LPDDR4 с 16-битным интерфейсом, который поддерживает до 4 ГБ внешней DRAM-памяти в зависимости от типа. Поддержка DDR3L помогает разработчикам снизить риски, связанные с затратами и поставками при использовании новых технологий.

Внутри MPU предусмотрено 456 КБ SRAM, разделенной на AXI system RAM, AHB SRAM, retention RAM и backup SRAM. Некоторые из этих областей защищены ECC для обеспечения целостности данных.

Устройство оснащено двумя гигабитными Ethernet-интерфейсами с поддержкой временных сетей (TSN), несколькими портами USB 2.0 с высокоскоростными физическими интерфейсами и широким набором последовательных интерфейсов. Среди них I3C, I2C, SPI, USART и CAN FD.

В некоторых моделях для систем машинного зрения и дисплеев предусмотрены интерфейсы для камер MIPI CSI-2 с встроенным конвейером обработки изображений. Также есть контроллер ЖК-дисплея с активной матрицей на тонкопленочных транзисторах. Он может выводить изображение с разрешением до 1080p при частоте 60 кадров в секунду.

Гетерогенные многопроцессорные вычислительные устройства для периферийных систем

Инженеры-разработчики сталкиваются с ключевой задачей — создать программное обеспечение, которое работает быстро и эффективно, не жертвуя при этом производительностью в реальном времени и энергопотреблением. Для решения этой проблемы они используют гетерогенные многопроцессорные системы, объединяющие разные типы ядер. Это позволяет найти баланс между энергозатратами и мощностью.

Ядра приложений, например, Cortex-A35, идеально подходят для работы с операционными системами, сложными сетями и пользовательскими приложениями. Однако они менее эффективны для задач, требующих постоянного мониторинга и выполнения критически важных операций в условиях ограниченного энергопотребления. В то же время ядра микроконтроллеров превосходно справляются с детерминированными задачами и энергосберегающими режимами, такими как глубокий сон или ожидание.

Во многих периферийных устройствах используются гетерогенные архитектуры для вычислительных кластеров. Изображение предоставлено Witekio
Во многих периферийных устройствах используются гетерогенные архитектуры для вычислительных кластеров. Изображение предоставлено Witekio

Гетерогенные многопроцессорные системы, объединяющие разные типы ядер на одном кристалле, дают разработчикам возможность гибко распределять рабочие нагрузки в зависимости от энергопотребления. Микроконтроллер может продолжать работу, отслеживая датчики или управляя пробуждением, в то время как основной процессор снижает энергопотребление или отключает тактовую частоту. Когда необходима более сложная обработка, основное ядро включается без задержек и лишних затрат энергии.

Этот подход упрощает проектирование системы. Единая память, аппаратные средства для связи между процессорами и унифицированные архитектуры безопасности уменьшают сложность программного обеспечения по сравнению с многочиповыми решениями. При растущих требованиях к периферийным устройствам гетерогенные системы становятся масштабируемым вариантом, который позволяет сбалансировать производительность и энергопотребление при ограниченных размерах.

Последствия для периферийных устройств с учетом затрат

Серия STM32MP21 создана для разработчиков, которым нужны продвинутые функции, но ограничены бюджет и энергопотребление. Устройство уже доступно для покупки крупными партиями и защищено 10-летней программой обеспечения долговечности от ST. В продаже есть оценочные платы, включая набор STM32MP215F-DK Discovery.