Добавить в корзинуПозвонить
Найти в Дзене
Сделай сам - своими руками

Двухполосный темброблок

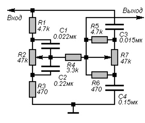
В большинстве современных аудиосистем, будь то музыкальный центр, домашний кинотеатр или даже миниатюрная колонка для смартфона, присутствует эквалайзер, также известный как темброблок. Он позволяет изменять амплитудно-частотную характеристику (АЧХ) сигнала, то есть регулировать количество высоких или низких частот. Существуют активные эквалайзеры, которые обычно базируются на микросхемах и требуют источника питания, но при этом не снижают уровень сигнала. Существует также тип темброблоков, называемый пассивным. Они немного снижают общий уровень сигнала, но не требуют питания и не добавляют искажений. Поэтому в высококлассной аудиоаппаратуре чаще всего используются именно такие темброблоки. В статье мы расскажем, как создать простой 2-полосный темброблок. Его можно интегрировать в самодельный усилитель или использовать как самостоятельное устройство. Схема включает только пассивные компоненты, такие как конденсаторы и резисторы. Для настройки уровня высоких и низких частот используются
Оглавление

В большинстве современных аудиосистем, будь то музыкальный центр, домашний кинотеатр или даже миниатюрная колонка для смартфона, присутствует эквалайзер, также известный как темброблок. Он позволяет изменять амплитудно-частотную характеристику (АЧХ) сигнала, то есть регулировать количество высоких или низких частот. Существуют активные эквалайзеры, которые обычно базируются на микросхемах и требуют источника питания, но при этом не снижают уровень сигнала.

Существует также тип темброблоков, называемый пассивным. Они немного снижают общий уровень сигнала, но не требуют питания и не добавляют искажений. Поэтому в высококлассной аудиоаппаратуре чаще всего используются именно такие темброблоки. В статье мы расскажем, как создать простой 2-полосный темброблок. Его можно интегрировать в самодельный усилитель или использовать как самостоятельное устройство.

Схема темброблока

-2

Схема включает только пассивные компоненты, такие как конденсаторы и резисторы. Для настройки уровня высоких и низких частот используются два переменных резистора. Рекомендуется применять плёночные конденсаторы, но в случае их отсутствия подойдут и керамические. Для каждого канала необходимо собрать по одной такой схеме, а для обеспечения одинаковой регулировки в обоих каналах следует использовать сдвоенные переменные резисторы. В печатной плате, представленной в этой статье, данная схема уже реализована в двух экземплярах, что позволяет подключать её как к левому, так и к правому каналу.

-3

Скачать плату:

https://sdelaysam-svoimirukami.ru/4398-dvuhpolosnyy-tembroblok.html

Изготовление темброблока

Схема не включает активных компонентов, что позволяет легко выполнить её навесной монтаж непосредственно на выводах переменных резисторов. При желании можно собрать схему на печатной плате, как это сделал я. Вот несколько фотографий, иллюстрирующих процесс.

-4
-5
-6

После завершения сборки можно приступать к проверке работы схемы. Для этого на её вход подаётся сигнал от источника, такого как плеер, компьютер или телефон, а выход схемы подключается ко входу усилителя. Вращая переменные резисторы, можно изменять уровень низких и высоких частот в сигнале. Не стоит удивляться, если при крайних положениях переменных резисторов звук будет восприниматься как «не очень хороший» — сигнал с полностью ослабленными или, наоборот, завышенными низкими частотами может оказаться неприятным на слух. Темброблок позволяет компенсировать неравномерность амплитудно-частотной характеристики усилителя или колонок, а также настроить звучание в соответствии с индивидуальными предпочтениями.

-7

Изготовление корпуса

Готовую схему темброблока следует обязательно разместить в экранированном корпусе, чтобы избежать появления фона. В качестве корпуса подойдёт обычная консервная банка. Переменные резисторы необходимо вывести наружу и оснастить их ручками. По краям банки следует установить разъёмы jack 3.5 для входного и выходного сигнала.

-8

Для предотвращения внешних помех банку следует соединить с отрицательным полюсом схемы, чтобы сигнальный провод не улавливал наводки. Даже если корпус выполнен из пластика, его нужно изнутри покрыть алюминиевым скотчем и также подключить к отрицательному полюсу схемы.

-9
-10
Светодиодная цветомузыка
Как сделать простой и мощный усилитель 500 Вт
Собираем усилитель 500 Вт на транзисторах навесным монтажом
Усилитель звука на транзисторах
Дальнобойная Wi-Fi антенна для китайского адаптера своими руками
Простой усилитель класса Д
Простой индукционный нагреватель 12 В
Автоматическое зарядное устройство 12 В
Простой усилитель мощности 4x50 Вт