Добавить в корзинуПозвонить
Найти в Дзене
IC

Protis Electronic Limited : XD-91M040 Quad-Channel M-LVDS Transceiver

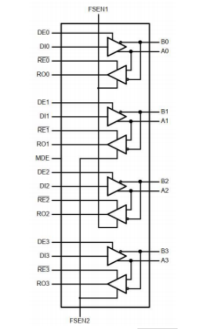
Introduction The XD-91M040 four channel M-LVDS transceiver is a single-chip integrated circuit manufactured using CMOS technology. The product is an M-LVDS transceiver, which includes four transmitters and four receivers. It mainly implements M-LVDS data transmission and reception functions and can be widely used in various M-LVDS signal communication systems. XD-91M040 supports M-LVDS Class 1 and Class 2 reception. Packaging : QFN-32 Quality level: GJB7400 N1 level Feature Maximum operating speed of 125MHz ⚫ Half duplex communication ⚫ Low static power consumption Recommended working conditions ⚫ Power Supply Voltage (VCC): 3.3V ⚫ Working environment temperature (TA): -55 ℃ - 125 ℃ Absolute maximum rated value between 55 ℃ - 125 ℃ ⚫ Power supply voltage (VCC): 4V ⚫ Storage temperature (TSTG): -65 ℃ - 150 ℃ Functional Block Diagram The content is from the datasheet on the official website of Protis Electronic Limited. For more information, please visit the official website of P

Introduction

The XD-91M040 four channel M-LVDS transceiver is a single-chip integrated circuit manufactured using CMOS technology. The product is an M-LVDS transceiver, which includes four transmitters and four receivers. It mainly implements M-LVDS data transmission and reception functions and can be widely used in various M-LVDS signal communication systems. XD-91M040 supports M-LVDS Class 1 and Class 2 reception.

Packaging : QFN-32

Quality level: GJB7400 N1 level

Feature

Maximum operating speed of 125MHz

⚫ Half duplex communication

⚫ Low static power consumption

Recommended working conditions

⚫ Power Supply Voltage (VCC): 3.3V

⚫ Working environment temperature (TA): -55 ℃ - 125 ℃

Absolute maximum rated value between 55 ℃ - 125 ℃

⚫ Power supply voltage (VCC): 4V

⚫ Storage temperature (TSTG): -65 ℃ - 150 ℃

Functional Block Diagram

The content is from the datasheet on the official website of Protis Electronic Limited.

For more information, please visit the official website of Protis Electronic Limited: https://ru.protis-ic.com/

Buy now, please contact us via email asst@protis-ic.com .