Найти в Дзене
Старый радио любитель

Старые журналы. Радио №12, 1963. "Широкополосный милливольт-метр."

В предыдущей статье я писал о чувствительном ВЧ-вольтметре конструкции американского радиолюбителя Джима Фиска (W1DTY). А вот в нашем Радио на 4 года раньше была описана схема хотя и более сложного, но более функционального милливольтметра конструкции М. Балашова В отличии от американского, отечественная разработка имела очень широкий рабочий диапазон частот от: 20 Гц до 30 МГц. Он имеет 4 диапазона измерения: 0 - 10 мВ, 0 -30 мВ, 0 - 100 мВ ноль - 300 мВ и 0-1 В. При использование добавочного емкостного делителя пределы измерения прибора увеличиваются примерно в 100 раз, при этом частотный диапазон при этом сужается до 50 кГц - 30 МГц. На частоте 50 гц входное сопротивление около 2,5 МОм. Входная ёмкость щупа -около 15 пФ. Точность измерения достаточно велика: в диапазоне 50 кГц - 30 МГц не превышает +/- 3%. При использовании емкостного делителя точность измерения снижается. Питается прибор от сети переменного тока и при изменении напряжения в ней на +/-10% показания изменяются не

В предыдущей статье я писал о чувствительном ВЧ-вольтметре конструкции американского радиолюбителя Джима Фиска (W1DTY). А вот в нашем Радио на 4 года раньше была описана схема хотя и более сложного, но более функционального милливольтметра конструкции М. Балашова

В отличии от американского, отечественная разработка имела очень широкий рабочий диапазон частот от: 20 Гц до 30 МГц. Он имеет 4 диапазона измерения: 0 - 10 мВ, 0 -30 мВ, 0 - 100 мВ ноль - 300 мВ и 0-1 В. При использование добавочного емкостного делителя пределы измерения прибора увеличиваются примерно в 100 раз, при этом частотный диапазон при этом сужается до 50 кГц - 30 МГц. На частоте 50 гц входное сопротивление около 2,5 МОм. Входная ёмкость щупа -около 15 пФ.

Точность измерения достаточно велика: в диапазоне 50 кГц - 30 МГц не превышает +/- 3%. При использовании емкостного делителя точность измерения снижается. Питается прибор от сети переменного тока и при изменении напряжения в ней на +/-10% показания изменяются не боле, чем на 1 %.

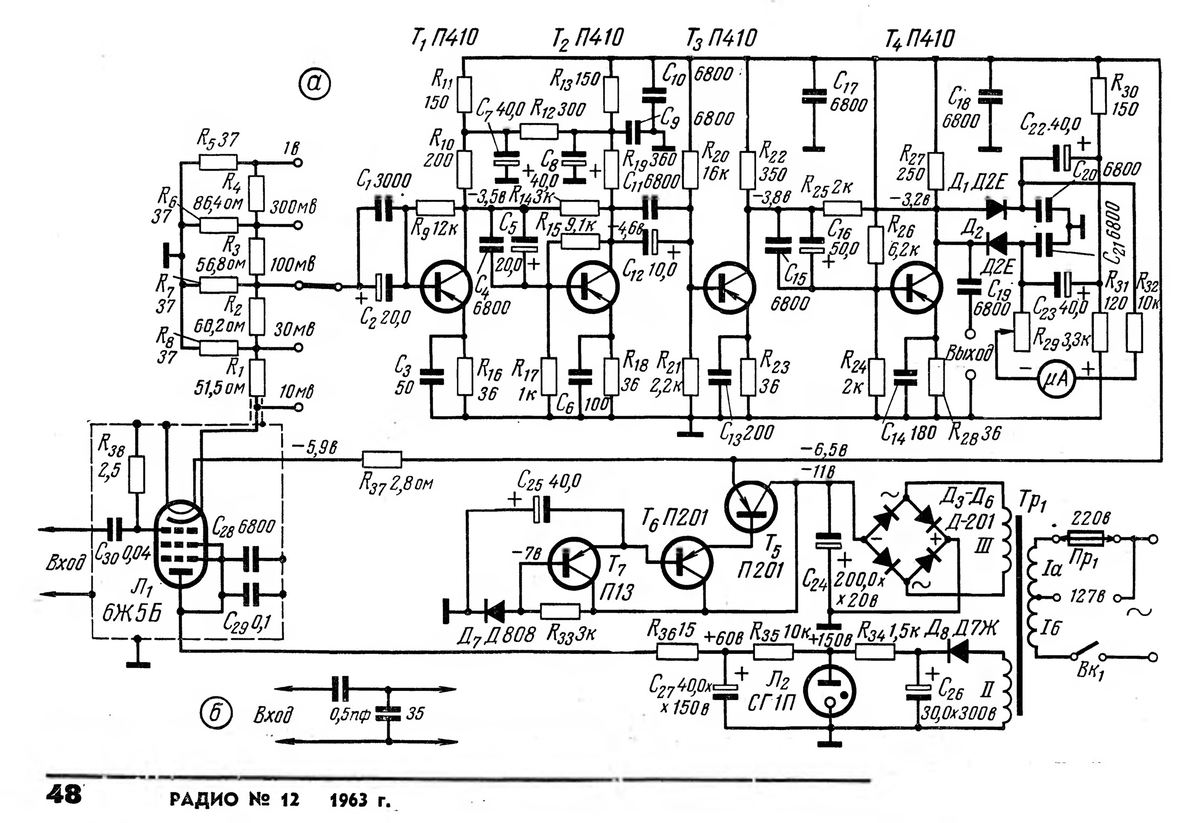
Рис. 1. Из журнала Радио №12 за 1963 год.
Рис. 1. Из журнала Радио №12 за 1963 год.

Для того, чтобы иметь высокое входное сопротивление, используется выносной пробник на миниатюрном пентоде 6Ж5Б, который работает как катодный повторитель, в цепь катода включен аттенюатор, обеспечивающий переключение диапазонов измерения. Цепь накала пентода для снижения наводок переменного тока питается постоянным током от стабилизатора.

Четыре каскада усиления по схеме с общим эмиттером и резистивной нагрузкой. Компенсация завала частотной характеристики на высоких частотах осуществляется за счет конденсаторов в цепях обратной связи, включенных параллельно эмиттерным резисторам. Каждый каскад имеет коэффициент усиления около 3, что обеспечивает их стабильность. За счет частотной коррекции неравномерность усиления в диапазоне 20 Гц - 30 МГц не превышает +/- 3%. И это с транзисторами П410 !.

Выпрямитель - диодный, а в качестве индикатора используется чувствительный микроамперметр.

В статье подробнейшим образом описывается процесс монтажа, наладки и градуирования прибора. Процесс, конечно, не простой и требует наличия эталонных приборов, но иметь хороший прибор собственного изготовления в своей лаборатории очень даже не плохо.

Всем здоровья и успехов!