Найти в Дзене
Сделай сам - своими руками

Симисторный регулятор мощности

Это простое, но очень эффективное устройство может собрать практически любой, кто умеет держать в руках паяльник и имеет базовые знания в области электроники. Представленный регулятор позволяет плавно регулировать мощность без резких скачков и падений. Этот регулятор можно использовать для управления освещением как лампами накаливания, так и светодиодными, если они диммируемые. Регулировать температуру паяльника с его помощью также несложно. Устройство позволяет плавно настраивать обогрев, изменять скорость вращения электродвигателей с фазным ротором и может быть полезно в различных ситуациях. Если у вас есть старая электродрель без регулировки оборотов, этот регулятор поможет её модернизировать. В статье подробно описан процесс изготовления устройства, начиная со сборки деталей и заканчивая испытаниями готового изделия. Для наглядности использованы фотографии, описания и видео. Если у вас натянутые отношения с соседями, то можете пропустить сборку цепи C3 - R4. Это просто шутка. Данн
Оглавление

Это простое, но очень эффективное устройство может собрать практически любой, кто умеет держать в руках паяльник и имеет базовые знания в области электроники.

Представленный регулятор позволяет плавно регулировать мощность без резких скачков и падений.

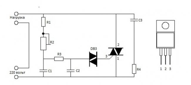
Схема простого симисторного регулятора

-2

Этот регулятор можно использовать для управления освещением как лампами накаливания, так и светодиодными, если они диммируемые. Регулировать температуру паяльника с его помощью также несложно. Устройство позволяет плавно настраивать обогрев, изменять скорость вращения электродвигателей с фазным ротором и может быть полезно в различных ситуациях. Если у вас есть старая электродрель без регулировки оборотов, этот регулятор поможет её модернизировать.

В статье подробно описан процесс изготовления устройства, начиная со сборки деталей и заканчивая испытаниями готового изделия. Для наглядности использованы фотографии, описания и видео.

-3

Если у вас натянутые отношения с соседями, то можете пропустить сборку цепи C3 - R4. Это просто шутка. Данная цепь нужна для защиты от радиопомех.

Для сборки этого устройства вам понадобятся следующие детали:

  • R1 – резистор около 20 кОм, мощностью 0.25 Вт;
  • R2 – потенциометр около 500 кОм, можно в диапазоне от 300 кОм до 1 МОм, но предпочтительнее 470 кОм;
  • R3 – резистор примерно 3 кОм, мощностью 0.25 Вт;
  • R4 – резистор 200-300 Ом, мощностью 0.5 Вт;
  • C1 и C2 – конденсаторы по 0.05 мкФ, напряжением 400 В;
  • C3 – конденсатор 0.1 мкФ, напряжением 400 В;
  • DB3 – динистор, который можно найти в каждой энергосберегающей лампе;
  • BT139-600 (регулирует ток до 18 А) или BT138-800 (регулирует ток до 12 А) – симисторы, можно использовать и другие модели в зависимости от необходимой нагрузки. Динистор также называют диак, а симистор – триак.

Радиатор охлаждения выбирайте в зависимости от планируемой мощности регулирования. Чем больше радиатор, тем лучше. Без радиатора можно регулировать мощность не более 300 Вт.

Клеммные колодки можно использовать любые, а макетную плату – по вашему усмотрению, главное, чтобы все компоненты поместились.

Прибор не обойтись без. Что касается припоя, то лучше использовать наш, хотя он и дороже, но качество значительно выше. Китайского хорошего припоя мне встречать не приходилось.

-4
-5

Приступаем к сборке регулятора

Сначала следует тщательно продумать размещение компонентов, чтобы минимизировать необходимость в дополнительных соединениях и пайке. Затем необходимо убедиться, что все элементы соответствуют схеме. После этого производится пайка всех соединений.

-6
-7
-8
-9

Убедившись, что ошибок нет и поместив изделие в пластиковый корпус, можно опробовать, подключив к сети.

-10
-11
-12

При проведении испытаний соблюдайте крайнюю осторожность. Все элементы схемы находятся под напряжением 220 вольт, поэтому случайное прикосновение к ним может привести к серьёзным травмам.

Если сборка выполнена корректно, устройство начнёт работать сразу же. В регулировке и настройке оно не нуждается.

Как сделать регулятор мощности для бытовых приборов
Простейший регулятор температуры жала паяльника.
Приставка-регулятор к блоку питания
Простой и мощный регулятор 55В 20А без ШИМ
Регулятор мощности 2 кВт своими руками для многих бытовых нужд
Как сделать простейший регулятор для трансформатора 220 В
Как сделать регулятор скорости двигателя постоянного тока 40В 10А с реверсом на базе китайского модуля
Как сделать надежный терморегулятор для бытовых нужд