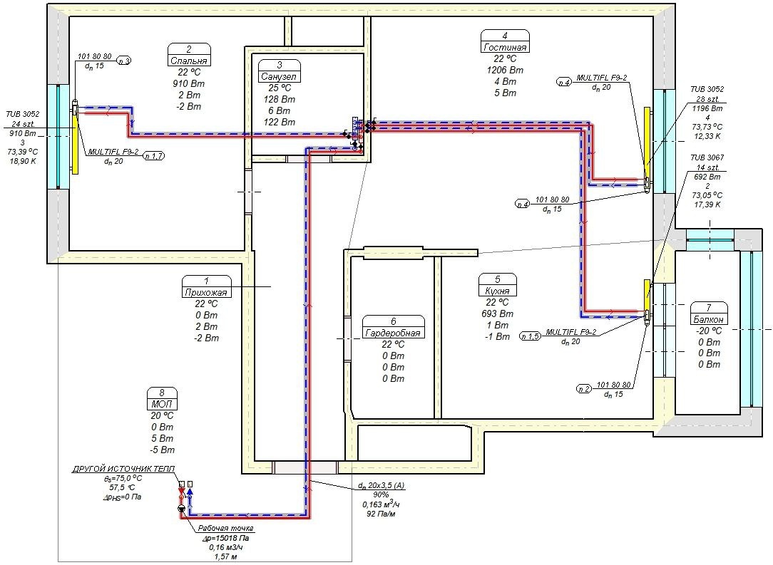
👋 Сегодня пост про расчёты. Есть 3 способа спроектировать систему отопления. 1. 100 Вт/м2 и другие рекомендации из магазина, типа "эта батарея обогреет столько-то квадратных метров площади". 2. Довериться застройщику и ориентироваться на цифру выделенной мощности из ТУ, либо подобрать отопительные приборы по аналогии с уже установленными. Но, во-первых, установлено может быть не то, что посчитано, а во-вторых, соответствует ли то, что указано в ТУ, реальности. Не будем здесь рассуждать о причинах, но по нашему опыту, а мы сделали проекты в примерно в 80 квартирах в разных ЖК Москвы, расчётам не соответствует бОльшая часть объектов. Наш опыт подтверждают и некоторые производители отопительного оборудования, в частности Витрон. 3. Заказать специализированные расчёты и подбор отопительного оборудования для вашего объекта с учетом его особенностей. В своей работе мы используем специализированное ПО Audytor, а также учитываем множество факторов: - ограждающие конструкции, - температур
