Добавить в корзинуПозвонить
Найти в Дзене

Усилитель для наушников из простейшего усилителя мощности.

Наверное не меньше, чем "расщепитель" питания, о котором я рассказал раньше, знаком радиолюбителям простейший усилитель мощности для динамиков и наушников. Обычно он выглядит так и содержится в схемах приемников, радиостанций, гуделок, сирен, звонков и т. п. устройств, где качество усиления звука находится на втором плане. Достоинство – простота, в том числе изготовления. Можно не использовать радиаторы. Ведь музыка и речь состоит в основном из пауз и тихих звуков. Поэтому выделяемая на транзисторах мощность будет в среднем совсем небольшой. Радиаторы понадобятся для сирены или звонка. Там пауз и тихих звуков нет, придется выделяемую мощность учитывать. Недостаток – очень низкое качество звука при малой громкости. Это называется "проблемой первого ватта" усилителей класса Б (это именно такой усилитель). На слух ощущается как неприятный трескучий призвук тихих звуков. Бывает, что тихие звуки совсем не слышно. Поскольку тихих звуков в речи и музыке большинство, слышен этот призвук будет

Наверное не меньше, чем "расщепитель" питания, о котором я рассказал раньше, знаком радиолюбителям простейший усилитель мощности для динамиков и наушников. Обычно он выглядит так и содержится в схемах приемников, радиостанций, гуделок, сирен, звонков и т. п. устройств, где качество усиления звука находится на втором плане.

схема простейшего усилителя звука
схема простейшего усилителя звука

Достоинство – простота, в том числе изготовления. Можно не использовать радиаторы. Ведь музыка и речь состоит в основном из пауз и тихих звуков. Поэтому выделяемая на транзисторах мощность будет в среднем совсем небольшой. Радиаторы понадобятся для сирены или звонка. Там пауз и тихих звуков нет, придется выделяемую мощность учитывать.

Недостаток – очень низкое качество звука при малой громкости. Это называется "проблемой первого ватта" усилителей класса Б (это именно такой усилитель). На слух ощущается как неприятный трескучий призвук тихих звуков. Бывает, что тихие звуки совсем не слышно. Поскольку тихих звуков в речи и музыке большинство, слышен этот призвук будет почти всегда.

Когда-то лично убедился в этом. Оказалось, что в старинном телевизоре нет выхода для наушников. Зато нашелся линейный выход звука. Быстро сделал что-то такое и услышал именно то, о чем писал выше.

Тем не менее, схема широко распространена как простейший вариант усилителя. Встречался даже такой вариант. Причем автор предлагает его как качественный усилитель звука для наушников.

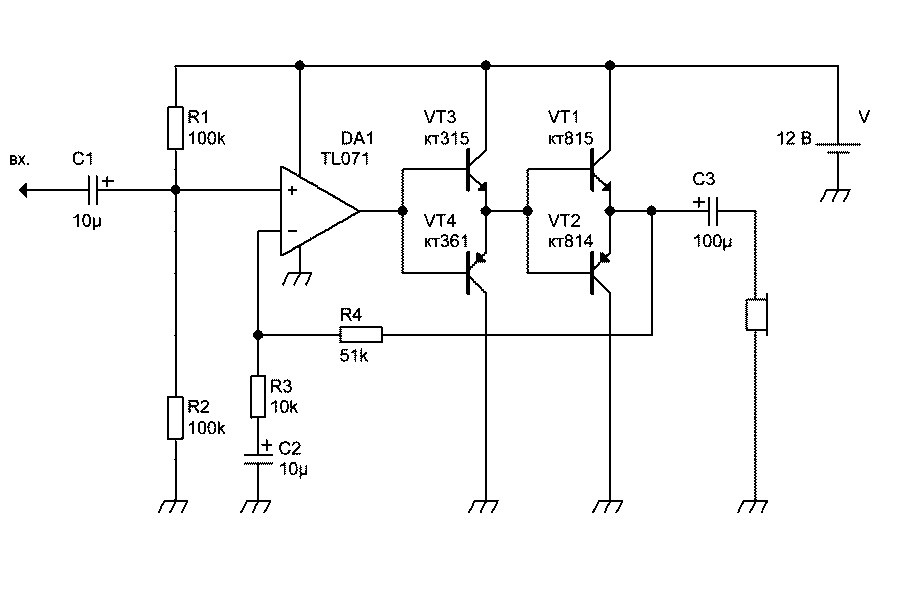
Усилитель дл наушников
Усилитель дл наушников

Посмотрим на него в симуляторе.

схема для симулятора Microcap
схема для симулятора Microcap

"Подключим" нагрузку R5 = 8 Ом. И определим, какое максимальное напряжение может развить усилитель. Для этого подадим на вход сигнал, заведомо большей амплитуды. Коэффициент усиления усилителя примерно равен K=1+(R4/R3) ~ 6. Зададим выходное напряжение – 6 В, это половина напряжения питания, усилитель не сможет такое развить. Тогда входное напряжение будет 6000мВ/6=1000мВ. И с помощью инструмента Analisys => Probe Transient посмотрим, какой сигнал окажется на выходе:

ограниченный сигнал на выходе, амплитуда 2400 мВ
ограниченный сигнал на выходе, амплитуда 2400 мВ

Ограничение наступает всего лишь при амплитуде 2,4 В. Этому будет соответствовать сигнал 2400 мВ/6=400 мВ. Подадим на вход даже несколько меньший сигнал – 300 мВ. И увидим на выходе практически неискаженный сигнал амплитудой около 2 В. Вблизи нуля видны небольшие зубчики. Это и есть остатки неподавленных обратной связью коммутационных искажений.

наибольший неискаженный сигнал ~ 1800 мВ
наибольший неискаженный сигнал ~ 1800 мВ

Начнем уменьшать входной сигнал от 100 мВ до 3 мВ каждый раз вдвое. Получится вот что:

выходной сигнал от 1800 до 30 мВ
выходной сигнал от 1800 до 30 мВ

Хорошо видно, что зубчики почти постоянны по размеру. И когда сигнал становится меньше, в конце концов он среди них потеряется. Последний график соответствует сигналу 18 мВ на выходе. Это хорошо слышимый сигнал и он уже ненамного больше искажений.

На графике искажений это выглядит так:

амплитуда искажений сигнала от 1800 до 30 мВ
амплитуда искажений сигнала от 1800 до 30 мВ

Смотрим на 3-ю гармонику сигнала 3 кГц Величиной от 30 мВ до 1800 мВ. Амплитуда третьей гармоники почти постоянна, и равна примерно 3 мВ. Но для 1800 мВ, большого сигнала, это меньше процента. А для 30 мВ – почти 10% - тот самый "первый ватт" и его сильные искажения.

Еще посмотрим на график гармоник целиком.

амплитуда искажений сигнала от 1800 до 30 мВ
амплитуда искажений сигнала от 1800 до 30 мВ

Они не уменьшаются с ростом частоты (номера). Это даёт хорошо слышимый царапающий призвук. Слушать такое неприятно.

Кажется - всё понятно, такой усилитель годится только для звонка. Но я решил посмотреть еще и его устойчивость. С помощью инструмента Stability и зонда Loop Gain Probe.

-9
-10

Получились странные графики. Всё ясно. Инструмент Stability исследует схему при очень маленьком сигнале. Выходные транзисторы двух каскадов при этом закрыты, и тракт усиления фактически разорван. Ну что ж, сместим их, подключив на выход резистор.

-11

Почему-то я сразу задал довольно большой ток смещения ~ 30 мА. Рассуждал так. Нагрузка 8 Ом. Значит, смещение должно давать ток хотя бы 1/20 от выходного. Иначе его влияние мало. Учитывая, что выходное напряжение 1/3 от половины питания ….. 180 Ом будет даже много. Ладно, хватит.

Получились характеристики устойчивого усилителя.

-12

Вообще-то усилитель без смещения тоже можно исследовать на устойчивость – по усилению прямоугольного сигнала. Если устойчивость мала, на переломах фронтов и полок будут колебания. Если хотите, можете сделать это самостоятельно.

Меня заинтересовало другое – изменится ли характер тех самых коммутационных искажений при наличии заметного смещения? Для этого применил инструмент Harmonic distorsion и тут же получил удивительный результат. Коротко – во всем диапазоне амплитуд выходного сигнала 30 – 1800 мВ искажения стали меньше процента. А при амплитудах меньше 300 мВ даже 0,1 %.

-13

Еще больше удивил результат подключения наушников сопротивление 32 Ома.

-14

Вплоть до выходного напряжения 0,5 В искажения составляют меньше 0,001% . По достижении полувольта коммутационные искажения по-видимому появляются. Но на фоне сигнала такой величины они составляют не более 0,5 %.

Неожиданно из мусорного усилителя для звонка получился неплохой усилитель для наушников. До 0,5 В он будет работать в классе А с очень маленькими искажениями. А при большем напряжении, это уже очень громкий звук, искажения вырастут до полпроцента.

И даже если вам попадутся такие наушники, с сопротивлением 8 Ом

-15

или вы захотите сделать как описано в статье:

https://ldsound.info/dostupnye-stereonaushniki-svoimi-rukami-na-1-gd-18/

такой усилитель не спасует и с ними. Зона малых искажений уменьшится до 0,3 В, дальше искажения возрастут. Но на фоне громкого сигнала они нигде не буду относительно большими, как в исходном усилителе.

Такими возможностями не обладают однотактные усилители класса А с током покоя ок. 50 мА. Они могут работать только с обычными наушниками сопротивлением 32 Ома. С низкоомными просто будут входить в ограничение.

На этом можно закончить. Добавлением одного резистора получен удивительный результат. И его можно еще улучшить. Об этом в следующий раз.