Добавить в корзинуПозвонить
Найти в Дзене
IC

Protis Electronic Limited :XHTM4622IY , Dual channel 2.5A/single channel 5.0 ADCDC micro power module(Compatible with LTM4622 replacement)

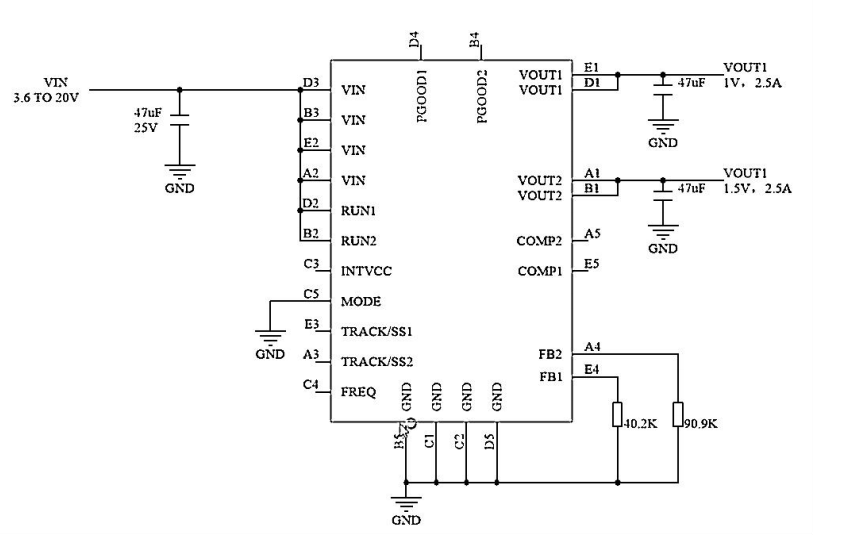
Overview XHTM462IY is a dual channel 2.5A micro power module that includes switch controllers, field-effect transistors, inductors, and all supporting components in an ultra-thin 6.25mm × 6.25mm × 2.42mm BGA size. The XHTM462IY operates within an input voltage range of 3.6V to 20V and supports an output voltage range of 0.6V to 5.5V, set by a single external resistor. Its efficient design provides dual 2.5A continuous, 3A peak output current. Only a small amount of ceramic input and output capacitors are needed. XHTM462IY supports selectable burst mode operation and output voltage tracking sorting. The high switching frequency and current mode control architecture enables fast transient response in lines and loads without sacrificing stability. The fault protection function includes overvoltage, overcurrent, and overtemperature protection. XHTM462IY is compatible with LTM4622. Feature Can replace LTM4622 Independent dual channel micro power module Each channel outputs 2.5A separately

Overview

XHTM462IY is a dual channel 2.5A micro power module that includes switch controllers, field-effect transistors, inductors, and all supporting components in an ultra-thin 6.25mm × 6.25mm × 2.42mm BGA size.

The XHTM462IY operates within an input voltage range of 3.6V to 20V and supports an output voltage range of 0.6V to 5.5V, set by a single external resistor. Its efficient design provides dual 2.5A continuous, 3A peak output current. Only a small amount of ceramic input and output capacitors are needed.

XHTM462IY supports selectable burst mode operation and output voltage tracking sorting. The high switching frequency and current mode control architecture enables fast transient response in lines and loads without sacrificing stability.

The fault protection function includes overvoltage, overcurrent, and overtemperature protection.

XHTM462IY is compatible with LTM4622.

Feature

Can replace LTM4622

Independent dual channel micro power module

Each channel outputs 2.5A separately and 5.0A in parallel

3.6V~20V wide range input

0.6V to 5.5V output voltage

± 2% output accuracy

Current control mode, fast transient response

Multiple devices can be output in parallel

The switching frequency is adjustable and can be synchronized with the external clock

Optional burst mode operation

Equipped with soft start/tracking function

Input Overvoltage Protection

overheat protection

Typical Applications

The content is from the datasheet on the official website of Protis Electronic Limited.

For more information, please visit the official website of Protis Electronic Limited: https://ru.protis-ic.com/

Buy now, please contact us via email asst@protis-ic.com .