Добавить в корзинуПозвонить
Найти в Дзене

Всем известный "расщепитель" питания.

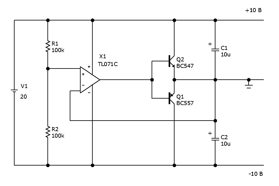
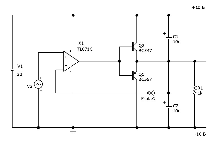
Наверное всем известна схема т.н. "расщепителя" питания. С её помощью можно из источника питания на 20 В сделать двуполярный на +/- 10 В. Это удобно для устройств на ОУ. В таком виде схема была опубликована не один раз, например в журнале "Моделист конструктор". Несмотря на простоту и известность, работает она плохо. Транзисторы, а иногда и микросхема нагреваются и могут даже выйти из строя. Исследование с помощью осциллографа показало сильную высокочастотную помеху прямо на выходе ОУ. Для выяснения причины схема была "собрана" в симуляторе Microcap. Схема немного изменена, так, чтобы симулятор понимал её правильно. Вместо делителя на резисторах R1 и R2 включен генератор с амплитудой, равной нулю и положительным смещением 10 В – по сути то же самое. В цепь обратной связи включен "зонд" - Loop gain probe. Общий вывод подключен к одному из полюсов питания всей схемы – Microcap не сможет проанализировать схему, если он подключен к выходу. Добавлен резистор нагрузки R1. Для анализа примен

Наверное всем известна схема т.н. "расщепителя" питания. С её помощью можно из источника питания на 20 В сделать двуполярный на +/- 10 В. Это удобно для устройств на ОУ. В таком виде схема была опубликована не один раз, например в журнале "Моделист конструктор".

схема "расщепителя" питания, как она не раз была напечатана в разных журналах.
схема "расщепителя" питания, как она не раз была напечатана в разных журналах.

Несмотря на простоту и известность, работает она плохо. Транзисторы, а иногда и микросхема нагреваются и могут даже выйти из строя. Исследование с помощью осциллографа показало сильную высокочастотную помеху прямо на выходе ОУ. Для выяснения причины схема была "собрана" в симуляторе Microcap.

для симулятора Microcap
для симулятора Microcap

Схема немного изменена, так, чтобы симулятор понимал её правильно. Вместо делителя на резисторах R1 и R2 включен генератор с амплитудой, равной нулю и положительным смещением 10 В – по сути то же самое. В цепь обратной связи включен "зонд" - Loop gain probe. Общий вывод подключен к одному из полюсов питания всей схемы – Microcap не сможет проанализировать схему, если он подключен к выходу. Добавлен резистор нагрузки R1. Для анализа применен инструмент Analisys -> Stability.

анализ устойчивости исходной схемы
анализ устойчивости исходной схемы

Исследование в нем подтвердило – схема неустойчива. На графиках петлевого усиления и фазового сдвига в петле ОС видно отсутствие запасов по амплитуде и фазе.
Так происходит из-за конденсаторов, подключенных к выходу. Выходное сопротивление повторителя на транзисторах и конденсаторы образуют RC-цепь, которая дополнительно сдвигает фазу, сдвиг добавляется к обычному при двухполюсной ФЧХ ОУ и теперь достигает 180 град. при достаточном для генерации усилении. Без конденсаторов схема устойчива. Если их действительно нет и в питаемом устройстве. Даже от одного конденсатора емкостью 100 nF схема теряет устойчивость. Также всё вышеизложенное верно, только если ОУ скорректирован для работы повторителем. Такой и следует применять в этой схеме.

Чтобы сделать схему устойчивой и с конденсаторами, дополнительно замкнём ОС (обратную связь) по высоким частотам конденсатором, а по постоянному току включим через резистор. Это элементы С3 и R2 на схеме.

схема с добавочнгой коррекцией, так и следует её применять
схема с добавочнгой коррекцией, так и следует её применять

Проверка на симуляторе показывает хороший запас устойчивости. Генерации больше не будет.

Запас по амплитуде составляет целых - 65 дБ. А по фазе 58 град. Это означает, что когда фаза стала 180 град, отрицательная обратная связь превратилась в положительную, усиление уже очень мало – 65дБ ~ 1/2000. А там, где усиление еще равно 1, фаза не доходит до 180 целых 58 град.

Но – это для конденсаторов на выходе по 10 мкФ. Если установить больше, запасы устойчивости могут уменьшиться. Возможно, придется увеличить емкость конденсатора C3.

анализ устойчивости схемы с коррекцией
анализ устойчивости схемы с коррекцией

Откуда взялись номиналы для частотной коррекции? – "На глаз" с помощью симулятора Microcap. Прямо при открытом окне stability можно менять элементы в окошке схемы и добиваться нужных запасов по амплитуде и фазе. Поэтому настоятельно рекомендую освоить какой-нибудь симулятор. На форумах звукотехников предпочитают Ltspice. Но и Microcap, Multisim и Симметрикс часто успешно применяются. Proteus широко поддерживает цифровые устройства, в нем можно даже проверять прошивки микроконтроллеров.

Вот такая "загадка" обнаружилась в простой, давно известной схеме.