Найти в Дзене
Старый радио любитель

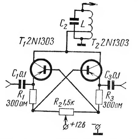
Старые журналы. "Радио" №12, 1966 год. Балансный смеситель на транзисторах.

На запрос "Балансный смеситель на транзисторах" среди схем вы точно встретите вот эту. Эта схема из маленькой заметки в разделе "За рубежом" в журнале "Радио" №12, 1966 год. Это была перепечатка из журнала "Radio-Electronics" №21 за 1966 год. Этот номер вышел в ноябре 1966-го, а уже в декабре статья появилась в Радио. Вроде, схема простая, но меня удивила сама статья. Этот смеситель предназначен для формирования SSB- сигнала - это нормально, но вот слова "Нагрузкой смесителя служит контур, настраиваемый на нужную боковую полосу. Коэффициент включения контура порядка 0,1-0,2. При этом подавление несущей и одной боковой полосы до 50 дБ". Не могу представить себе контур, который можно настроить на "нужную боковую полосу". Т.е. не нужно ни ЭМФ, ни кварцевых фильтров, а просто контур. Причем далее написано: "Устройство хорошо работает до 30 МГц" Контур на частоте 28 МГц подавляет ненужную боковую полосу? Вот уж действительно, видимо, трудности перевода. К сожалению, я не смог найти первоист

На запрос "Балансный смеситель на транзисторах" среди схем вы точно встретите вот эту.

Рис. 1. Из журнала "Радио" №12, 1966 год.
Рис. 1. Из журнала "Радио" №12, 1966 год.

Эта схема из маленькой заметки в разделе "За рубежом" в журнале "Радио" №12, 1966 год. Это была перепечатка из журнала "Radio-Electronics" №21 за 1966 год. Этот номер вышел в ноябре 1966-го, а уже в декабре статья появилась в Радио.

Вроде, схема простая, но меня удивила сама статья. Этот смеситель предназначен для формирования SSB- сигнала - это нормально, но вот слова "Нагрузкой смесителя служит контур, настраиваемый на нужную боковую полосу. Коэффициент включения контура порядка 0,1-0,2. При этом подавление несущей и одной боковой полосы до 50 дБ". Не могу представить себе контур, который можно настроить на "нужную боковую полосу". Т.е. не нужно ни ЭМФ, ни кварцевых фильтров, а просто контур. Причем далее написано: "Устройство хорошо работает до 30 МГц" Контур на частоте 28 МГц подавляет ненужную боковую полосу? Вот уж действительно, видимо, трудности перевода.

К сожалению, я не смог найти первоисточник, но решил для начала смоделировать эту схему.

Рис. 2.
Рис. 2.

Контур настроен на частоту 5 МГц. И никакого подавления несущей. Но как эта схема будет работать, если подать на второй вход НЧ-сигнал? Посмотрим.

Рис. 3.
Рис. 3.

Вместо DSB видим АМ-модуляцию с частотой 1 кГц. Вот такой интересный результат.

Попробую я эту схему не в качестве модулятора, а в качестве смесителя может он действительно будет работать до 30 МГц. Так как контур настроен на частоту 5 МГц, то она будет промежуточной. На один вход подаю сигнал с частотой 14 МГц, а на другой - с частотой 9 МГц.

Рис. 4.
Рис. 4.

А вот тут полный успех - на выходе сигнал с частотой 5 МГц. Коэффициент передачи смесителя около 20 дБ. Повышаю входную частоту до 30 МГц, а частоту ГПД до 25 МГц.

Рис. 5.
Рис. 5.

Амплитуда сигнала ничуть не изменилась. И это понятно, так как граничная частота 2N3904 около 300 МГц, а вот у примененных в схеме из журнала 2N1303 всего .... 3 МГц.

Но это - теория, нужно проверить на практике.

Всем здоровья и успехов!