Найти в Дзене
Andrey774

Ламповый усилитель на комбинированной лампе.

Ламповые усилители до сих пор ценятся аудиофилами за тёплое, "аналоговое" звучание. Одна из классических схем - усилитель, где каждый канал собран на одной комбинированной лампе, совмещающей триод и пентод. В исходных схемах часто фигурирует лампа 6Ф3П, однако её непросто найти в продаже. Удачная альтернатива - более распространённая и мощная 6Ф5П.
Обе лампы комбинированные: содержат триод (для
Оглавление

Ламповые усилители до сих пор ценятся аудиофилами за тёплое, "аналоговое" звучание. Одна из классических схем - усилитель, где каждый канал собран на одной комбинированной лампе, совмещающей триод и пентод. В исходных схемах часто фигурирует лампа 6Ф3П, однако её непросто найти в продаже. Удачная альтернатива - более распространённая и мощная 6Ф5П.

Особенности ламп 6Ф3П и 6Ф5П

Обе лампы комбинированные: содержат триод (для предварительного усиления) и пентод (для оконечного каскада). Ключевое отличие - цоколёвка (распределение контактов) и незначительные различия в электрических параметрах.

Визуальное отличие ламп: у 6Ф5П триод по высоте меньше пентода, а у 6Ф3П обе секции одинаковы по размеру.

Главная сложность при замене 6Ф3П на 6Ф5П - несовпадение нумерации ножек (контактов) лампы. Чтобы схема работала корректно, нужно пересчитать контакты согласно следующей таблице соответствий (при взгляде на лампу снизу, нумерация по часовой стрелке):

Вместо 1 на схеме - использовать 2 ножку лампы 6Ф5П;
Вместо 8 на схеме - использовать 3 ножку;
Вместо 9 на схеме - использовать 1 ножку;
Вместо 2 на схеме - использовать 8 ножку;
Вместо 3 на схеме - использовать 9 ножку.

Это критически важно для правильного подключения катодов, сеток и анодов обоих секций (триода и пентода).

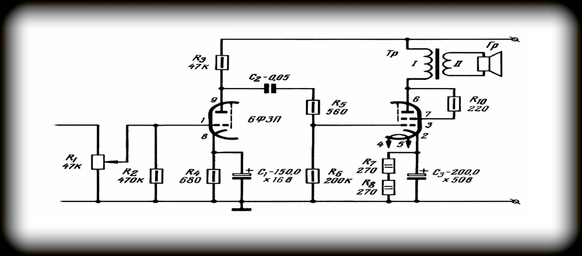
На представленной схеме видны следующие ключевые элементы:

  • Входная цепь (резисторы R1, R2, R4) - формирует сигнал для триода;
  • Предварительный каскад (триод лампы 6ФЗП) - усиливает сигнал;
  • Разделительный конденсатор C2 (0,05 мкФ) - отделяет постоянную составляющую;
  • Выходной каскад (пентод лампы) - задаёт мощность на нагрузку;
  • Трансформатор Тр - согласует выход лампы с динамиком Гр;
  • Фильтрующие конденсаторы (C1 - 150 мкФ, C3 - 200 мкФ) - сглаживают пульсации питания;
  • Резисторы смещения (R5, R7, R8, R10) - задают рабочие точки лампы.

При замене лампы все резисторы и конденсаторы остаются с исходными номиналами - меняется только подключение ножек лампы.

Мощность: по сравнению с 6Ф3П обеспечивает чуть больший выходной ток пентода - это даёт чуть большую мощность на выходе. Надёжность: многие экземпляры 6Ф5П сохранились в хорошем состоянии благодаря низкому рабочему напряжению, убедитесь, что источник питания выдаёт требуемое напряжение (обычно 200-300 В для анода и 6,3 В для накала).

Замена лампы 6Ф3П на 6Ф5П в ламповом усилителе - вполне реальная задача, если аккуратно пересчитать цоколёвку. В результате вы получите работоспособный усилитель с характерным "ламповым" звучанием.