Добавить в корзинуПозвонить
Найти в Дзене

Генератор TV-сигнала на TTL логике.

Приветствую! Этот генератор телевизионного сигнала предназначен для работы в составе простого 8-ми битного ПК - https://dzen.ru/a/aZduWiXI_QBQWPS1 Архив "ПК на процессоре Z80 22.02.26" - https://cloud.mail.ru/public/ahEt/ns6A44hUC Эта статья является обновлённой (исправлены ошибки в схеме), прежняя статья (прежний канал к которому я утратил доступ) - https://dzen.ru/a/YsNvrtTP2Dljm1o5
В генераторе в качестве счётчиков DD1 и DD2 применены асинхронные счётчики - КР1533ИЕ19 для упрощения монтажной платы (для теста схемы генератора). Но лучше использовать двоичные счётчики с синхронным переключением например КР1533ИЕ10 или реверсивный - КР1533ИЕ7. КР1533ИЕ10 и КР1533ИЕ7 4-х разрядные счётчики, в генераторе их требуется 4 штуки. Применение синхронных счётчиков требуется для исключения искажений, так как в асинхронных счётчиках присутствуют задержки последовательного переключения разрядов. Генератор был проверен с помощью простого смесителя чёрно-белого видеосигнала в составе 8-ми битного П

Приветствую!

Этот генератор телевизионного сигнала предназначен для работы в составе простого 8-ми битного ПК - https://dzen.ru/a/aZduWiXI_QBQWPS1

Архив "ПК на процессоре Z80 22.02.26" - https://cloud.mail.ru/public/ahEt/ns6A44hUC

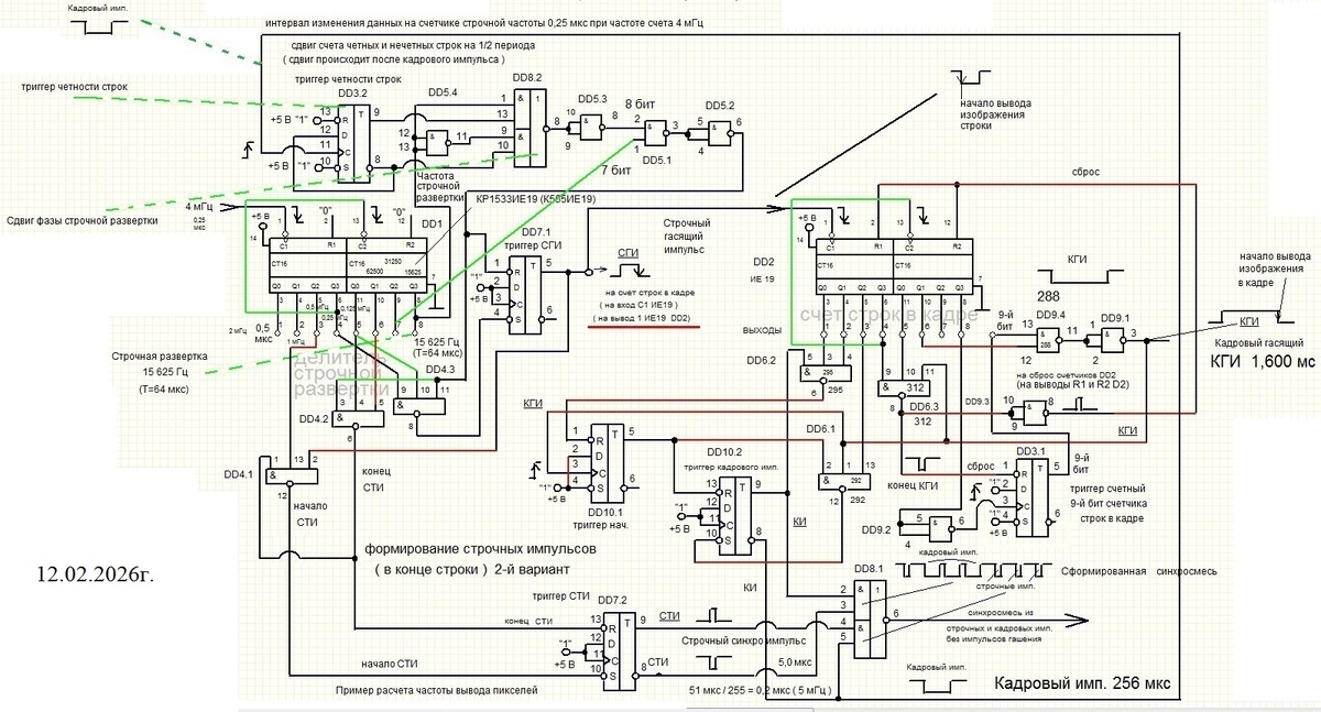
Принципиальная схема.
Принципиальная схема.
Монтажная схема.
Монтажная схема.

Эта статья является обновлённой (исправлены ошибки в схеме), прежняя статья (прежний канал к которому я утратил доступ) - https://dzen.ru/a/YsNvrtTP2Dljm1o5

В генераторе в качестве счётчиков DD1 и DD2 применены асинхронные счётчики - КР1533ИЕ19 для упрощения монтажной платы (для теста схемы генератора). Но лучше использовать двоичные счётчики с синхронным переключением например КР1533ИЕ10 или реверсивный - КР1533ИЕ7. КР1533ИЕ10 и КР1533ИЕ7 4-х разрядные счётчики, в генераторе их требуется 4 штуки. Применение синхронных счётчиков требуется для исключения искажений, так как в асинхронных счётчиках присутствуют задержки последовательного переключения разрядов. Генератор был проверен с помощью простого смесителя чёрно-белого видеосигнала в составе 8-ми битного ПК, с помощью программы цикличной закраски экрана.

Тайминги немного не чёткие, но изображение почти стабильно. Но не получается подключить гасящий кадровый импульс - изображение становится не стабильным и сверху появляется прямоугольник.

Экран закрашен белым.
Экран закрашен белым.

Генератор ТВ сигнала выдаёт чётные и нечетные строки то есть всего около 600 строк. В тесте чётность строк не участвует в адресации видео-ОЗУ - в итоге строка имеет толщину 2 одинаковых "условных" пикселя. Микросхемы простой логики в генераторе ТВ сигнала - серии К555 и одна К155ЛР1.

В начале теста на экране наблюдались артефакты - видимо из-за несоответствия таймингов доступа к видеопамяти,

Артефакты во время тест-программы.
Артефакты во время тест-программы.

но за тем заполнение экрана происходил без сбоев (видимо прогрелся).

Работа тест-программы цикличной закраски экрана.
Работа тест-программы цикличной закраски экрана.

Дополнительное замедление в тесте получено подачей на вход процессора BUSRQ инверсного синхро-импульса строчной развёртки (процессор выполняет код только во время синхро-импульсам, остальное время висит, отключив шины).

Счастливо!

Видео теста с доп. замедлением - https://cloud.mail.ru/public/776p/RfkVpFDdH

"Артефактный" видео-тест ПК на ЦП Z80 без доп. замедления -
https://dzen.ru/video/watch/69979d9547660f2d7a13776d