Добавить в корзинуПозвонить
Найти в Дзене

Обработка вагонной оси колесной пары на двух станках с ЧПУ

Выбор оборудования — один из ключевых этапов на любом производстве. Здесь важна не только модель станка, но и подход к обработке. Именно эту задачу решает инжиниринг — подбор оптимальной технологии изготовления детали, позволяющий работать быстрее, точнее и с минимальными затратами. В этой статье мы разбираем реальный пример такого подхода. Итак, к нам обратился клиент с запросом: нужно выполнить обработку вагонной оси колесной пары массой 520 кг и длиной более 2 метров. Скажем прямо: задача тяжелая не только по сложности, но и буквально по весу. Ведь обработать полтонны металла на станке — это действительно тяжелая работа. Поэтому ее реализацию мы разделили на несколько стадий.
Для начала стоит сказать, что заготовка приехала к нам «сырой»: без торцовки и без центровки. И сразу установить ее на токарный станок для дальнейшей обработки было невозможно: просто не за что зацепиться. Поэтому первым делом мы отправили заготовку на портальный станок
ФП190-4.2МФ5. Там ее отторцевали с дв
Оглавление

Выбор оборудования — один из ключевых этапов на любом производстве. Здесь важна не только модель станка, но и подход к обработке.

Именно эту задачу решает инжиниринг — подбор оптимальной технологии изготовления детали, позволяющий работать быстрее, точнее и с минимальными затратами.

В этой статье мы разбираем реальный пример такого подхода.

Задача

Итак, к нам обратился клиент с запросом: нужно выполнить обработку вагонной оси колесной пары массой 520 кг и длиной более 2 метров.

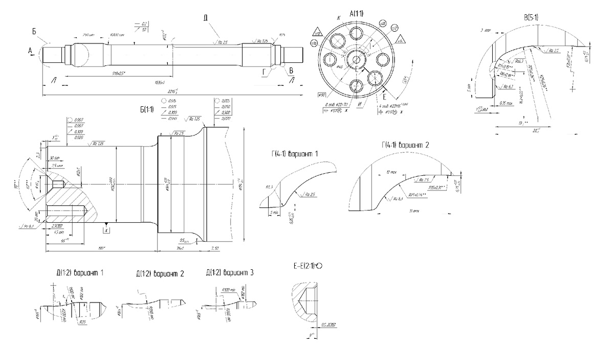
Чертеж вагонной оси колесной пары
Чертеж вагонной оси колесной пары

Скажем прямо: задача тяжелая не только по сложности, но и буквально по весу.

Ведь обработать полтонны металла на станке — это действительно тяжелая работа.

Поэтому ее реализацию мы разделили на несколько стадий.

Этап 1. Подготовка заготовки


Для начала стоит сказать, что заготовка приехала к нам «сырой»: без торцовки и без центровки. И сразу установить ее на токарный станок для дальнейшей обработки было невозможно: просто не за что зацепиться.

Поэтому первым делом мы отправили заготовку на портальный станок
ФП190-4.2МФ5. Там ее отторцевали с двух сторон, сделали центровочные отверстия и с одной стороны отфрезеровали базу в районе шейки оси. Это нужно, чтобы обеспечить надежный зажим и сохранить требуемую соосность при дальнейшей обработке.

Обработка заготовки на портальном станке ФП190-4.2МФ5
Обработка заготовки на портальном станке ФП190-4.2МФ5
Обработка заготовки на портальном станке ФП190-4.2МФ5
Обработка заготовки на портальном станке ФП190-4.2МФ5
Обработка заготовки на портальном станке ФП190-4.2МФ5
Обработка заготовки на портальном станке ФП190-4.2МФ5

Только после такой предварительной обработки заготовка была полностью готова к токарным операциям.

Этап 2. Черновая обработка


Нас ожидала двухэтапная обработка: сперва черновая, а потом чистовая.

Вспоминаем, что заготовка весит около 520 кг и имеет длину больше двух метров. При таких габаритах и массе нужен станок с высоким крутящим моментом, жесткой конструкцией и большой грузоподъемностью, чтобы выдерживать серьезную нагрузку. Также на этом этапе будет сниматься основной слой металла, примерно 100 кг, а припуски достигнут 16 мм на сторону.

Имея такие вводные, для черновой обработки мы выбрали токарный станок ТС1640Ф3 с расстоянием между центрами 3000 мм.

Токарный станок ТС1640Ф3
Токарный станок ТС1640Ф3

Он полностью подходит под наши требования: надежный, мощный и уверенно работает с крупными деталями.

Обработка вагонной оси на токарном станке ТС1640Ф3
Обработка вагонной оси на токарном станке ТС1640Ф3
Обработка вагонной оси на токарном станке ТС1640Ф3
Обработка вагонной оси на токарном станке ТС1640Ф3
Обработка вагонной оси на токарном станке ТС1640Ф3
Обработка вагонной оси на токарном станке ТС1640Ф3

Кстати, специально под эту задачу станок был доработан. Конструкторский отдел разработал необходимые изменения, а производство изготовило и установило два новых узла.

Итак, подробнее об изменениях:

1. Два стружкосборника

-9

Все-таки вручную убирать около 100 кг стружки задача не из легких, да еще и с остановкой процесса. А с двумя помощниками обработка идет без пауз и заметно быстрее.

2. Дополнительная дверь

-10

Мы установили ее также по причине большого количества стружки. С таким препятствием она меньше разлетается по цеху, и работа становится комфортнее и безопаснее.

В конце черновой обработки оставляем припуск около 2 мм, чтобы затем перейти к чистовой обработке.

Этап 3. Чистовая обработка


Переходим к чистовой обработке. Формально ее можно было выполнить и на том же станке, но на этом этапе важны скорость, высокая точность и чистота поверхности до Ra 2,5.

Поэтому мы выбрали токарный обрабатывающий центр ТС1735Ф4, который как раз идеально подходит для таких задач.

Токарный обрабатывающий центр ТС1735Ф4
Токарный обрабатывающий центр ТС1735Ф4

На нем быстро снимается оставшийся припуск, выравнивается геометрия и достигается требуемое качество поверхности.

Обработка на токарном обрабатывающем центре ТС1735Ф4
Обработка на токарном обрабатывающем центре ТС1735Ф4
Токарный обрабатывающий центр ТС1735Ф4
Токарный обрабатывающий центр ТС1735Ф4

После обработки на токарном обрабатывающем центре ТС1735Ф4 эту ось ждут новые испытания в виде шлифования и накатки роликами поверхности для повышения предела выносливости. Но это уже другая история, которая продолжится на предприятии заказчика.

Свою задачу мы выполнили. Заготовка весом 520 кг и длиной чуть больше двух метров успешно прошла полный цикл: подготовка, черновая обработка, чистовая обработка.

Заключение

Почему мы выбрали именно эти станки?

По факту, такую ось можно было обработать на одном станке: либо на ТС1640Ф3, либо на ТС1735Ф4.

Напомню, первый хорош при силовой обработке и большом съеме металла, а второй отличается высокой точностью и чистотой поверхности.

Но у каждой из наших операций свои требования:

— черновая обработка — это тяжелое резание и большой съем металла

— чистовая обработка — скорость, точность и качество поверхности

Если вести весь процесс на одном станке, он будет либо слишком долго занят грубой работой, либо быстрее выйдет из строя из-за повышенной нагрузки. В итоге страдает и стабильность, и срок службы оборудования.

Поэтому разделение операций на два станка привело к правильному балансу и необходимому результату: ТС1640Ф3 взял на себя тяжелое черновое резание, а ТС1735Ф4 — скорость, точность и чистоту поверхности.

Хотите получить такое же эффективное решение для своего производства? Звоните нашим специалистам по телефону +7 (4822) 521-521.

Инжиниринг вагонной оси колесной пары в видеоформате смотрите здесь