Добавить в корзинуПозвонить
Найти в Дзене
IC

Protis Electronic Limited : XHT-950 , Буфер выхода 10 - канального вентилятора

характеристика Рабочая частота 4,8GHz Интегрированный стохастический дрожание 28 fs rms терминал ввода на пластине Двухканальный необязательный дифференциальный вход 3.3 Источник питания V Обзор XHT - 950 представляет собой сверхбыстрый динамический буфер, изготовленный по биполярному процессу из кремния - германия (SiGe). Устройство предназначено для высокоскоростных приложений, требующих низкой дрожания. Устройство обеспечивает два необязательных дифференциальных входа через контрольный вывод IN SEL. Оба входа оснащены центральным отводом, оба - центральным отводом, разностью и сопротивлением терминала на 100Ω пластине. Входной конец принимает LVPECL, CML, 3.3VCMOS (односторонний конец) и вход с переменным током 1,8VCMOS, LVDS и LVPECL. Вывод VREFx используется для обеспечения смещения входных данных с переменной связью. XHT - 950 имеет 10 выходных дисков с логикой связи с полностью качающимися эмиттерами (ECL). Выходная ступень предназначена для прямого привода 800 mV с каждой сторо

характеристика

Рабочая частота 4,8GHz

Интегрированный стохастический дрожание 28 fs rms

терминал ввода на пластине

Двухканальный необязательный дифференциальный вход

3.3 Источник питания V

Обзор

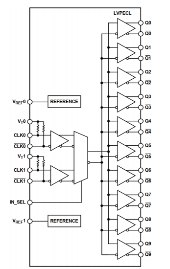
XHT - 950 представляет собой сверхбыстрый динамический буфер, изготовленный по биполярному процессу из кремния - германия (SiGe). Устройство предназначено для высокоскоростных приложений, требующих низкой дрожания. Устройство обеспечивает два необязательных дифференциальных входа через контрольный вывод IN SEL. Оба входа оснащены центральным отводом, оба - центральным отводом, разностью и сопротивлением терминала на 100Ω пластине.

Входной конец принимает LVPECL, CML, 3.3VCMOS (односторонний конец) и вход с переменным током 1,8VCMOS, LVDS и LVPECL. Вывод VREFx используется для обеспечения смещения входных данных с переменной связью.

XHT - 950 имеет 10 выходных дисков с логикой связи с полностью качающимися эмиттерами (ECL). Выходная ступень предназначена для прямого привода 800 mV с каждой стороны и подсоединения к VCC - 2 V через 50Ω Омега с общим дифференциальным выходным маятником 1.6 V.

XHT - 950 используется 40 - проводная упаковка LFCSP.

приложение

Распределение часов с низкой дрожанием

Восстановление часов и сигналов данных

Преобразование уровня

Беспроводная связь

Статья основана на модели data sheet на официальном сайте Protis Electronic Limited

Для получения дополнительной информации посетите официальный сайт Protis Electronic Limited : https://ru.protis-ic.com/

Купите прямо сейчас, пожалуйста, отправьте сообщение asst@protis-ic.com