Добавить в корзинуПозвонить
Найти в Дзене
Radio-любитель

Схемотехника прошлого к современной

Всех приветствую! Друзья, тут захотелось мне немного выразить мысли относительно схемотехники прошлого и настоящего — скажем прямо, буквально рассуждать вслух. Чуть ли не каждый раз, когда появляется новая схема на канале несколько иного формата, сразу начинается целая волна недовольства и критики. Создается впечатление, будто всё застряло на уровне схемотехники конца 70-х — начала 80-х годов прошлого века. Я вовсе никого не обвиняю и не осуждаю, ведь совершенно нормально использовать проверенные временем схемы, принятые ранее. Однако важно помнить, что сейчас мы живем в другом технологическом периоде, и стоит обратить внимание также на новейшие разработки последнего десятилетия. Хочу отметить одну важную вещь: схемотехника эволюционирует неравномерно, однако развитие продолжается непрерывно и неизменно движется вперёд. Если раньше основу составляли преимущественно радиолампы да транзисторы и пассивные компоненты, то сегодня главным компонентом большинства электронных устройств стали

Всех приветствую! Друзья, тут захотелось мне немного выразить мысли относительно схемотехники прошлого и настоящего — скажем прямо, буквально рассуждать вслух. Чуть ли не каждый раз, когда появляется новая схема на канале несколько иного формата, сразу начинается целая волна недовольства и критики. Создается впечатление, будто всё застряло на уровне схемотехники конца 70-х — начала 80-х годов прошлого века.

Я вовсе никого не обвиняю и не осуждаю, ведь совершенно нормально использовать проверенные временем схемы, принятые ранее. Однако важно помнить, что сейчас мы живем в другом технологическом периоде, и стоит обратить внимание также на новейшие разработки последнего десятилетия.

Хочу отметить одну важную вещь: схемотехника эволюционирует неравномерно, однако развитие продолжается непрерывно и неизменно движется вперёд. Если раньше основу составляли преимущественно радиолампы да транзисторы и пассивные компоненты, то сегодня главным компонентом большинства электронных устройств стали микросхемы, процессоры и микроконтроллеры. Нет никакого смысла цепляться исключительно за старые способы проектирования и построения схем, важно знакомиться с современными подходами и технологиями, применяемыми в настоящее время.

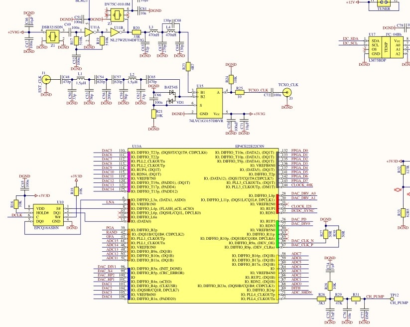
Фрагмент современой схемы узла трансивера
Фрагмент современой схемы узла трансивера

Возьмем хотя бы тему любительского радио: здесь в равной мере присутствуют сторонники как аналоговых решений, так и цифровых технологий. Даже несмотря на наличие множества любителей аналогового приема, нельзя отрицать тот факт, что большинство сегодняшних профессиональных трансиверов построено именно на аналого-цифровых преобразователях (АЦП) и управляемых микроконтроллерами системах обработки сигналов. Кстати говоря, особенно актуально использование цифровой техники в условиях плотной застройки городов, где уровень электромагнитных помех настолько высок, что принять сигнал на аналоговый аппарат становится весьма проблематично.

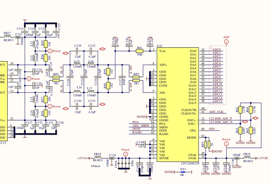
Фрагмент схемы АЦП
Фрагмент схемы АЦП

Ещё раз подчеркну: это всего лишь рассуждения, никоим образом не направленные на навязывание своей точки зрения кому-либо ещё. Просто хочу сказать следующее: если вы интересуетесь темой электроники, полезно познакомиться и составить мнение о современном подходе к проектированию схем.

Ну и еще часть схемы трансивера
Ну и еще часть схемы трансивера

Например, в статье публикую фрагменты принципиальной схемы трансивера, сборкой которого занимаюсь сейчас. Видите сами, там присутствует немало любопытных технических решений. Однако, чтобы разобраться в деталях и осознать принцип работы узлов, потребуется потратить определенное количество времени и проявить интерес. Гораздо легче бывает обсудить простую схему вроде диодного моста или лампового усилителя.

Конечно, понимаю вас, многие испытывают чувство ностальгии по временам молодости и старых добрых конструкций, которые собирали раньше. Порой и сам возвращаюсь мысленно туда, где начинался замечательный путь познания электроники и даже возникает желание собрать снова старую конструкцию. Ну вот на этом закончу, возможно, сумбурно, но полагаю понятно.

-4