Добавить в корзинуПозвонить
Найти в Дзене

Орион-128. Тестер для КР580ВВ51.

Всех приветствую! В предыдущей статье рассматривался тестер микросхемы КР580ВИ53. Как описывалось ранее, ВИ53 используется для тактирования ВВ51 и эти микросхемы обычно используют в паре. Но если использовать только одну скорость или, например, как в описываемом случае, две - 9600 и 38400, то можно обойтись и без ВИ53, используя тактовый генератор на счётчике К155ИЕ5, построив на нём делитель частоты на 6 и переключаясь между скоростями программно. Для проверки микросхемы КР580ВВ51 был разработан вот такой простой тестер: Тестирование заключается в передаче данных обратно в микросхему, а также передача управления контроля приёмо-передачей через управляющие выводы /RTS-/CTS и /DTR-/DSR на аппаратном уровне, которыми управляет сама микросхема. Как видно из схемы, тактирование происходит отдельным генератором без применения КР580ВИ53. При этом для работы доступны две скорости: 9600 и 38400. Переключение между ними происходит программно. Счётчик тактируется кварцевым генератором частотой 7

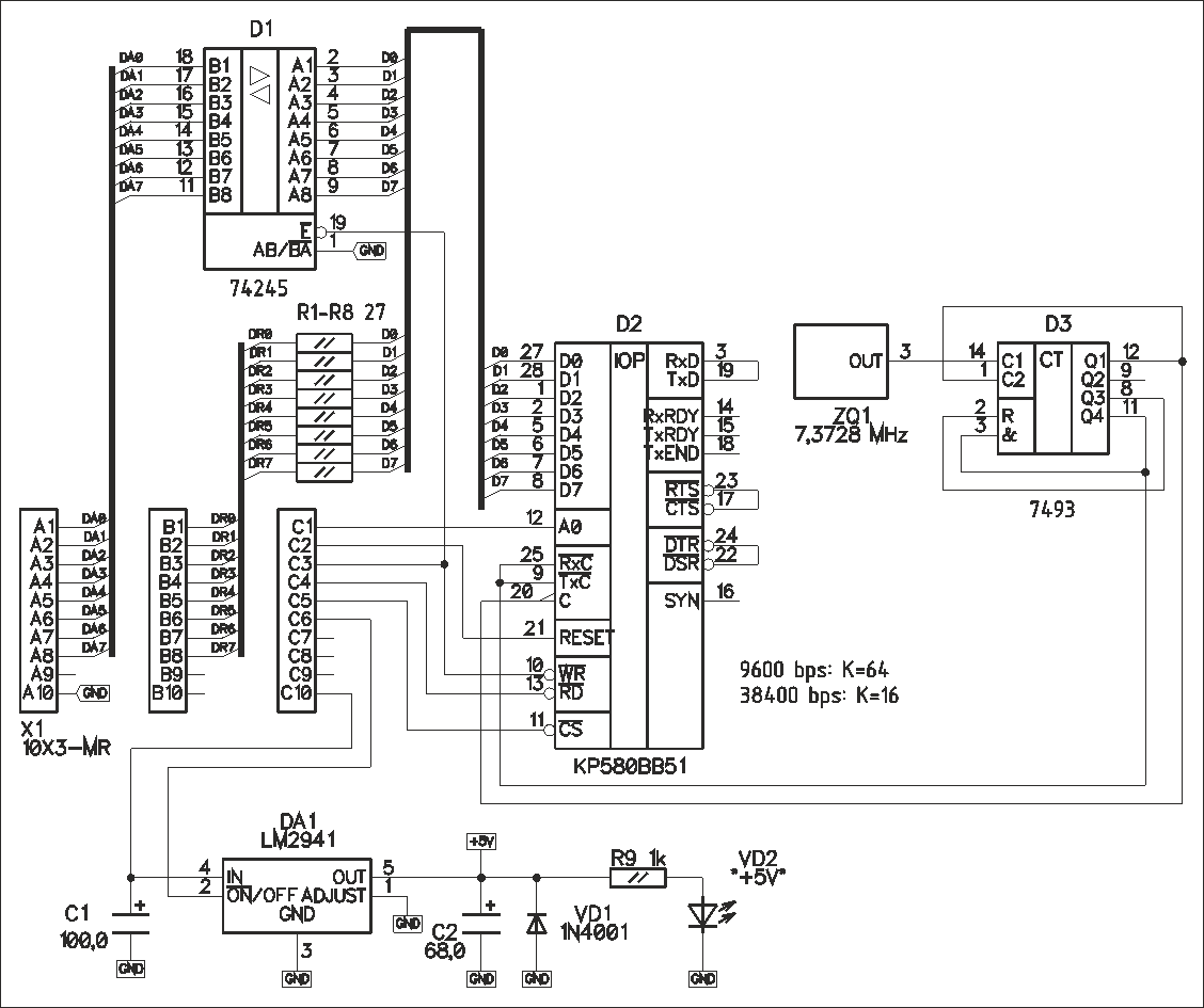
Всех приветствую!

В предыдущей статье рассматривался тестер микросхемы КР580ВИ53. Как описывалось ранее, ВИ53 используется для тактирования ВВ51 и эти микросхемы обычно используют в паре. Но если использовать только одну скорость или, например, как в описываемом случае, две - 9600 и 38400, то можно обойтись и без ВИ53, используя тактовый генератор на счётчике К155ИЕ5, построив на нём делитель частоты на 6 и переключаясь между скоростями программно.

Для проверки микросхемы КР580ВВ51 был разработан вот такой простой тестер:

Тестирование заключается в передаче данных обратно в микросхему, а также передача управления контроля приёмо-передачей через управляющие выводы /RTS-/CTS и /DTR-/DSR на аппаратном уровне, которыми управляет сама микросхема.

Как видно из схемы, тактирование происходит отдельным генератором без применения КР580ВИ53. При этом для работы доступны две скорости: 9600 и 38400. Переключение между ними происходит программно.

Счётчик тактируется кварцевым генератором частотой 7,3728 МГц, на выходе счётчика образуются две необходимые тактирующие частоты: 3,6864 МГц и 614 400 кГц. Многочисленные опыты показали, что отечественная КР580ВВ51 надёжно выдерживает такой такт, несмотря на то, что по техническим данным максмальная тактируемая частота составляет 3,125 МГц.

Микросхема D1 отключает выходные сигналы канала А от получаемых сигналов каналом В по сигналу /WR и это не создаёт коллизий в работе устройства. Резисторы R1-R8 предотвращают "встречу сигналов", когда при подключении устройства к компьютеру канал В может быть случайно настроен на выход.

Устройство имееет формат заглушки и подключается к порту /F600.

-2
-3

Проверяемую микросхему необходимо устанавливать после старта управляющей программы:

-4

После запуска программа настроит все необходимые режимы и начнёт тест.

Работа исправной микросхемы:

-5

Отправляемые данные = получаемым

Работа бракованой или отсутствующей микросхемы:

-6

Данные отправляются в никуда, в ответ считывается мусор.

Схему, программу и гербер печатной платы можно скачать по ссылке https://disk.yandex.ru/d/jgV0tCqCwHZexg

До новых встреч!