Добавить в корзинуПозвонить
Найти в Дзене
IC

Protis Electronic Limited : XHT7606 , 8-канальный DAS с встроенным 16-битным биполярным синхронным АDC (Альтернатива AD7606)

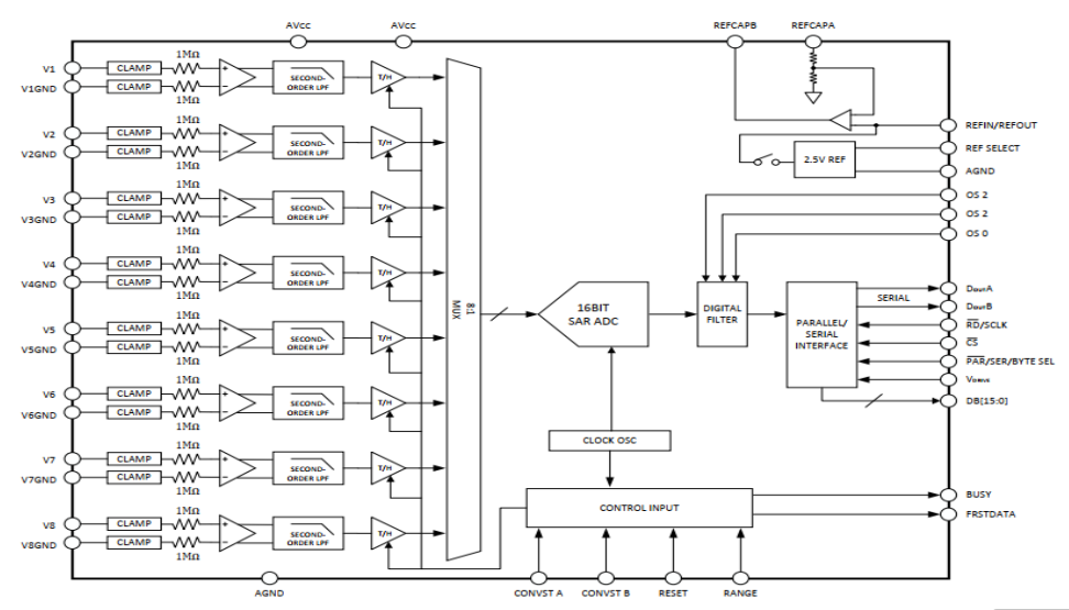
Краткое описание XHT7606 - это встроенная восьмиканальная синхронная система сбора данных (DAS). Включает в себя второй антигибридный фильтр, усилитель сопровождения, 16 - битный переключатель последовательного приближения модуля перераспределения заряда (ADC), гибкий цифровой фильтр, источник базового напряжения 2.5V, буфер базового напряжения и высокоскоростные последовательные и параллельные интерфейсы. Модель XHT7606, работающая на одном источнике питания 5V, может обрабатывать входные сигналы биполярности ±10V и ±5V, при этом все каналы могут отбирать образцы со скоростью до 200kSPS. Имитационное входное сопротивление XHT7606 составляет 1MΩ. Он работает с одним источником питания, имеет внутреннюю фильтрацию и высокое входное сопротивление и поэтому не требует привода операционного усилителя и внешнего биполярного источника питания. Внутренний антигибридный фильтр с частотой отсечения 3 дБ 22 кГц; Когда скорость отбора проб составляет 200 кСПС, он имеет характеристики подавления с

Краткое описание

XHT7606 - это встроенная восьмиканальная синхронная система сбора данных (DAS). Включает в себя второй антигибридный фильтр, усилитель сопровождения, 16 - битный переключатель последовательного приближения модуля перераспределения заряда (ADC), гибкий цифровой фильтр, источник базового напряжения 2.5V, буфер базового напряжения и высокоскоростные последовательные и параллельные интерфейсы.

Модель XHT7606, работающая на одном источнике питания 5V, может обрабатывать входные сигналы биполярности ±10V и ±5V, при этом все каналы могут отбирать образцы со скоростью до 200kSPS. Имитационное входное сопротивление XHT7606 составляет 1MΩ. Он работает с одним источником питания, имеет внутреннюю фильтрацию и высокое входное сопротивление и поэтому не требует привода операционного усилителя и внешнего биполярного источника питания. Внутренний антигибридный фильтр с частотой отсечения 3 дБ 22 кГц; Когда скорость отбора проб составляет 200 кСПС, он имеет характеристики подавления смешивания 40 дБ. Цифровой фильтр с приводом от штыря может улучшить отношение сигнала к шуму (SNR) и уменьшить пропускную способность 3dB.

особенность

8 - канальный синхронный отбор проб

Биполярный аналоговый входной диапазон: ±10V, ±5V

Полностью интегрированное решение для сбора данных

Второй антигибридный фильтр с входным сопротивлением 1 MΩ

Цифровой фильтр выполняет функцию отбора проб.

88dB SNR,-102dB THD

±1.5LSB INL, ±0,8LSB DNL

Гибкий параллельный / последовательный интерфейс

Низкое энергопотребление: 100 mW (типично)

Потребление энергии в режиме ожидания: 25 mW (типично)

Статья основана на модели data sheet на официальном сайте Protis Electronic Limited

Для получения дополнительной информации посетите официальный сайт Protis Electronic Limited : https://ru.protis-ic.com/

Купите прямо сейчас, пожалуйста, отправьте сообщение asst@protis-ic.com