Найти в Дзене

Орион-128. Тестер для КР580ВИ53.

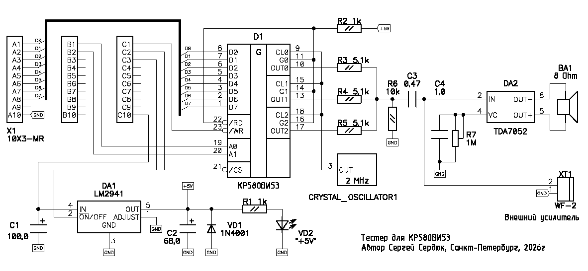
Всех приветствую! Среди микросхем серии 580 есть микросхема трёхканального таймера счётчика, который используют, в основном, для тактирования микросхемы последовательной приёмо-передачи данных КР580ВВ51 - это КР580ВИ53. Для этого используют один из её каналов. КР580ВИ53 сравнительно гибкая в настройке. Но функции КР580ВИ53 этим не ограничиваются. У неё несколько режимов работы и перенастраивать микросхему можно в любой момент времени. Также, каждый канал можно настраивать независимо от других двух и каждый канал будет выдавать свою тактовую частоту. Минимальная выходная частота - 30Гц. Максимальная 2МГц при условии тактирования 2МГц. Выходная частота получается при записи в управляющий регистр опредённого коэффициента. Коэффициент расчитывается по формуле: K = 2 000 000/желаемая_частота_в_герцах. Используя динамически меняющуюся частоту на выходе можно получить простой трёхголосый синтезатор. На основе этого и был собран данный тестер. Схема представлена ниже: КР580ВИ53 подключается

Всех приветствую!

Среди микросхем серии 580 есть микросхема трёхканального таймера счётчика, который используют, в основном, для тактирования микросхемы последовательной приёмо-передачи данных КР580ВВ51 - это КР580ВИ53. Для этого используют один из её каналов.

КР580ВИ53 сравнительно гибкая в настройке. Но функции КР580ВИ53 этим не ограничиваются. У неё несколько режимов работы и перенастраивать микросхему можно в любой момент времени.

Также, каждый канал можно настраивать независимо от других двух и каждый канал будет выдавать свою тактовую частоту.

Минимальная выходная частота - 30Гц. Максимальная 2МГц при условии тактирования 2МГц. Выходная частота получается при записи в управляющий регистр опредённого коэффициента. Коэффициент расчитывается по формуле:

K = 2 000 000/желаемая_частота_в_герцах.

Используя динамически меняющуюся частоту на выходе можно получить простой трёхголосый синтезатор. На основе этого и был собран данный тестер.

Схема представлена ниже:

КР580ВИ53 подключается к порту пользователя по адресу /F600, запитывается программно-управляемым ключом LM2941, а в качестве выходного усилителя применена простая микросхема усилителя TDA7052.

Вся схема собирается на печатной плате и имеет формат заглушки:

-2
-3

Громкость звука регулируется подстроечным резистором.

Малогабаритный динамик также монтируется на плате, что выглядит очень удобно при использовании устройства.

После сборки никакой наладки не требуется. Только лишь подстроить нужную громкость либо, если хочется, применить переменный резистор вместо подстроечного.

При включении режима тестирования динамик сразу издаёт частоту примерно 30 Гц. Клавишами 1-2, 3-4, 5-6 можно менять и слышать выходную частоту каждого из каналов, а также получить смесь частот, убедившись в работоспособности микросхемы.

Тестер также поддерживает мышь.

Работа тестера:

Материалы по сборке можно скачать здесь https://disk.yandex.ru/d/mvsrkHldVu7jtA

До новых встреч!