Добавить в корзинуПозвонить
Найти в Дзене
IC

Protis Electronic Limited : XHT8042 операционный усилитель(Альтернатива AD8042)

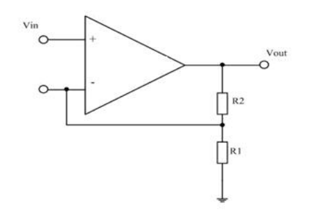
Краткое описание XHT8042 представляет собой монолитную интегральную схему, изготовленную с использованием дополнительного биполярного процесса. Внутренняя часть схемы состоит из двух высокоскоростных вычислительных усилителей, работающих независимо друг от друга, с высокой скоростью, высоким коэффициентом усиления, выходом от орбиты к орбите, внутренней компенсацией частоты и другими характеристиками. В пределах полной температуры, все еще может поддерживать хорошую пропускную способность, маятник давления и напряжение рассогласования, подходит для различных высокоскоростных приложений приема и обработки сигналов. Эта схема может эффективно заменить зарубежный аналог AD8042. особенность двухканальный высокоскоростной выход на рельсы Альтернатива компании ADI AD8042 Малый размер Низкое энергопотребление и высокая скорость работы: BW ≥ 120 MHz Рекомендуемые условия труда Электрическое напряжение (VCC): 5V Электрическое напряжение (VEE): -5V / 0V Диапазон входного напряжения: 0 ~ VCC -

Краткое описание

XHT8042 представляет собой монолитную интегральную схему, изготовленную с использованием дополнительного биполярного процесса. Внутренняя часть схемы состоит из двух высокоскоростных вычислительных усилителей, работающих независимо друг от друга, с высокой скоростью, высоким коэффициентом усиления, выходом от орбиты к орбите, внутренней компенсацией частоты и другими характеристиками. В пределах полной температуры, все еще может поддерживать хорошую пропускную способность, маятник давления и напряжение рассогласования, подходит для различных высокоскоростных приложений приема и обработки сигналов. Эта схема может эффективно заменить зарубежный аналог AD8042.

особенность

двухканальный высокоскоростной выход на рельсы

Альтернатива компании ADI AD8042

Малый размер

Низкое энергопотребление и высокая скорость работы: BW ≥ 120 MHz

Рекомендуемые условия труда

Электрическое напряжение (VCC): 5V

Электрическое напряжение (VEE): -5V / 0V

Диапазон входного напряжения: 0 ~ VCC - 2 V

Температура рабочей среды (T A): - 55°C ~ 125°C

Статья основана на модели data sheet на официальном сайте Protis Electronic Limited

Для получения дополнительной информации посетите официальный сайт Protis Electronic Limited : https://ru.protis-ic.com/

Купите прямо сейчас, пожалуйста, отправьте сообщение asst@protis-ic.com