Добавить в корзинуПозвонить
Найти в Дзене
ФЛЮМТЭК - FLUMTEC

Wilo DrainLift — напорные установки для отвода сточных вод

Когда санитарные приборы или технические помещения расположены ниже уровня канализации, самотёчный отвод стоков становится невозможным. В таких случаях применяются напорные установки, которые принудительно перекачивают сточные воды в канализационную сеть. Wilo DrainLift — это серия готовых напорных установок для сбора и перекачивания сточных вод в жилых, коммерческих и промышленных зданиях. Оборудование позволяет организовать надёжный отвод стоков ниже уровня обратного подпора и широко используется при проектировании подвальных и цокольных помещений. В поиске такие решения часто называют по-разному — как насос Wilo DrainLift или установка Wilo DrainLift. На практике речь идёт об одном классе оборудования — комплектных напорных канализационных установках. Напорная установка Wilo DrainLift представляет собой заводской инженерный комплекс, включающий герметичный накопительный резервуар, один или два погружных насоса и автоматическую систему управления. Сточные воды поступают в резервуар,
Оглавление

Когда санитарные приборы или технические помещения расположены ниже уровня канализации, самотёчный отвод стоков становится невозможным. В таких случаях применяются напорные установки, которые принудительно перекачивают сточные воды в канализационную сеть.

Wilo DrainLift — это серия готовых напорных установок для сбора и перекачивания сточных вод в жилых, коммерческих и промышленных зданиях. Оборудование позволяет организовать надёжный отвод стоков ниже уровня обратного подпора и широко используется при проектировании подвальных и цокольных помещений.

В поиске такие решения часто называют по-разному — как насос Wilo DrainLift или установка Wilo DrainLift. На практике речь идёт об одном классе оборудования — комплектных напорных канализационных установках.

Назначение и принцип работы Wilo DrainLift

Напорная установка Wilo DrainLift представляет собой заводской инженерный комплекс, включающий герметичный накопительный резервуар, один или два погружных насоса и автоматическую систему управления.

Сточные воды поступают в резервуар, где накапливаются до достижения заданного уровня. После этого автоматика включает насос, и стоки перекачиваются в напорный трубопровод, расположенный выше уровня обратного подпора канализационной сети. По мере опорожнения резервуара насос автоматически отключается.

Сточные воды
Сточные воды

Такой принцип работы обеспечивает полностью автономную эксплуатацию оборудования и делает установку оптимальным решением для подвальных и цокольных помещений, где классическая самотёчная канализация технически невозможна.

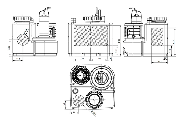
Конструктивные особенности установок Wilo DrainLift

Все установки Wilo DrainLift выполнены по единой инженерной концепции, что упрощает монтаж, обслуживание и подбор оборудования.

Базовая конструкция включает:

  • Герметичный резервуар из полиэтилена (PE)
  • Встроенный погружной насос или два насоса
  • Рабочее колесо из армированного полимера PP-GF30
  • Вал и корпус электродвигателя из нержавеющей стали
  • Автоматическую систему управления с поплавковыми датчиками
  • Вентиляционный патрубок Ø50 или Ø75
  • Приточные и напорные подключения DN 80 / DN 100 / DN 150

После рассмотрения конструкции логично перейти к типам сточных вод, так как именно они напрямую влияют на выбор конкретной серии.

Какие сточные воды перекачивают установки Wilo DrainLift

Напорные установки DrainLift предназначены для перекачивания бытовых и фекальных сточных вод, образующихся в жилых, коммерческих и общественных зданиях.

В зависимости от серии оборудование может работать как с фекальными стоками, так и с загрязнёнными бытовыми водами, содержащими твёрдые включения в пределах допустимого свободного прохода рабочего колеса. Допустимая температура стоков составляет от 3 до 40 °C, кратковременно до 65 °C.

Свободный проход рабочего колеса 44 мм или 65 мм снижает риск засоров и обеспечивает стабильную работу системы. Это особенно важно при эксплуатации в ресторанах, общественных зданиях и многоквартирных домах. Для специальных условий предусмотрены исполнения, рассчитанные на работу с агрессивными жидкостями.

Wilo DrainLift SANI-S — компактные санитарные установки

Серия DrainLift SANI-S предназначена для локального отвода сточных вод от отдельных санитарных приборов и инженерных точек.

Инженерные особенности SANI-S:

  • Один встроенный погружной насос
  • Компактный резервуар объёмом около 25–30 л
  • Режим работы S3-10%
  • Температура стоков 3…40 °C, кратковременно до 65 °C
  • Свободный проход до 44 мм
  • Подключение 1~230 В или 3~400 В
  • Масса порядка 28–29 кг
Установка DrainLift SANI-S
Установка DrainLift SANI-S

Такие установки применяются в частных домах, небольших офисах и коммерческих помещениях. Серия часто встречается в запросах wilo drainlift sani и востребована при реконструкции канализации.

Wilo DrainLift SANI-M — универсальные установки среднего класса

DrainLift SANI-M — универсальное решение для объектов со средним объёмом сточных вод, где возможностей компактных санитарных установок уже недостаточно.

Инженерные особенности SANI-M:

  • Один погружной насос
  • Объём резервуара около 112 л
  • Объём включения порядка 53 л
  • Режим работы S1 или S3
  • Допустимая температура стоков до 65 °C
  • Свободный проход до 65 мм
  • Подключения DN 80 / DN 100 / DN 150
  • Масса около 50–51 кг
Установка DrainLift SANI-M
Установка DrainLift SANI-M

Эти установки чаще всего используются в ресторанах, кафе, медицинских кабинетах, фитнес-центрах и офисных зданиях, где характерны переменные нагрузки и кратковременные пиковые притоки сточных вод.

Wilo DrainLift SANI-L — двухнасосные установки повышенной надёжности

Серия Wilo DrainLift SANI-L относится к профессиональным напорным установкам и предназначена для эксплуатации в условиях повышенной нагрузки и неконтролируемого притока сточных вод.

Инженерные особенности SANI-L:

  • Двухнасосная схема
  • Объём резервуара около 137 л
  • Режим работы S1 или S3
  • Свободный проход 44 мм или 65 мм
  • Подключения DN 80 / DN 100 / DN 150
  • Масса в диапазоне 70–80 кг
Установка DrainLift SANI-L
Установка DrainLift SANI-L

Двухнасосная схема обеспечивает равномерный износ оборудования и стабильную работу системы. Именно эта серия чаще всего рассматривается при запросах насос wilo drainlift и установка wilo drainlift для многоквартирных и коммерческих объектов.

Wilo DrainLift SANI-XL — максимальная производительность

Серия Wilo DrainLift SANI-XL — верхний сегмент линейки DrainLift, рассчитанный на большие объёмы сточных вод и высокую эксплуатационную нагрузку.

Инженерные особенности SANI-XL:

  • Двухнасосная схема
  • Увеличенный объём резервуара до 375 л
  • Объём включения до 162 л
  • Рабочий режим S1
  • Максимальный напор до 23 м
  • Производительность до 80 м³/ч
  • Масса порядка 98 кг
Установка DrainLift SANI-XL
Установка DrainLift SANI-XL

Такие установки применяются в торговых центрах, гостиницах, промышленных зданиях и на объектах с нестабильным притоком сточных вод, где требуется высокая надёжность и длительная непрерывная работа.

После выбора подходящей серии напорной установки важно учитывать требования к монтажу. Именно корректная установка, организация вентиляции и напорной линии во многом определяют стабильность работы оборудования и срок службы насосов.

Установка Wilo DrainLift — основные требования

Установка Wilo DrainLift выполняется в отапливаемых помещениях с обязательным обеспечением доступа для обслуживания оборудования. Необходимыми условиями являются корректное подключение вентиляционного трубопровода, а также правильное устройство напорной линии с обратным клапаном, предотвращающим обратный ток сточных вод. При проектировании установки учитываются уровень обратного подпора канализационной сети, диаметр напорного трубопровода, предполагаемый режим работы оборудования, а также объём и характер сточных вод. Соблюдение этих требований обеспечивает стабильную и прогнозируемую работу установки и позволяет увеличить срок службы насосного оборудования.

Как выбрать Wilo DrainLift под конкретный объект

Подбор установки Wilo DrainLift начинается с анализа условий эксплуатации. Для отдельных санитарных приборов достаточно серии SANI-S, при увеличении объёма сточных вод рационально рассматривать SANI-M.

Если объект характеризуется неконтролируемым притоком стоков или повышенными требованиями к надёжности, оптимальным выбором становятся двухнасосные установки SANI-L или SANI-XL. При этом учитываются расчётный расход, напор, режим работы и необходимость резервирования насосов.

При подборе оборудования и работе с проектной документацией пользователи нередко сталкиваются с обозначениями, которые отсутствуют в актуальных каталогах. Чтобы избежать путаницы, имеет смысл отдельно пояснить происхождение и значение таких маркировок.

Серии и обозначения: KH, KH 32, XS-F, CON, TMP

При поиске напорных установок пользователи часто сталкиваются с обозначениями wilo drainlift kh, kh 32, kh 32 0.4, xs-f, con, tmp. Эти названия встречаются в старых каталогах и проектной документации.

Обозначения KH и KH 32 относятся к ранним версиям компактных установок с напорным трубопроводом малого диаметра, как правило DN 32. Маркировка KH 32 0.4 обычно указывала диаметр напорного патрубка и мощность электродвигателя около 0,4 кВт.

Обозначение XS-F использовалось для компактных установок, которые по своим задачам соответствуют современной серии SANI-S.
Маркировки CON и TMP связаны с типом управления, комплектацией или особенностями поставки. В актуальной линейке эти функции реализованы в стандартных шкафах управления серий SANI.

Область применения напорных установок Wilo DrainLift

Частные дома и коттеджи

Напорные установки используются для отвода сточных вод от подвальных и цокольных помещений — санузлов, душевых, прачечных и технических зон, расположенных ниже уровня самотёчного коллектора / уровня канализационной сети. Такое решение позволяет рационально использовать подвальное пространство без сложной реконструкции канализационных сетей.

Частные дома
Частные дома

Многоквартирные жилые дома

В многоквартирных домах насосы Wilo DrainLift применяются для отвода сточных вод из подвальных помещений и инженерных зон с неравномерным и неконтролируемым притоком стоков. Это особенно важно для объектов с высокой плотностью эксплуатации и одновременной работой нескольких санитарных точек.

Многоквартирные жилые дома
Многоквартирные жилые дома

Коммерческие объекты

Рестораны, кафе, фитнес-центры, офисные и торговые здания используют установки для организации канализации в помещениях ниже уровня сети, где характерны переменные и пиковые нагрузки. Оборудование рассчитано на интенсивную эксплуатацию и устойчиво к изменяющемуся режиму работы.

Коммерческие объекты
Коммерческие объекты

Промышленные и инфраструктурные здания

В сервисных и технических зонах промышленных объектов напорные установки Wilo DrainLift применяются там, где важны высокая производительность, автоматическая работа и устойчивость к длительным нагрузкам. Такие установки позволяют организовать отвод сточных вод без изменения существующей планировки инженерных систем.

Промышленные здания
Промышленные здания

Вывод

Wilo DrainLift — универсальная линейка напорных установок для отвода сточных вод в условиях, где самотёчный отвод невозможен. Чёткая градация серий по назначению и производительности позволяет подобрать оптимальное решение под конкретные условия эксплуатации.

Для корректного подбора оборудования имеет смысл ориентироваться на реальные параметры системы и требования объекта — именно такой подход обеспечивает надёжную и долговечную работу установки.