Найти в Дзене
Шарапов Механик

Хроники искореженного металла. Выпуск 35.

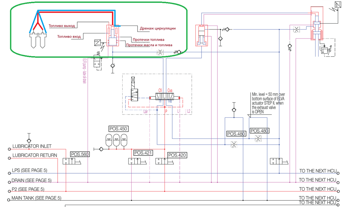
🔴Рандомайзер отключения цилиндров. Судно работало в зоне ECA (Emission Control Area) на одном из дистиллятных сортов горючки. Вышли из ЕСА зоны, вернулись обратно на нормальный тяжелый топляк (все как мы любим). Вот только после перехода на тяжелое топливо первый и седьмой цилиндры работать отказались. Смотри на Рисунок 1, там скриншот с панели управления и заметная просадка по температуре выпускных газов на цилиндрах 1 и 7. Механики попытались поднять давление в системе циркуляции топлива, что, удивительно, но вернуло к жизни первый цилиндр. Седьмой «на работу» так и не вышел… Двигатель серии МЕ - это, на сегодняшний день, самый совершенный судовой дизель от производителя MAN Energy Solutions, а далее по маркировке идет серийное разнообразие, МЕ-В, МЕ-С, GI,... Топливная система на всей серии для работы на конвенциональном топливе одинакова с незначительными различиями. Давай посмотрим. Жмякай на "Рисунок 2", нас интересует лишь то, что заключено в зеленую рамку. Топливо в ТНВД (топл
Оглавление
Рисунок 1.
Рисунок 1.

🔴Рандомайзер отключения цилиндров.

🟢Ситуация

Судно работало в зоне ECA (Emission Control Area) на одном из дистиллятных сортов горючки. Вышли из ЕСА зоны, вернулись обратно на нормальный тяжелый топляк (все как мы любим). Вот только после перехода на тяжелое топливо первый и седьмой цилиндры работать отказались. Смотри на Рисунок 1, там скриншот с панели управления и заметная просадка по температуре выпускных газов на цилиндрах 1 и 7. Механики попытались поднять давление в системе циркуляции топлива, что, удивительно, но вернуло к жизни первый цилиндр. Седьмой «на работу» так и не вышел…

🟢Топливная система двигателя МАН сери МЕ

Двигатель серии МЕ - это, на сегодняшний день, самый совершенный судовой дизель от производителя MAN Energy Solutions, а далее по маркировке идет серийное разнообразие, МЕ-В, МЕ-С, GI,...

Топливная система на всей серии для работы на конвенциональном топливе одинакова с незначительными различиями. Давай посмотрим.

Рисунок 2. Топливная система двигателя МАН серии МЕ.
Рисунок 2. Топливная система двигателя МАН серии МЕ.

Жмякай на "Рисунок 2", нас интересует лишь то, что заключено в зеленую рамку. Топливо в ТНВД (топливный бустер в случае с МАН МЕ) циркулирует при помощи специальных насосов (на схеме не обзоначены: обозначены вход и выход топлива). Гидравлически управляемый топливный бустер подает топливо в форсунки. При этом топливо через форсунки циркулирует тоже, а та его часть, что не попадает в цилиндр, отводи тся в "дренаж циркуляции". Система, на самом деле, очень простая.

Теперь главное - форсунка.

Рисунок 3. Топливная форсунка двигателя МАН серии МЕ.
Рисунок 3. Топливная форсунка двигателя МАН серии МЕ.

Форсуночки МАН всегда отличались своей конструкцией от каких-либо еще, но такая сложность оправдывается функционалом. Желтым цветом я обвел невозвратный клапан, через который топливо циркулирует при низком давлении. В полость, обозначенную красным, топливо поступает из топливного бустера, в полость, обозначенную синим, топливо просачивается через специальные циркуляционные отверстия и отводится в циркуляционную систему через дренаж. Когда топливный бустер нагнетает топливо под высоким давлением в форсунку, циркуляционный клапан закрывается и топливо поступает к распылителю, при достижении установленного давления клапан распылителя открывается и топливо поступает в цилиндр. Вроде просто.

🟢Так, в чем проблема

Топливо явно не поступало в седьмой цилиндр, судя по очень низкой температуре выпускных газов за ним. Механики заменили топливный бустер (вероятно, были мысли о подвисании его плунжера, исходя из анализа сигналов аварийно-предупредительной сингализации).

Рисунок 4. Список сигналов на МОП мониторе (панели управления двигателем).
Рисунок 4. Список сигналов на МОП мониторе (панели управления двигателем).

Сигналы говорили о слишком малом ходе плунжера топливного бустера (он же плунжер ТНВД).

После замены бустера цилиндр ожил на некоторе время, но опять "потух". После этого был заменен гидравлический распределитель FIVA - клапан, управляющий топливным бустером. Безрезультатно.

А что с форсунками? Заменили-ли их? Да, заменили две, а третью выдернуть не смогли... Думай! Я не догадался...

🟢Причина

Рисунок 5. Носик топливной форсунки, что удалось демонтировать позже.
Рисунок 5. Носик топливной форсунки, что удалось демонтировать позже.

Проблемную форсунку демонтировать удалось при помощи самодельного устройства с гидравлическим приводом (тут только насилие, только грубая сила). Выглядит она плохо, часть металла отсутствует, сопла закоксованы.

Оказывается, что вся эта сложная конструкция при определенных обстоятельствах может подвиснуть в открытом состоянии, что откроет путь газам из цилиндра ( а позже просто воздуху, ведь цилиндр не работал) попадать в топливную систему. Почему не работали все три форсунки цилиндра? Ответ на Рисунке 6.

Рисунок 6. Топливная арматура двигателя МАН серии МЕ.
Рисунок 6. Топливная арматура двигателя МАН серии МЕ.

Все дело в общем топливном блоке, что на Рисунке 6 обозначен жетым цветом. Спустя какое-то количество "холостых" циклов вся система высокого давления оказалась завоздушеной, включая топливный бустер. Он сходил с ума, потому как пытался качать воздух в форсунки, форсунки топливо не подавали в цилиндр, потому как его не было в трубах высокого давления, а все из-за одной подвисшей форуснки.

Почему "пришел в себя" первый цилиндр? Видимо, слайдер форсунки все-таки отлип и арматура продолжила работать штатно.

Спасибо! Больше случаев "Искореженного металла" ТУТ!