Найти в Дзене
Мастер на Дом

Как правильно провести электропроводку в квартире

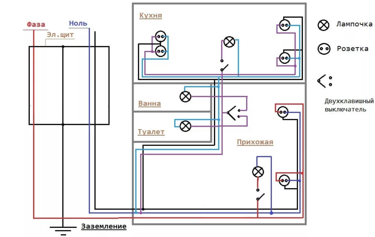
К прокладке электропроводки часто относятся как к технической формальности, особенно если ремонт делается «для себя». Провода скрываются в стенах, розетки ставятся на глаз, а расчёт нагрузки откладывается на потом. Проблемы появляются уже после заселения: выбивает автоматы, нагреваются розетки, не хватает точек подключения, а любое сверление стены превращается в риск. Ошибки при прокладке электропроводки редко заметны сразу. Неправильное сечение кабеля, хаотичная разводка, отсутствие отдельных линий под технику — всё это может привести к перегреву, короткому замыканию и дорогостоящей переделке. Особенно часто такие ситуации возникают при самостоятельных работах без чёткого плана и понимания, как правильно проводить электропроводку в квартире. В статье мы подробно разобрали, как правильно проложить электропроводку, с чего начинать планирование, какие решения считаются безопасными и в каких случаях электропроводку в квартире можно провести своими руками, а когда лучше не рисковать. Матер

К прокладке электропроводки часто относятся как к технической формальности, особенно если ремонт делается «для себя». Провода скрываются в стенах, розетки ставятся на глаз, а расчёт нагрузки откладывается на потом. Проблемы появляются уже после заселения: выбивает автоматы, нагреваются розетки, не хватает точек подключения, а любое сверление стены превращается в риск.

Ошибки при прокладке электропроводки редко заметны сразу. Неправильное сечение кабеля, хаотичная разводка, отсутствие отдельных линий под технику — всё это может привести к перегреву, короткому замыканию и дорогостоящей переделке. Особенно часто такие ситуации возникают при самостоятельных работах без чёткого плана и понимания, как правильно проводить электропроводку в квартире.

-2

В статье мы подробно разобрали, как правильно проложить электропроводку, с чего начинать планирование, какие решения считаются безопасными и в каких случаях электропроводку в квартире можно провести своими руками, а когда лучше не рисковать. Материал будет полезен тем, кто делает ремонт с нуля или задумывается о полной замене проводки.