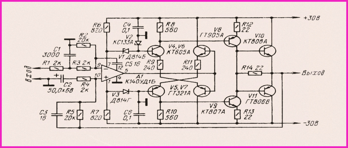
В данной статье рассматривается схема термостабильного усилителя, способного выдавать мощность до 30 Вт на нагрузке 8 Ом. Устройство отличается низким коэффициентом гармоник (0,5%), высокой чувствительностью (1,5 В) и отличной температурной стабильностью.
Данная схема УНЧ представляет собой сбалансированное решение для построения качественного аудиоусилителя с мощностью 30 Вт. Сочетание
В данной статье рассматривается схема термостабильного усилителя, способного выдавать мощность до 30 Вт на нагрузке 8 Ом. Устройство отличается низким коэффициентом гармоник (0,5%), высокой чувствительностью (1,5 В) и отличной температурной стабильностью.
Данная схема УНЧ представляет собой сбалансированное решение для построения качественного аудиоусилителя с мощностью 30 Вт. Сочетание
...Читать далее
Оглавление
- Прикольный усь, собирал но так и не завел его, не было подходящего питания, собирал моно, где-то лежит в гараже, а может и выбросил!? Схему собирал в 1990 году, хотелось бы узнать ваше мнение
- Термостабильный усилитель низкой частоты мощностью 30 Вт на нагрузке 8 Ом
- Схема УНЧ состоит из нескольких каскадов, каждый из которых выполняет свою функцию:
Прикольный усь, собирал но так и не завел его, не было подходящего питания, собирал моно, где-то лежит в гараже, а может и выбросил!? Схему собирал в 1990 году, хотелось бы узнать ваше мнение
Термостабильный усилитель низкой частоты мощностью 30 Вт на нагрузке 8 Ом
В данной статье рассматривается схема термостабильного усилителя, способного выдавать мощность до 30 Вт на нагрузке 8 Ом. Устройство отличается низким коэффициентом гармоник (0,5%), высокой чувствительностью (1,5 В) и отличной температурной стабильностью.
- Номинальный диапазон частот: 20-20 000 Гц.
- Выходная мощность: 30 Вт (на нагрузке 8 Ом).
- Коэффициент гармоник: 0,5%.
- Чувствительность: 1,5 В.
- Фазовый сдвиг в номинальном диапазоне частот: 10 градусов.
- Коэффициент подавления пульсаций питающих напряжений: не менее 55 дБ.
Схема УНЧ состоит из нескольких каскадов, каждый из которых выполняет свою функцию:
- Первый каскад (на ОУ А1, К140УД1Б):
сигнал поступает на инвертирующий вход операционного усилителя через фильтр верхних частот (ФВЧ) R1-C1-R3 с частотой среза 20 кГц;
для сохранения параметров ФВЧ выходное сопротивление предварительного усилителя должно быть = 200 Ом;
соединение с входом усилителя мощности осуществляется через электролитический конденсатор ёмкостью 10 мкФ.
- Двухтактный каскадный усилитель (ОЭ-ОБ) на транзисторах V6, V5, V7, V4:
выполняет функции фазоинвертора и генератора стабильных токов смещения для транзисторов подоконечного каскада;
частота среза - 4,7 МГц.
- Предоконечный каскад (на транзисторах V8, V9):
собран на транзисторах разной структуры;
охвачен местными отрицательными обратными связями (ООС) по току (резисторы R12, R13 в цепях эмиттеров);
- термостабилизирующее действие ООС совместно со стабильными токами смещения базовых цепей обеспечивает высокую температурную стабильность;
ток покоя транзисторов V8, V9 - около 30 мА (при +60 °C увеличивается до 50 мА);
частота среза - 130 кГц.
- Выходной каскад (эмиттерный повторитель, транзисторы V10, V11):
частота среза - около 1 402 кГц;
для снижения искажений типа "ступенька" (характерных для режима В) введён резистор R14;
R14 соединяет нагрузку с выходом линейного предоконечного каскада при малых уровнях сигнала (когда транзисторы V10, V11 закрыты).
Особенности конструкции
- Термостабильность: достигается за счёт:
- местных ООС по току в предоконечном каскаде;
- стабильных токов смещения в базовых цепях транзисторов V8, V9.
- Фильтрация и согласование:
- ФВЧ на входе ограничивает высокочастотные помехи;
- электролитический конденсатор обеспечивает корректную передачу сигнала на вход усилителя мощности.
- Широкий частотный диапазон: каждый каскад оптимизирован для работы в определённом диапазоне частот, что обеспечивает равномерное усиление от 20 Гц до 20 кГц.
- Низкие искажения: коэффициент гармоник всего 0,5% достигается за счёт:
- качественного согласования каскадов;
- применения ООС;
- тщательного подбора режимов работы транзисторов.
Питание и требования к компонентам
- Питание: двуполярный нестабилизированный выпрямитель с ёмкостным фильтром, напряжение ±30 В, ток нагрузки = 1 А.
- Операционный усилитель: К140УД1Б (коэффициент усиления напряжения ≥ 2000).
- Транзисторы каскадного усилителя: должны иметь:
- предельно допустимое напряжение эмиттер-коллектор =30 В;
- граничную частоту = 40 МГц.
- Возможные замены: вместо ГТ321А можно использовать КТ626 (А, Б, В).
- Транзисторы оконечного каскада (V10, V11):
- статический коэффициент передачи тока = 50;
- рекомендуется подбор пар транзисторов для симметричности плеч усилителя.
- Рекомендации по замене германиевых транзисторов:
- ГТ905А → КТ814Г;
- ГТ806В → КТ816Г (для улучшения симметричности и стабильности).
Преимущества схемы
- Высокая термостабильность - сохранение параметров при изменении температуры.
- Низкие искажения - коэффициент гармоник всего 0,5%.
- Широкий диапазон частот - от 20 Гц до 20 кГц.
- Простота питания - достаточно нестабилизированного источника ±30 В.
- Возможность замены компонентов - допускает использование аналогов с подходящими характеристиками.
Данная схема УНЧ представляет собой сбалансированное решение для построения качественного аудиоусилителя с мощностью 30 Вт. Сочетание термостабильности, низких искажений и широкого диапазона частот делает её актуальной для использования в аудиотехнике, системах домашнего кинотеатра и профессиональных аудиосистемах. При правильной сборке и подборе компонентов устройство обеспечит высокое качество звука и надёжную работу в различных условиях эксплуатации. Приятного общения.