Найти в Дзене

Орион-128. Тестер для КР580ВК28(38).

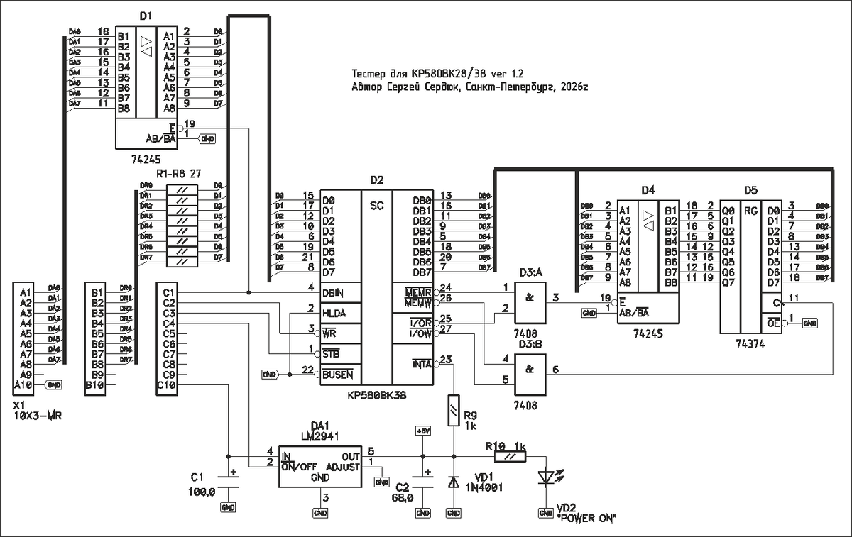
Всех приветствую! Все тестирующие устройства рассчитаны на массовую проверку, когда в загашниках лежат целые коробки комплектующих, плюс не всегда есть возможность проверить сложную микросхему в работающем экземпляре компьютера. Одна из таких микросхем - это КР580ВК28(38). Это шинный формирователь и системный контроллер, разделяющий работу команд микропроцессора LDA/STA и IN/OUT, а также способный заставить процессор КР580ВМ80А выполнить прерывание и выдать при этом сигнал подтверждения прерывания /INTA для управления, например, контроллером прерываний КР580ВН59. Одним словом - весьма полезная микросхема. Так вот данный тестер, подключающийся к компьютеру Орион-128, способен проверить данную микросхему на работоспособность, эмулируя работу микропроцессорной системы, с которой бы могла работать КР580ВК28(38) (далее по тексту - ВК28). Схема тестера приведена ниже: Тестер подключается к Ориону через порт пользователя /F600 разъёмом Х1. Один канал порта (канал А) настраивается на вывод, вт

Всех приветствую!

Все тестирующие устройства рассчитаны на массовую проверку, когда в загашниках лежат целые коробки комплектующих, плюс не всегда есть возможность проверить сложную микросхему в работающем экземпляре компьютера. Одна из таких микросхем - это КР580ВК28(38). Это шинный формирователь и системный контроллер, разделяющий работу команд микропроцессора LDA/STA и IN/OUT, а также способный заставить процессор КР580ВМ80А выполнить прерывание и выдать при этом сигнал подтверждения прерывания /INTA для управления, например, контроллером прерываний КР580ВН59. Одним словом - весьма полезная микросхема.

Так вот данный тестер, подключающийся к компьютеру Орион-128, способен проверить данную микросхему на работоспособность, эмулируя работу микропроцессорной системы, с которой бы могла работать КР580ВК28(38) (далее по тексту - ВК28).

Схема тестера приведена ниже:

Тестер подключается к Ориону через порт пользователя /F600 разъёмом Х1.

Один канал порта (канал А) настраивается на вывод, второй - канал В - на ввод, а третий - канал С - младшей своей половинкой на вывод.
Микросхема D1 является "замком" для канала А. Во время записи информации в ВК28 сигнал DBIN имеет низкий уровень, поэтому разрешает прохождение информации от канала А порта на ВК28. При чтении информации сигнал DBIN имеет высокий уровень и запирает D1, и в этом случае информация передается через канал В. Резисторы R1-R8 являются защитой от ситуации, когда порт пользователя может быть настроен на вывод и выходные сигналы от D1 или D2 ВК28 не встретились с выходными сигналами канала В.
Регистр D5 74374 (отечественный аналог ИР23) играет роль ячейки памяти или внешнего устройства, в которую записывается или считывается информация. Чтобы и здесь не было коллизии по встречным сигналам данных, применяется буферная микросхема 74245 (отечественный аналог АП6). Чтение из регистра D5 происходит сигналами MEMR и I/OR микросхемы ВК28 через буферный элемент D4 74245.
Выход сигнал /INTA подтянут к питанию +5В и поэтому проверить работу с прерываниями можно только в одном случае: эмуляция только одной команды RST7 (код FFh).
Ключ LM2941 управляет подачей питания. Светодиод VD1 сигнализирует о том, что на схему подано питание +5В.

Для данного тестера была разработана печатная плата и написана управляющая программа.

Плата разработана таким образом, чтобы можно было установить рычажную панель с нулевым усилием типа ZIF-28.

-2

Собранное устройство выглядит так:

-3

И подключается к компьютеру так:

-4

Управляющая программа написана на ассемблере версии 2.7 из пакета операционной системы DSDOS (автор Денис Соловьёв, г.Санкт-Петербург) и работает как под операционной системой DSDOS, так и ОРДОС.
В начале работы с тестером тестируемую ВК28 не нужно вставлять в панель. Нужно сперва подключить его к компьютеру, запустить управляющую программу и уже по запросу вставлять микросхему в панель.

Результаты работы отсутствующей или неисправной ВК28, либо если она бракованная:

-5

Результаты работы исправной ВК28:

-6

Схему в формате PDF и герберы для изготовления печатной платы можно скачать по ссылке https://disk.yandex.ru/d/5c1I1pLaXAZQiw

До новых встреч!