Найти в Дзене

Микроконтроллеры Optimal+ отечественной компании НТЦ «Модуль»

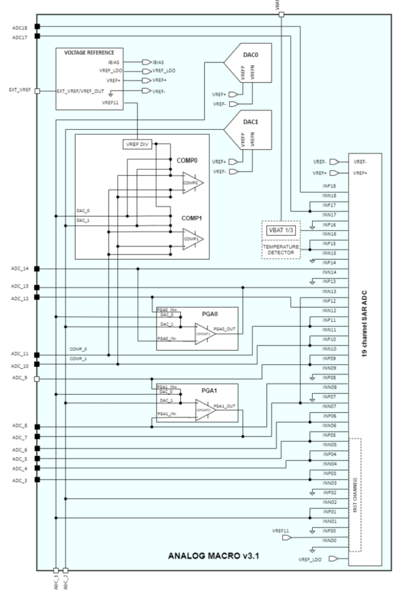
В предыдущей части подробно были рассмотрены ядро, подсистемы защит и система питания микроконтроллера Optimal+ производства АО НТЦ «Модуль». В этой заключительной части мы познакомимся с аналоговым макроблоком, который ярко выделяет Optimal+ среди многих других стандартных ARM-микроконтроллеров. Несмотря на обилие цифровых интерфейсов и высокую вычислительную мощность, микроконтроллер Optimal+ не ограничивается ролью чисто цифрового устройства. В его составе реализован развитый аналоговый макроблок, который позволяет напрямую работать с датчиками, измерительными цепями и аналоговыми сигналами без необходимости во внешних специализированных микросхемах. Такой подход упрощает схемотехнику, снижает стоимость конечного изделия и повышает надёжность системы в целом. Центральным элементом аналоговой подсистемы является 19-канальный (16 внешних + 3 внутренних канала) 12-битный аналого-цифровой преобразователь последовательного приближения (SAR ADC), работающий со скоростью до 1 млн выб/с. Он

В предыдущей части подробно были рассмотрены ядро, подсистемы защит и система питания микроконтроллера Optimal+ производства АО НТЦ «Модуль». В этой заключительной части мы познакомимся с аналоговым макроблоком, который ярко выделяет Optimal+ среди многих других стандартных ARM-микроконтроллеров.

Несмотря на обилие цифровых интерфейсов и высокую вычислительную мощность, микроконтроллер Optimal+ не ограничивается ролью чисто цифрового устройства. В его составе реализован развитый аналоговый макроблок, который позволяет напрямую работать с датчиками, измерительными цепями и аналоговыми сигналами без необходимости во внешних специализированных микросхемах. Такой подход упрощает схемотехнику, снижает стоимость конечного изделия и повышает надёжность системы в целом.

Упрощенная схема аналогового макроблока
Упрощенная схема аналогового макроблока

Аналоговый блок

Центральным элементом аналоговой подсистемы является 19-канальный (16 внешних + 3 внутренних канала) 12-битный аналого-цифровой преобразователь последовательного приближения (SAR ADC), работающий со скоростью до 1 млн выб/с. Он рассчитан на работу с широким спектром источников сигналов и подходит как для периодического опроса датчиков, так и для динамичных измерений. Благодаря интеграции в архитектуру микроконтроллера, АЦП может эффективно взаимодействовать с DMA и системой прерываний, что позволяет обрабатывать данные с минимальной нагрузкой на ядро.

Дополняют измерительные возможности два аналоговых компаратора (ACOMP), которые могут использоваться для:

  • порогового контроля сигналов;
  • детектирования аварийных состояний;
  • реализации простых аналоговых триггеров.

Наличие компараторов позволяет реагировать на изменение сигнала практически мгновенно, не дожидаясь программного опроса АЦП, что особенно важно в защитных и управляющих системах.

Программируемые усилители и ЦАП
Отдельного внимания заслуживают
два программируемых усилителя (PGA), встроенные в микроконтроллер. Они позволяют адаптировать уровень входного сигнала под диапазон АЦП, усиливая слабые сигналы датчиков или ослабляя амплитуду без использования внешних операционных усилителей. Это даёт разработчику дополнительную гибкость при работе с разнообразными источниками сигналов, такими как датчики температуры, давления или тока.

Для формирования аналоговых выходных сигналов в Optimal+ предусмотрены два 12-разрядных цифро-аналоговых преобразователя, работающих со скоростью до 1 млн выб/с. Они могут использоваться для:

  • генерации опорных уровней и управляющих напряжений;
  • создания тестовых сигналов или простых аналоговых форм.

В сочетании с АЦП и компараторами это позволяет реализовывать замкнутые контуры управления и простые аналоговые регуляторы непосредственно внутри микроконтроллера.

Источник опорного напряжения
Важной частью аналоговой подсистемы является
встроенный источник опорного напряжения (VREFBUF). Он обеспечивает стабильное и предсказуемое опорное напряжение для АЦП, ЦАП и других аналоговых блоков, снижая зависимость точности измерений от внешних условий и качества питания. Это особенно актуально для приборов учёта и измерительных устройств, где стабильность и повторяемость результатов имеют ключевое значение.

Заключение
В целом аналоговый блок Optimal+ формирует полноценную основу для сенсорных и измерительных приложений. Микроконтроллер способен работать не только как «мозг» цифровой логики, но и как центр сбора и первичной обработки аналоговых данных. Это делает его особенно привлекательным для:

  • телеметрии и систем мониторинга;
  • промышленной автоматики;
  • приборов учёта;
  • других устройств, где важны компактность, точность и минимизация внешних компонентов.

Позиционирование на рынке
Если рассматривать Optimal+ в контексте мирового рынка, то по своим возможностям и архитектурному уровню он наиболее близок к сериям STM32L5 и STM32U5 от STMicroelectronics. Эти линейки также основаны на ядре Cortex-M33, ориентированы на низкое энергопотребление, высокую степень интеграции и расширенные механизмы безопасности. Такое сравнение позволяет понять позиционирование Optimal+: речь идёт о попытке занять нишу современных энергоэффективных контроллеров среднего и верхнего сегмента.

В совокупности это формирует образ микроконтроллера, который не привязан к одному узкому сценарию использования. Optimal+ выглядит как универсальная платформа, способная стать основой для целой линейки устройств – от массовых и компактных до более сложных и ответственных.

Итог
Микроконтроллер Optimal+ от АО НТЦ «Модуль» демонстрирует, что современные отечественные разработки способны выходить за рамки простого импортозамещения. По совокупности характеристик он представляет собой полноценную платформу для широкого спектра современных встраиваемых систем. Важно, что этот микроконтроллер изначально проектировался для решения реальных прикладных задач. Его возможности хорошо соответствуют требованиям:

  • приборов учёта;
  • промышленной автоматики;
  • IoT-устройств;
  • сенсорных систем;
  • автомобильной электроники.

На практике решение уже доступно для изучения не только в документации. Образцы микроконтроллера Optimal+ и инженерную техническую поддержку можно получить у официального партнёра АО НТЦ «Модуль» — компании «Матрикс Электроника». Мы обеспечиваем полное инженерное сопровождение на всех этапах: от начального тестирования и отладки до интеграции в конечное устройство.

Это позволяет разработчикам перейти от теоретического анализа к практическому тестированию, оценить микроконтроллер в реальных условиях и принять взвешенное решение о его использовании в серийных изделиях. В результате Optimal+ воспринимается не как экспериментальная разработка, а как серьёзный шаг к формированию устойчивой и технологически зрелой отечественной элементной базы.

Если вы рассматриваете Optimal+ для своего проекта и хотите обсудить специфику внедрения, сравнение с аналогами или особенности разработки — напишите нам: info@gcmatrix.com

Перейти на сайт Матрикс Электроника