Добавить в корзинуПозвонить
Найти в Дзене
Вячеслав Калашник

Регулируемый стабилизатор тока на К142ЕН22

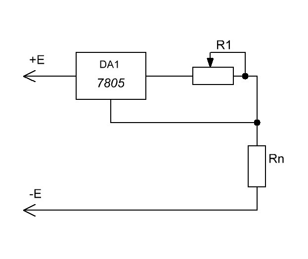
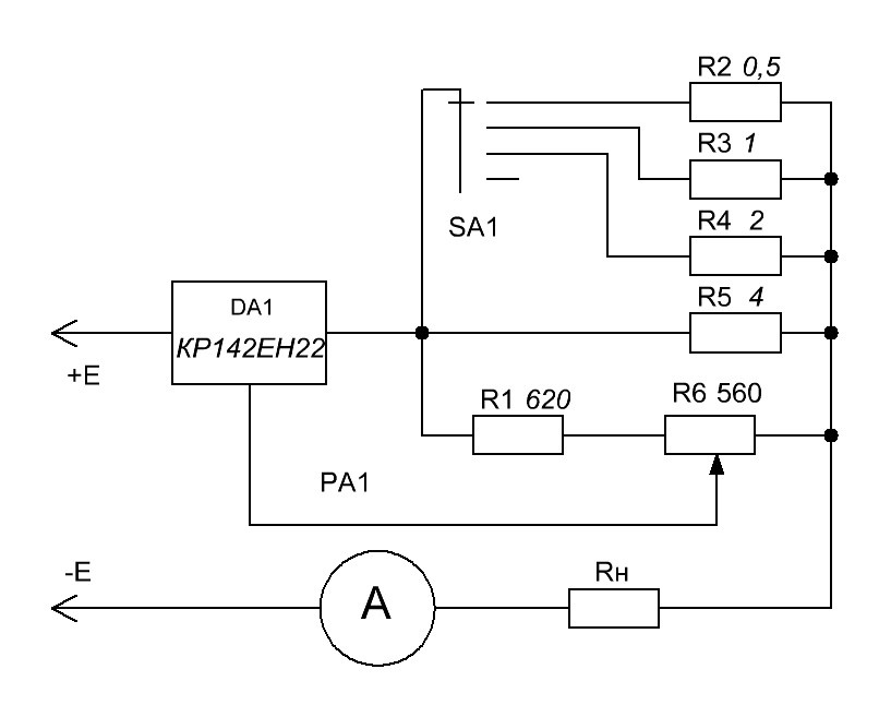
Регулируемый стабилизатор тока на К142ЕН22. Стабилизатор тока используется для питания нагрузок при различных возмущающих факторах – входного напряжения, сопротивления нагрузки и др. Простые схемы таких устройств реализуются на трехвыводных стабилизаторах фиксированного напряжения серии 78ХХ и 79ХХ. При этом для плавного регулирования тока в широком диапазоне необходим мощный потенциометр. На рис.1 показана схема такого стабилизатора тока. Генерируемый ток определяется величиной сопротивления резистора R1, который может находится в пределах от 0,8 Ом до 120 Ом. Протекающий через нагрузку ток определяется по формуле Iout = 1.25/R1, где R1 в Ом. Если в нагрузке течет ток в 1А, то такой же ток течет и в резисторе R1.Для реализации плавного регулирования тока потребовало бы потенциометр с сопротивлением в 120 Ом с рассеиваемой мощностью в 120Вт. Но такая величина неприемлема. На рис.2 показана схема с регулируемым трехвыводным интегральным стабилизатором свободным от этого недостатка. В эт

Регулируемый стабилизатор тока на К142ЕН22.

Стабилизатор тока используется для питания нагрузок при различных возмущающих факторах – входного напряжения, сопротивления нагрузки и др. Простые схемы таких устройств реализуются на трехвыводных стабилизаторах фиксированного напряжения серии 78ХХ и 79ХХ. При этом для плавного регулирования тока в широком диапазоне необходим мощный потенциометр. На рис.1 показана схема такого стабилизатора тока. Генерируемый ток определяется величиной сопротивления резистора R1, который может находится в пределах от 0,8 Ом до 120 Ом. Протекающий через нагрузку ток определяется по формуле Iout = 1.25/R1, где R1 в Ом. Если в нагрузке течет ток в 1А, то такой же ток течет и в резисторе R1.Для реализации плавного регулирования тока потребовало бы потенциометр с сопротивлением в 120 Ом с рассеиваемой мощностью в 120Вт. Но такая величина неприемлема. На рис.2 показана схема с регулируемым трехвыводным интегральным стабилизатором свободным от этого недостатка. В этой схеме добавлен резисторный делитель, соединенный параллельно с резистором R3, который имеет малое сопротивление. Управляющий вывод ADJ стабилизатора DA1 соединен с ползунком резистора R1, с помощью которого регулируется ток нагрузки. Такое соединение НЕПРИЕМЛЕМО в трехвыводных стабилизаторах серии 78ХХ, так как управляющий ток составляет порядок 5 – 10 мА. В микросхемах серии LM1083-LM1085 этот ток не более 0,8 мА, а некоторых экземплярах он составляет 0,05 мА. Ток через вывод ADJ составляет 55 мкА (1). В отличии стабилизаторов, где до 10% выходного тока тратится впустую в качестве потребляемого тока, потребляемый ток К142ЕН22 течет через нагрузку, увеличивая эффективность. Максимальное значение падения напряжения, равное 1,5В, гарантируется при максимальном выходном токе, при более низких токах нагрузки оно уменьшается. Поскольку ток управления ADJ течет через нагрузку (а переключатель SA1 в момент переключения обрывает этот ток), поэтому необходим резистор R5. В противном случае микросхема DA1 выйдет из строя. Резистор R5 выбирают из необходимого значения тока. Диапазон регулирования зависит от соотношения R1/ R1+R6. Грубо регулировать ток можно с помощью переключателя SA1 и резисторов R2-R5. На фото 1-3 показан ток нагрузки в зависимости от положения ползунка резистора R6. Режим в 6 А кратковременный, так как быстро срабатывает тепловая защита. Схема отличается хорошим коэффициентом стабилизации тока. При генерировании тока 0,6 А через нагрузку 2 Ом и при входном напряжении 10 В изменение тока составляет 8 мА. Стабилизатор тока имеет хорошую температурную стабильность. Величина сопротивлений R1 и R6 не критичны и не должны превышать 1,5кОм. Мощность резисторов R2-R5 зависит от нагрузочного тока и не превышает нескольких ватт. Диапазон регулирования тока может быть уменьшен через уменьшения величины сопротивления R6. При этом нет необходимости в изменении резистора R1. Схема может иметь широкий круг применений. Микросхема DA1 установлена на радиаторе площадью 100см2.

1. Микросхемы для линейных источников питания и их применение.

Додэка-ХХ1., 2001г.

-2
-3
-4
-5
-6
-7