Найти в Дзене
oleg gorshkov

Мигающий светодиод в качестве задающего генератора

Мигающий светодиод — это полупроводниковый прибор с интегрированным в корпус генератором импульсов (обычно на базе КМОП-таймера или логики). В отличие от стандартного LED, который просто излучает свет при прохождении прямого тока, здесь кристалл дополнен микросхемой, которая работает как ключ. Схема включения мигающего светодиода аналогична обыкновенному светодиоду - через резистор. Обычно они выпускаются на 3 вольта, соответственно резистор необходим при питание от более высокого напряжения. Сейчас многие радиолюбители применяют мигающие светодиоды в качестве генераторов. В основу этого метода положено то, что в момент погасания светодиод потребляет очень маленький ток, а в момент свечения ток может стремиться к 20 мА, создавая падения напряжения. Соответственно эти разности напряжений на открытом и закрытом светодиоде и принимаются за логические уровни. Лично я раньше не пользовался подобным решением, так как не очень люблю применять параметры комплектующих, не заявленные разработчик

Мигающий светодиод — это полупроводниковый прибор с интегрированным в корпус генератором импульсов (обычно на базе КМОП-таймера или логики). В отличие от стандартного LED, который просто излучает свет при прохождении прямого тока, здесь кристалл дополнен микросхемой, которая работает как ключ.

внешний вид
внешний вид

Схема включения мигающего светодиода аналогична обыкновенному светодиоду - через резистор. Обычно они выпускаются на 3 вольта, соответственно резистор необходим при питание от более высокого напряжения.

Сейчас многие радиолюбители применяют мигающие светодиоды в качестве генераторов. В основу этого метода положено то, что в момент погасания светодиод потребляет очень маленький ток, а в момент свечения ток может стремиться к 20 мА, создавая падения напряжения. Соответственно эти разности напряжений на открытом и закрытом светодиоде и принимаются за логические уровни.

Лично я раньше не пользовался подобным решением, так как не очень люблю применять параметры комплектующих, не заявленные разработчиком. Фактически - это побочные его свойства. Тем не менее соблазн использовать светодиод вместо например NE555 достаточно большой, особенно в различных игрушках, мигалках, гирляндах.

Теоретических обоснований в интернете не много. Пожалуй наиболее хорошо описано вот на этом сайте

Мигающий светодиод в качестве генератора импульсов

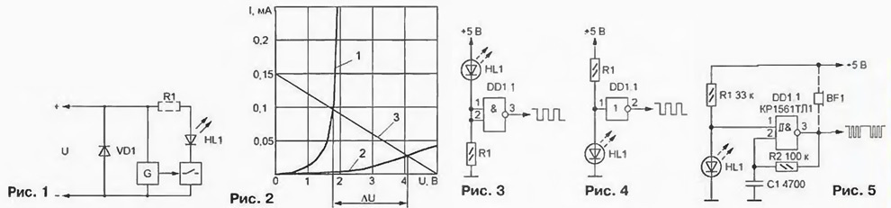
Там же есть зависимости и схемы включения.

схемы из интернета
схемы из интернета

Там же было сказано, что встроенный генератор сохраняет работоспособность даже при очень малом напряжение, и резистор можно поставить до 33кОм, в этом случае свечение светодиода может быть практически не заметно, но генератор продолжает работу.

Подавать сигнал со светодиода сразу на синхронный вход микросхемы, например счётчика не желательно, нужен буфер. Хотя я встречал схемы, и без буфера.

В качестве буфера можно использовать один логический элемент КМОП микросхемы стандартной логики. Это удобно, если в схеме применяются логические микросхемы, и один из элементов оказался свободным.

Также в качестве буфера идеально подходит триггер Шмитта. Но я такой вариант рассматривать не буду, так как если ставить в схему триггер Шмитта, то гораздо проще и надёжнее сделать генератор на самом триггере Шмитта, потребуется всего-то один резистор и один конденсатор добавить.

Поэтому рассмотрим подробнее схему с использованием одного элемента 2ИЛИ-НЕ, из микросхемы 74HC02.

схема принципиальная
схема принципиальная

Здесь мигающий светодиод D1 (зелёный F3AG4HD) включен через резистор R1, к его аноду подключен буфер - 2ИЛИ-НЕ, из микросхемы 74HC02, с объединёнными вместе входами, образующий инвертор. На выход микросхемы подключил обычный красный светодиод для наглядности.

Работает, D2 мигает синхронно с D1.

в действии
в действии

Подключил логический анализатор, канал 0 к аноду мигающего светодиода, канал 1 к выходу микросхемы. Результат немного удивил.

с логического анализатора
с логического анализатора

Выходит, что на аноде D1 импульсы настолько ужасны, что логический анализатор их вообще не видит, воспринимая за постоянную единицу, зато их отлично воспринимает простенькая микросхема 74HC02, выдавая правильный сигнал на своём выходе.

Увеличение R1 до 10 кОм никаких изменений не дало, кроме того, что D1 стал тусклее светиться.

Конечно всё это ненадёжно, и я не могу дать ни какой гарантии, что будет работать, при замене микросхемы или светодиода на аналоги или такие же, но из другой партии. Тем не менее схемотехническое решение можно применять в устройствах не требующих большой надёжности, и наверное я как-нибудь применю его в одном из своих будущих проектах.