Добавить в корзинуПозвонить
Найти в Дзене
ООО «ТД «РАСКО»

«РАСКО Газэлектроника» предлагает готовый каталог "Типовые технические решения ПУГ"

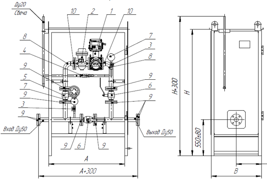
В настоящее время ООО «РАСКО Газэлектроника», являясь ведущим производителем контрольно-измерительных приборов, предлагает полный спектр газоизмерительного оборудования для коммерческого и технологического учета количества газа. Для простоты и удобства проектирования ООО «РАСКО Газэлектроника» подготовило "Альбом типовых технических решений на шкафные пункты учета газа ПУГ-Ш DN50–DN200 с измерительными комплексами СГ-ЭК на базе ротационных счетчиков газа РГ-Р". >> Скачать альбом >> Альбом включает каталог технических решений в формате .PDF и чертежи в формате .CDW (САПР КОМПАС 3D). Напоминаем, что наша компания ООО «НПФ «РАСКО» является единственным участником и Генеральным дилером данного ведущего российского производителя приборов учета газа ООО «РАСКО Газэлектроника». По всем вопросам заказа продукции завода ООО «РАСКО Газэлектроника» Вы можете обращаться в отдел «Измерительной техники» нашей компании по тел: +7 (495) 970-16-83; +7 (499) 959-16-83 (многоканальные), доб. 122, 123, 11

В настоящее время ООО «РАСКО Газэлектроника», являясь ведущим производителем контрольно-измерительных приборов, предлагает полный спектр газоизмерительного оборудования для коммерческого и технологического учета количества газа.

Для простоты и удобства проектирования ООО «РАСКО Газэлектроника» подготовило "Альбом типовых технических решений на шкафные пункты учета газа ПУГ-Ш DN50–DN200 с измерительными комплексами СГ-ЭК на базе ротационных счетчиков газа РГ-Р". >> Скачать альбом >>

Альбом включает каталог технических решений в формате .PDF и чертежи в формате .CDW (САПР КОМПАС 3D).

Напоминаем, что наша компания ООО «НПФ «РАСКО» является единственным участником и Генеральным дилером данного ведущего российского производителя приборов учета газа ООО «РАСКО Газэлектроника».

По всем вопросам заказа продукции завода ООО «РАСКО Газэлектроника» Вы можете обращаться в отдел «Измерительной техники» нашей компании по тел:

+7 (495) 970-16-83; +7 (499) 959-16-83 (многоканальные), доб. 122, 123, 117, 125.