Найти в Дзене

Статья №27. Недооценённые Роспаентом заявки на изобретения

(Статья может редактироваться со временем при появлении новой информации) Как отмечалось в моей статье №25, по заявкам на изобретения проводят, в лучшем случае, две экспертизы: формальную и, по существу, а также, помимо, Роспатент рассматривает материалы заявки на предмет содержания в них сведений, относящихся к государственной тайне. Что касается последнего, то в материалах заявки предлагаемых ниже таких сведений не обнаружено (отмечено в моих статьях: №1; №4 и в [19 из ст.№5]). А вот в отношении первого, то заявка была отозвана (по заявке Роспатент прекратил делопроизводство) на стадии экспертизы по существу, в принципе, из-за того, что мне было предложено свои ответы на вопросы эксперта представить в виде проведённых мной исправлений в материалах заявки сделанных по собственной инициативе и заплатить за Ходатайство об этом соответствующую пошлину. Я, автор и заявитель заявки на выдачу патента на изобретения «Пеленгатор цели. Устройства формирования меток времени», руководствуясь по
Оглавление

(Статья может редактироваться со временем при появлении новой информации)

Как отмечалось в моей статье №25, по заявкам на изобретения проводят, в лучшем случае, две экспертизы: формальную и, по существу, а также, помимо, Роспатент рассматривает материалы заявки на предмет содержания в них сведений, относящихся к государственной тайне.

Что касается последнего, то в материалах заявки предлагаемых ниже таких сведений не обнаружено (отмечено в моих статьях: №1; №4 и в [19 из ст.№5]).

А вот в отношении первого, то заявка была отозвана (по заявке Роспатент прекратил делопроизводство) на стадии экспертизы по существу, в принципе, из-за того, что мне было предложено свои ответы на вопросы эксперта представить в виде проведённых мной исправлений в материалах заявки сделанных по собственной инициативе и заплатить за Ходатайство об этом соответствующую пошлину.

Заявление в Роспатент

Я, автор и заявитель заявки на выдачу патента на изобретения «Пеленгатор цели. Устройства формирования меток времени», руководствуясь положениями пункта 1 статьи 1366 «Гражданского кодекса Российской Федерации», обязуюсь, в случае выдачи мне патента на изобретение, передать исключительное право на изобретение (уступить патент), лицу, первому изъявившему такое желание и уведомившему об этом меня и федеральный орган исполнительной власти по интеллектуальной собственности – гражданину Российской Федерации или российскому юридическому лицу, на условиях, соответствующих договору заключенному между мной и покупателем моей собственности

Автор и заявитель заявки В.Л.Семенов

-2
-3
-4

Реферат

Изобретения относятся к радиолокационной технике и могут быть использованы при создании устройств пеленгации объектов. Цель изобретения – расширение функциональных возможностей пеленгаторов, что достигается за счёт определения пеленгов объектов в нескольких плоскостях. Пеленгатор цели, в котором используют сигналы биений формируемые, после смешивания излученных приемопередающей антенной <О> и принятых приемными антеннами: <А>; <В>; <Е>; <Л>; <М> и <Д>, отраженных от цели ЛЧМ сигналов, в семи СВЧ смесителях – нагрузках антенн, для обнаружения цели на заданном рубеже её подлета к пеленгатору. А также для определения 1ОГО объема пространства с находящейся в нём целью, из 48МИ одинаковых, на которые разделена сфера вокруг антенны <О> и антенн: <А>; <В>; <Е>; <Л>; <М> и <Д>, установленных на равных удалениях от антенны <О>, на взаимно перпендикулярных жестких стержнях: АВ; ЕЛ и МД, пересекающихся в точке установки антенны <О>, что позволяет по сочетанию из шести знаков разностей сигналов биений, соответствующих разностям расстояний между приемными антеннами и целью, находящейся в точке С пространства, а именно по знакам сочетаний: АС>ВС или АС<ВС, ЕС>ЛС или ЕС<ЛС, МС>ДС или МС<ДС, ЛС>ДС или ДС>ЛС, ВС>ДС или ДС>ВС, ЛС>ВС или ВС>ЛС, АС>ДС или ДС>АС, АС>ЛС или ЛС>АС, ЕС>ДС или ДС>ЕС, ЕС>АС или АС>ЕС, ВС>ЕС или ЕС>ВС, ЛС>МС или МС>ЛС, ВС>МС или МС>ВС, АС>МС или МС>АС, ЕС>МС или МС>ЕС определять однозначное нахождение точки С в конкретной – 1/48 части (под октанте) сферы вокруг антенны <О>, а именно, например, при: АС>ВС, МС>ДС, ЕС>ЛС, ЛС>ДС, ВС>ДС, ЛС>ВС в первой. Что в свою очередь позволяет принять за пеленг цели направление установленной подоктанты сферы, последняя из которых предварительно сориентирована, например, одним стержнем с направлением на север, а другим стержнем с направлением к центру земли. Пеленгатор цели выполненный в виде РЛС определения направления на цель и передатчика пеленгов целей, установленных на квадрокоптере, поднятом над землей и приемника информации о пеленгах целей с преобразователем пеленгов, расположенных на земле.

Формула изобретения

1. Пеленгатор цели, содержащий частотный радиолокатор (РЛС) выполненный в виде приемопередающей антенны <О>, вход которой работающий на передачу подключен к мощному выходу Y2 передатчика (ПД), а выход, работающий на прием - к входу седьмого СВЧ смесителя (ССМ), второй вход которого подключен к маломощному выходу Y1 ПД, а выход - к входу фильтра сигнала биений (ФСБ), отличающийся тем, что выход ФСБ, через устройство формирования метки времени (УФМВ), выполненного в виде последовательно соединенных: входной шины Х; узкополосного фильтра разностной частоты (УФРЧ); седьмого преобразователя гармонического сигнала в видеоимпульсы (7ОЙПР); линии задержки (ЛЗ); седьмого элемент И (7ОЙИ) с вторым входом подключенным к входу ЛЗ; тринадцатого селектора импульсов по а.с.№1083355 (13ЫЙСЕЛ); регистра сдвига (РГ); реле времени (РВ) и выходной шины Y, подключен к вторым входам: 1ОГО; 2ОГО, 3ОГО, 4ОГО , 5ОГО и 6ОГО И, а также тем, что содержит шесть приемных антенн: <А>; <В>; <Е>; <Л>; <М> и <Д>, выходы которых подключены у: <А>, через последовательно соединённые 1ЫЕ: ССМ, фильтр разностных частот (1ЫЙФРЧ), преобразователь гармонического сигнала в видеоимпульсы (1ЫЙПРА), И, 8ОЙСЕЛ и 8ОЙ элемент ИЛИ (8ОЙИЛИ), к входу 4ОГО фазового детектора с запоминанием знака (4ОГОФДЗ); <В>, через последовательно соединённые 2ЫЕ: ССМ, ФРЧ, ПРВ, И, 7ОЙСЕЛ и 7ОЙИЛИ, к второму входу 4ОГО ФДЗ; <Е>, через последовательно соединённые 3ЬИ: ССМ, ФРЧ, ПРЕ, И, 12ЫЙСЕЛ и 12ЫЙИЛИ, к входу 6ОГО ФДЗ; <Л>, через последовательно соединённые 4ЫЕ: ССМ, ФРЧ, ПРЛ, И, 11ЫЙСЕЛ и 11ЫЙИЛИ, к второму входу 6ОГОФДЗ; <М>, через последовательно соединённые 5ЫЕ: ССМ, ФРЧ, ПРМ, И, 10ЫЙСЕЛ и 10ЫЙИЛИ, к входу 5ОГОФДЗ; <Д>, через последовательно соединённые 6ЫЕ: ССМ, ФРЧ, ПРД, 9ЫЙСЕЛ и 9ЫЙИЛИ, к второму входу 5ОГОФДЗ, а вторые входы: 1ОГО; 2ОГО; 3ОГО; 4ОГО; 5ОГО и 6ОГО ССМ объединены и подключены к маломощному выходу Y1 ПД, а также выходы ФДЗ подключены: у ФДЗ 4, NАС>NВС - к первым входам 9ОГО, 12ОГО, 13ОГО и 16ОГО И, NВС>NАС - к первым входам 10ОГО, 11ОГО, 14ОГО и 15ОГО И; у ФДЗ 5 NМС>NДС - к вторым входам 9ОГО, 10ОГО, 11ОГО и 12ОГО И, NДС>NМС – к вторым входам 13ОГО, 14ОГО, 15ОГО и 16ОГО И; у ФДЗ 6 NЕС>NЛС - к третьим входам 9ОГО, 10ОГО, 13ОГО и 14ОГО И, NЛС>NЕС- к третьим входам 11ОГО, 12ОГО, 15ОГО и 16ОГО И, а также выход 4ОГОИ подключен, через последовательно соединенные: 1ЫЙСЕЛ; 1ЫЙИЛИ; второй вход 1ОГОФДЗ и его выход NЛС>NДС – к первым входам 17ОГОИ, 18ОГОИ и 22ОГОИ и выход 6ОГОИ подключен, через последовательно соединенные: 2ОЙСЕЛ; 2ОЙИЛИ; первый вход 1ОГОФДЗ и его выход NДС>NЛС – к первым входам 19ОГОИ, 20ОГОИ и 21ОГОИ и выход 4ОГОИ подключен, через последовательно соединенные: 3ИЙСЕЛ; 3ИЙИЛИ; второй вход 2ОГОФДЗ и его выход NЛС>NВС – к вторым входам 17ОГОИ, 21ОГОИ и 22ОГОИ и выход 2ОГОИ подключен, через последовательно соединенные: 4ЫЙСЕЛ; 4ЫЙИЛИ; первый вход 2ОГОФДЗ и его выход NВС>NЛС – к вторым входам18ОГОИ, 19ОГОИ и 20ОГОИ и выход 2ОГОИ подключен, через последовательно соединенные: 5ЫЙСЕЛ; 5ЫЙИЛИ; второй вход 3ОГОФДЗ и его выход NВС>NДС – к третьим входам 17ОГОИ, 18ОГОИ и 19ОГОИ и выход 6ОГОИ подключен, через последовательно соединенные: 6ОЙСЕЛ; 6ОЙИЛИ; первый вход 3ОГОФДЗ и его выход NДС>NВС – к третьим входам 20ОГОИ, 21ОГОИ и 22ОГОИ, а выход 9ОГОИ подключен к четвёртым входам 17ОГО, 18ОГО, 19ОГО, 20ОГО 21ОГО и 22ОГО И, выходы которых подключены, соответственно, к: 19ОМУИУ;20ОМУИУ; 21ОМУИУ; 22ОМУИУ; 23ОМУИУ и 24ОМУИУ, а также выход 4ОГОИ подключен, через последовательно соединенные: 13ЫЙСЕЛ; 13ЫЙИЛИ; второй вход 7ОГОФДЗ и его выход NЛС>NМС – к первым входам 23ОГОИ, 24ОГОИ и 28ОГОИ и выход 5ОГОИ подключен, через последовательно соединенные: 14ЫЙСЕЛ; 14ЫЙИЛИ; первый вход 7ОГОФДЗ и его выход NМС>NЛС – к первым входам 25ОГОИ, 26ОГОИ и 27ОГОИ и выход 4ОГОИ подключен, через последовательно соединенные: 15ЫЙСЕЛ; 15ЫЙИЛИ; второй вход 8ОГОФДЗ и его выход NЛС>NВС – к вторым входам 23ОГОИ, 27ОГОИ и 28ОГОИ выход 2ОГОИ подключен, через последовательно соединенные: 16ЫЙСЕЛ; 16ЫЙИЛИ; первый вход 8ОГОФДЗ и его выход NВС>NЛС – к вторым входам 24ОГОИ, 25ОГОИ и 26ОГОИ и выход 2ОГОИ подключен, через последовательно соединенные: 17ЫЙСЕЛ; 17ЫЙИЛИ; второй вход 9ОГОФДЗ и его выход NВС>NМС – к третьим входам 23ОГОИ, 24ОГОИ и 25ОГОИ и выход 5ОГОИ подключен, через последовательно соединенные: 18ЫЙСЕЛ; 18ЫЙИЛИ; первый вход 9ОГОФДЗ и его выход NМС>NВС – к третьим входам 26ОГОИ, 27ОГОИ и 28ОГОИ, а выход 13ОГО И подключен к четвёртым входам 23ОГО, 24ОГО, 25ОГО, 26ОГО, 27ОГО и 28ОГО И, выходы которых подключены, соответственно, к: 1ОМУИУ;2ОМУИУ; 3ЕМУИУ; 4ОМУИУ; 5ОМУИУ и 6ОМУИУ, а также выход 1ОГОИ подключен, через последовательно соединенные: 19ЫЙСЕЛ; 19ЫЙИЛИ; второй вход 10ОГОФДЗ и его выход NАС>NЛС – к первым входам 29ОГОИ, 30ОГОИ и 34ОГОИ и выход 4ОГОИ подключен, через последовательно соединенные: 20ЫЙСЕЛ; 20ЫЙИЛИ; первый вход 10ОГОФДЗ и его выход NЛС>NАС – к первым входам 31ОГОИ, 32ОГОИ и 33ОГОИ и выход 5ОГОИ подключен, через последовательно соединенные: 21ЫЙСЕЛ; 21ЫЙИЛИ; второй вход 11ОГОФДЗ и его выход NМС>NАС – к вторым входам 29ОГОИ, 33ОГОИ и 34ОГОИ и выход 1ОГОИ подключен, через последовательно соединенные: 22ЫЙСЕЛ; 22ЫЙИЛИ; первый вход 11ОГОФДЗ и его выход NАС>NМС – к вторым входам 30ОГОИ, 31ОГОИ и 32ОГОИ и выход 5ОГОИ подключен, через последовательно соединенные: 23ЫЙСЕЛ; 23ИЙИЛИ; второй вход 12ОГОФДЗ и его выход NМС>NЛС – к третьим входам 29ОГОИ, 30ОГОИ и 31ОГОИ и выход 4ОГОИ подключен, через последовательно соединенные: 24ЫЙСЕЛ; 24ЫЙИЛИ; первый вход 12ОГОФДЗ и его выход NЛС>NМС – к третьим входам 32ОГОИ, 33ОГОИ и 34ОГОИ, а выход 14ОГО И подключен к четвёртым входам 29ОГО, 30ОГО, 31ОГО, 32ОГО, 33ОГО и 34ОГО И, выходы которых подключены, соответственно, к: 7ОМУИУ;8ОМУИУ; 9ОМУИУ; 10ОМУИУ; 11ОМУИУ и 12ОМУИУ, а также выход 1ОГОИ подключен, через последовательно соединенные: 25ЫЙСЕЛ; 25ЫЙИЛИ; второй вход 13ОГОФДЗ и его выход NАС>NЛС – к первым входам 35ОГОИ, 36ОГОИ и 40ОГОИ и выход 4ОГОИ подключен, через последовательно соединенные: 26ЫЙСЕЛ; 26ОЙИЛИ; первый вход 13ОГОФДЗ и его выход NЛС>NАС – к первым входам 37ОГОИ, 38ОГОИ и 39ОГОИ и выход 6ОГОИ подключен, через последовательно соединенные: 27ЫЙСЕЛ; 27ОЙИЛИ; второй вход 14ОГОФДЗ и его выход NДС>NАС – к вторым входам 35ОГОИ, 39ОГОИ и 40ОГОИ и выход 1ОГОИ подключен, через последовательно соединенные: 28ОЙСЕЛ; 28ОЙИЛИ; первый вход 14ОГОФДЗ и его выход NАС>NДС – к вторым входам 36ОГОИ, 37ОГОИ и 38ОГОИ и выход 6ОГОИ подключен, через последовательно соединенные: 29ЫЙСЕЛ; 29ЫЙИЛИ; второй вход 15ОГОФДЗ и его выход NДС>NЛС – к третьим входам 35ОГОИ, 36ОГОИ и 37ОГОИ и выход 4ОГОИ подключен, через последовательно соединенные: 30ЫЙСЕЛ; 30ЫЙИЛИ; первый вход 15ОГОФДЗ и его выход NЛС>NДС – к третьим входам 38ОГОИ, 39ОГОИ и 40ОГОИ, а выход 10ОГО И подключен к четвёртым входам 35ОГО, 36ОГО, 37ОГО, 38ОГО, 39ОГО и 40ОГО И, выходы которых подключены, соответственно, к: 13ОМУИУ;14ОМУИУ; 15ОМУИУ; 16ОМУИУ; 17ОМУИУ и 18ОМУИУ, а также выход 3ОГОИ подключен, через последовательно соединенные: 31ЫЙСЕЛ; 31ЫЙИЛИ; второй вход 16ОГОФДЗ и его выход NЕС>NДС – к первым входам 41ОГОИ, 42ОГОИ и 46ОГОИ и выход 6ОГОИ подключен, через последовательно соединенные: 32ОЙСЕЛ; 32ОЙИЛИ; первый вход 16ОГОФДЗ и его выход NДС>NЕС – к первым входам 43ОГОИ, 44ОГОИ и 45ОГОИ и выход 3ОГОИ подключен, через последовательно соединенные: 33ИЙСЕЛ; 33ИЙИЛИ; второй вход 17ОГОФДЗ и его выход NЕС>NВС – к вторым входам 41ОГОИ, 45ОГОИ и 46ОГОИ и выход 2ОГОИ подключен, через последовательно соединенные: 34ЫЙСЕЛ; 34ЫЙИЛИ; первый вход 17ОГОФДЗ и его выход NВС>NЕС – к вторым входам 42ОГОИ, 43ОГОИ и 44ОГОИ и выход 2ОГОИ подключен, через последовательно соединенные: 35ЫЙСЕЛ; 35ЫЙИЛИ; второй вход 18ОГОФДЗ и его выход NВС>NДС – к третьим входам 41ОГОИ, 42ОГОИ и 43ОГОИ и выход 6ОГОИ подключен, через последовательно соединенные: 36ОЙСЕЛ; 36ОЙИЛИ; первый вход 18ОГОФДЗ и его выход NДС>NВС – к третьим входам 44ОГОИ, 45ОГОИ и 46ОГОИ, а выход 12ОГОИ подключен к четвёртым входам 41ОГО, 42ОГО, 43ОГО, 44ОГО, 45ОГО и 46ОГО И, выходы которых подключены, соответственно, к: 25ОМУИУ;26ОМУИУ; 27ОМУИУ; 28ОМУИУ; 29ОМУИУ и 30ОМУИУ, а также выход 3ОГОИ подключен, через последовательно соединенные: 37ЫЙСЕЛ; 37ЫЙИЛИ; второй вход 19ОГОФДЗ и его выход NЕС>NМС – к первым входам 47ОГОИ, 48ОГОИ и 52ОГОИ и выход 5ОГОИ подключен, через последовательно соединенные: 38ЫЙСЕЛ; 38ЫЙИЛИ; первый вход 19ОГОФДЗ и его выход NМС>NЕС – к первым входам 49ОГОИ, 50ОГОИ и 51ОГОИ и выход 3ОГОИ подключен, через последовательно соединенные: 39ЫЙСЕЛ; 39ЫЙИЛИ; второй вход 20ОГОФДЗ и его выход NЕС>NВС – к вторым входам 47ОГОИ, 51ОГОИ и 52ОГОИ выход 2ОГОИ подключен, через последовательно соединенные: 40ЫЙСЕЛ; 40ЫЙИЛИ; первый вход 20ОГОФДЗ и его выход NВС>NЕС – к вторым входам 48ОГОИ, 49ОГОИ и 50ОГОИ и выход 2ОГОИ подключен, через последовательно соединенные: 41ЫЙСЕЛ; 41ЫЙИЛИ; второй вход 21ОГОФДЗ и его выход NВС>NМС – к третьим входам 47ОГОИ, 48ОГОИ и 49ОГОИ и выход 5ОГОИ подключен, через последовательно соединенные: 42ЫЙСЕЛ; 42ЫЙИЛИ; первый вход 21ОГОФДЗ и его выход NМС>NВС – к третьим входам 50ОГОИ, 51ОГОИ и 52ОГОИ, а выход 16ОГО И подключен к четвёртым входам 47ОГО, 48ОГО, 49ОГО, 50ОГО, 51ОГО и 52ОГО И, выходы которых подключены, соответственно, к: 31ОМУИУ;32ОМУИУ; 33ЕМУИУ; 34ОМУИУ; 35ОМУИУ и 36ОМУИУ, а также выход 1ОГОИ подключен, через последовательно соединенные: 43ЫЙСЕЛ; 43ЫЙИЛИ; второй вход 22ОГОФДЗ и его выход NАС>NЕС – к первым входам 53ОГОИ, 54ОГОИ и 58ОГОИ и выход 3ОГОИ подключен, через последовательно соединенные: 44ЫЙСЕЛ; 44ЫЙИЛИ; первый вход 22ОГОФДЗ и его выход NЕС>NАС – к первым входам 55ОГОИ, 56ОГОИ и 57ОГОИ и выход 5ОГОИ подключен, через последовательно соединенные: 45ЫЙСЕЛ; 45ЫЙИЛИ; второй вход 23ОГОФДЗ и его выход NМС>NАС – к вторым входам 53ОГОИ, 57ОГОИ и 58ОГОИ и выход 1ОГОИ подключен, через последовательно соединенные: 46ЫЙСЕЛ; 46ЫЙИЛИ; первый вход 23ОГОФДЗ и его выход NАС>NМС – к вторым входам 54ОГОИ, 55ОГОИ и 56ОГОИ и выход 5ОГОИ подключен, через последовательно соединенные: 47ЫЙСЕЛ; 47ИЙИЛИ; второй вход 24ОГОФДЗ и его выход NМС>NЕС – к третьим входам 53ОГОИ, 54ОГОИ и 55ОГОИ и выход 3ОГОИ подключен, через последовательно соединенные: 48ЫЙСЕЛ; 48ЫЙИЛИ; первый вход 24ОГОФДЗ и его выход NЕС>NМС – к третьим входам 56ОГОИ, 57ОГОИ и 58ОГОИ, а выход 15ОГО И подключен к четвёртым входам 53ОГО, 54ОГО, 55ОГО, 56ОГО,57ОГО и 58ОГО И, выходы которых подключены, соответственно, к: 37ОМУИУ;38ОМУИУ; 39ОМУИУ; 40ОМУИУ; 41ОМУИУ и 42ОМУИУ, а также выход 1ОГОИ подключен, через последовательно соединенные: 49ЫЙСЕЛ; 49ЫЙИЛИ; второй вход 25ОГОФДЗ и его выход NАС>NЕС – к первым входам 59ОГОИ, 60ОГОИ и 64ОГОИ и выход 3ОГОИ подключен, через последовательно соединенные: 50ЫЙСЕЛ; 50ОЙИЛИ; первый вход 25ОГОФДЗ и его выход NЕС>NАС – к первым входам 61ОГОИ, 62ОГОИ и 63ОГОИ и выход 6ОГОИ подключен, через последовательно соединенные: 51ЫЙСЕЛ; 51ОЙИЛИ; второй вход 26ОГОФДЗ и его выход NДС>NАС – к вторым входам 59ОГОИ, 63ОГОИ и 64ОГОИ и выход 1ОГОИ подключен, через последовательно соединенные: 52ОЙСЕЛ; 52ОЙИЛИ; первый вход 26ОГОФДЗ и его выход NАС>NДС – к вторым входам 60ОГОИ, 61ОГОИ и 62ОГОИ и выход 6ОГОИ подключен, через последовательно соединенные: 53ЫЙСЕЛ; 53ЫЙИЛИ; второй вход 27ОГОФДЗ и его выход NДС>NЕС – к третьим входам 59ОГОИ, 60ОГОИ и 61ОГОИ и выход 3ОГОИ подключен, через последовательно соединенные: 54ЫЙСЕЛ; 54ЫЙИЛИ; первый вход 27ОГОФДЗ и его выход NЕС>NДС – к третьим входам 62ОГОИ, 63ОГОИ и 64ОГОИ, а выход 11ОГО И подключен к четвёртым входам 59ОГО, 60ОГО, 61ОГО, 62ОГО, 63ОГО и 64ОГО И, выходы которых подключены, соответственно, к: 43ОМУИУ;44ОМУИУ; 45ОМУИУ; 46ОМУИУ; 47ОМУИУ и 48ОМУИУ, причём приемные антенны расположены на концах трех равных и взаимно перпендикулярных стержней: АВ; ЕЛ и МД пересекающихся в точке О – месте установки приемопередающей антенны <О>, равноудаленной от приемных антенн, установленных в одноименных точках стержней, антенн, излучающих и принимающих непрерывный линейно частотно модулированный (ЛЧМ) сигнал с частотой f, изменяющейся по закону ограниченной возрастающей прямой, её частотой F модуляции, d – девиацией частоты и g – скоростью изменения частоты f, при tз=f/g=fS/Сd - времени, за которое свет проходит расстояние в f/d раз большее чем расстояние S=С/F – однозначного определения дальности, а также тем, что РЛС с передатчиком информации о пеленгах целей, соответствующим направлениям подоктант с целями, установлена на квадрокоптере поднятом над землёй и ориентированным строго, например, на север и приемником информации о пеленгах целей, с преобразователем пеленгов целей определенных относительно квадракоптера, в пеленги целей относительно точки расположения приемника на земле, выполненного в виде постоянно запоминающего устройства, хранящего информацию о пеленгах цели относительно точки своего расположения, выемку данных из которого проводят по номеру определенной подоктанты с целью.

2. Устройство формирования метки времени (УФМВ), пеленгатора по п.1, выполнено в виде последовательно соединенных: входной шины Х; первого элемента И, счетчика импульсов (СЧ) с вторым входом подключенным к выходу третьего дешифратора (ДШ); цифрового компаратора (ЦК) с вторыми входами подключенными к шине установки кода Х1; второго элемента И с вторым входом подключенным к выходу элемента НЕ; регистра сдвига (РГ); выходной шины Y, а также последовательно соединенных: генератора счетных импульсов (ГСИ); второго СЧ; первого ДШ с входом объединенным с входами второго и третьего ДШ; триггера (ТР) с вторым входом подключенным к выходу второго ДШ, и выходом подключенным к второму входу первого элемента И и входу элемента НЕ.

G01S13/04

Изобретения относятся к радиолокационной технике и могут быть использованы при создании устройств, позволяющих в разных плоскостях определять пеленги целей

Известен [3] квазидопплеровский пеленгатор, в котором направление на цель определяют после анализа максимум и минимум колебаний частоты, формируемой при вращении антенны, излучающей радиосигнал, который, благодаря эффекту Доплера, во время движения антенны в сторону цели увеличивает свою частоту на величину частоты Fд Допплера, а, во время движения от цели – уменьшает.

Недостаток такого пеленгатора – измерение пеленгов только в одной плоскости.

Известен [1] частотный метод радиолокации, позволяющий сформировать сигналы биений содержащие частоты Допплера. При этом РЛС реализующую данный метод радиолокации можно использовать, очевидно, для определения пеленгов целей.

Цель изобретения – расширение функциональных возможностей пеленгаторов. Поставленная цель достигается за счёт определения пеленгов в нескольких плоскостях

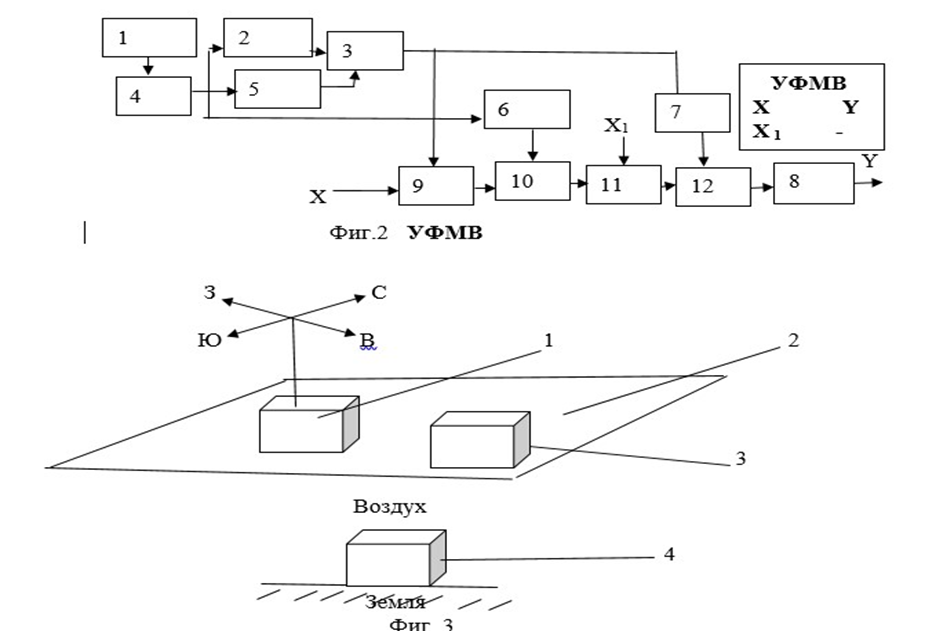
На фиг. 1, 2 и 3 приведены блок схемы, соответственно: части РЛС пеленгатора, позволяющая определить пеленг цели находящейся, одновременно, в октанте и в соответствующей ей под октанте;УФМВ; пеленгатора.

РЛС пеленгатора цели (фиг.1 - часть РЛС) содержит приемопередающую антенну <О>, вход которой работающий на передачу подключен к мощному выходу Y2 передатчика (ПД), а выход, работающий на прием - к входу ССМ51, второй вход которого подключен к маломощному выходу Y1 ПД, а выход - к входу ФСБ76, выход которого, через УФМВ, выполненного в виде последовательно соединенных: входной шины Х; УФРЧ77; ПР78; ЛЗ79; И80 с вторым входом подключенным к входу ЛЗ79; СЕЛ81; РГ82; РВ83 и выходной шины Y, подключен к вторым входам: И70...И75, а также тем, что содержит приемные антенны: <А>; <В>; <Е>; <Л>; <М> и <Д>, выходы которых подключены у: <А>, через последовательно соединённые: ССМ52, ФРЧ58, преобразователь гармонического сигнала в видеоимпульсы (1ЫЙПРА64, И70, СЕЛ45 и ИЛИ46, к входу ФДЗ 42; <В>, через последовательно соединённые: ССМ53, ФРЧ59, ПРВ65, И71, СЕЛ36 и ИЛИ37, к второму входу ФДЗ 42; <Е>, через последовательно соединённые: ССМ54, ФРЧ60, ПРЕ66, И72, СЕЛ49 и ИЛИ50, к входу ФДЗ 44; <Л>, через последовательно соединённые: ССМ55, ФРЧ61, ПРЛ67, И73, СЕЛ40 и ИЛИ41, к второму входу ФДЗ 44; <М>, через последовательно соединённые: ССМ56, ФРЧ62, ПРМ68, И74, СЕЛ47 и ИЛИ48, к входу ФДЗ 43; <Д>, через последовательно соединённые: ССМ57, ФРЧ63, ПРД69, СЕЛ38 и ИЛИ9, к второму входу ФДЗ 43, а вторые входы ССМ52...57 объединены и подключены к маломощному выходу Y1 ПД, а также выходы ФДЗ подключены: у ФДЗ 42, NАС>NВС - к первым входам И1, И4, И5 и И8, NВС>NАС - к первым входам И2, И3, И6 и И7; у ФДЗ 43 NМС>NДС - к вторым входам И1, И2, И3 и И4, NДС>NМС – к вторым входам И5, И6, И7 и И8; у ФДЗ 44 NЕС>NЛС - к третьим входам И1, И2, И5 и И6 И, NЛС>NЕС- к третьим входам И3, И4, И7 и И8 И, а также выход И73 подключен, через последовательно соединенные: СЕЛ21; ИЛИ22; второй вход ФДЗ 27 и его выход NЛС>NДС – к первым входам И15, И16 и И20 и выход И75 подключен, через последовательно соединенные: СЕЛ30; ИЛИ31; первый вход ФДЗ 27 и его выход NДС>NЛС – к первым входам И17, И18 и И19 и выход И73 подключен, через последовательно соединенные: СЕЛ23; ИЛИ24; второй вход ФДЗ 28 и его выход NЛС>NВС – к вторым входам И15, И19 и И20 и выход И71 подключен, через последовательно соединенные: СЕЛ32; ИЛИ33; первый вход ФДЗ 28 и его выход NВС>NЛС – к вторым входам И16, 1И17 и И18 и выход И71 подключен, через последовательно соединенные: СЕЛ25; ИЛИ26; второй вход ФДЗ 29 и его выход NВС>NДС – к третьим входам И15, И16 и И17 и выход И75 подключен, через последовательно соединенные: СЕЛ34; ИЛИ35; первый вход ФДЗ 29 и его выход NДС>NВС – к третьим входам И18, И19 и И20, а выход И1 подключен к четвёртым входам И15, И16, И17, И18, И19 и И20, выходы которых подключены, соответственно, к: ИУ10; ИУ9; ИУ12; ИУ11; ИУ14 и ИУ13, а также выход И73 подключен, через последовательно соединенные: СЕЛ105; ИЛИ106; второй вход ФДЗ 84 и его выход NЛС>NМС – к первым входам И189, И190 и И194 и выход И74 подключен, через последовательно соединенные: СЕЛ107; ИЛИ108; первый вход ФДЗ 84 и его выход NМС>NЛС – к первым входам И191, И192 и И193 и выход И73 подключен, через последовательно соединенные: СЕЛ109; ИЛИ110; второй вход ФДЗ 85 и его выход NЛС>NВС – к вторым входам И189, И193 и И194 выход И71 подключен, через последовательно соединенные: СЕЛ111; ИЛИ112; первый вход ФДЗ 85 и его выход NВС>NЛС – к вторым входам И190, И191 и И192 и выход И71 подключен, через последовательно соединенные: СЕЛ113; ИЛИ114; второй вход ФДЗ 86 и его выход NВС>NМС – к третьим входам И189, И190 и И191 и выход И74 подключен, через последовательно соединенные: СЕЛ115; ИЛИ116; первый вход ФДЗ 86 и его выход NМС>NВС – к третьим входам И192, И193 и И194, а выход И5 подключен к четвёртым входам И189, И190, И191, И192, И193 и И194, выходы которых подключены, соответственно, к: ИУ196; ИУ195; ИУ198; ИУ197; ИУ200 и ИУ199, а также выход И70 подключен, через последовательно соединенные: СЕЛ117; ИЛИ118; второй вход ФДЗ 87 и его выход NАС>NЛС – к первым входам И201, И202 и И206 и выход И73 подключен, через последовательно соединенные: СЕЛ119; ИЛИ120; первый вход ФДЗ 87 и его выход NЛС>NАС – к первым входам И203, И204 и И205 и выход И74 подключен, через последовательно соединенные: СЕЛ121; ИЛИ122; второй вход ФДЗ 88 и его выход NМС>NАС – к вторым входам И201, И205 и И206 и выход И70 подключен, через последовательно соединенные: СЕЛ123; ИЛИ124; первый вход ФДЗ 88 и его выход NАС>NМС – к вторым входам И202, И203 и И204 и выход И74 подключен, через последовательно соединенные: СЕЛ125; ИЛИ126; второй вход ФДЗ 89 и его выход NМС>NЛС – к третьим входам И201, И202 и И203 и выход И73 подключен, через последовательно соединенные: СЕЛ127; ИЛИ128; первый вход ФДЗ 89 и его выход NЛС>NМС – к третьим входам И204, И205 и И206, а выход И6 подключен к четвёртым входам И201, И202, И203, И204, И205 и И206, выходы которых подключены, соответственно, к: ИУ208; ИУ207; ИУ210; ИУ209; ИУ212 и ИУ211, а также выход И70 подключен, через последовательно соединенные: СЕЛ129; ИЛИ130; второй вход ФДЗ 90 и его выход NАС>NЛС – к первым входам И213, И214 и И218 и выход И73 подключен, через последовательно соединенные: СЕЛ131; ИЛИ132; первый вход ФДЗ 90 и его выход NЛС>NАС – к первым входам И215, И216 и И217 и выход И75 подключен, через последовательно соединенные: СЕЛ133; ИЛИ134; второй вход ФДЗ 91 и его выход NДС>NАС – к вторым входам И213, И217 и И218 и выход И70 подключен, через последовательно соединенные: СЕЛ135; ИЛИ136; первый вход ФДЗ 91 и его выход NАС>NДС – к вторым входам И214, И215 и И216 и выход И75 подключен, через последовательно соединенные: СЕЛ137; ИЛИ138; второй вход ФДЗ 92 и его выход NДС>NЛС – к третьим входам И213, И214 и И215 и выход И73 подключен, через последовательно соединенные: СЕЛ139; ИЛИ140; первый вход ФДЗ 92 и его выход NЛС>NДС – к третьим входам И216, И217 и И218, а выход И2 подключен к четвёртым входам И213, И214, И215, И216, И217 и И218, выходы которых подключены, соответственно, к: ИУ220; ИУ219; ИУ222; ИУ221; ИУ224 и ИУ223, а также выход И72 подключен, через последовательно соединенные: СЕЛ141; ИЛИ142; второй вход ФДЗ 93 и его выход NЕС>NДС – к первым входам И225, И226 и И230 и выход И75 подключен, через последовательно соединенные: СЕЛ143; ИЛИ144; первый вход ФДЗ 93 и его выход NДС>NЕС – к первым входам И227, И228 и И229 и выход И72 подключен, через последовательно соединенные: СЕЛ145; ИЛИ146; второй вход ФДЗ 94 и его выход NЕС>NВС – к вторым входам И225, И229 и И230 и выход И71 подключен, через последовательно соединенные: СЕЛ147; ИЛИ148; первый вход ФДЗ 94 и его выход NВС>NЕС – к вторым входам И226, И227 и И228 и выход И71 подключен, через последовательно соединенные: СЕЛ149; ИЛИ150; второй вход ФДЗ 95 и его выход NВС>NДС – к третьим входам И225, И226 и И227 и выход И75 подключен, через последовательно соединенные: СЕЛ151; ИЛИ152; первый вход ФДЗ 95 и его выход NДС>NВС – к третьим входам И228, И229 и И230, а выход И4 подключен к четвёртым входам И225, И226, И227, И228, И229 и И230, выходы которых подключены, соответственно, к: ИУ232; ИУ231; ИУ234; ИУ233; ИУ236 и ИУ235, а также выход И72 подключен, через последовательно соединенные: СЕЛ153; ИЛИ154; второй вход ФДЗ 96 и его выход NЕС>NМС – к первым входам И237, И238 и И242 и выход И74 подключен, через последовательно соединенные: СЕЛ155; ИЛИ156; первый вход ФДЗ 96 и его выход NМС>NЕС – к первым входам И239, И240 и И241 и выход И72 подключен, через последовательно соединенные: СЕЛ157; ИЛИ158; второй вход ФДЗ 97 и его выход NЕС>NВС – к вторым входам И237, И241 и И242 выход И71 подключен, через последовательно соединенные: СЕЛ159; ИЛИ160; первый вход ФДЗ 97 и его выход NВС>NЕС – к вторым входам И238, И239 и И240 и выход И71 подключен, через последовательно соединенные: СЕЛ161; ИЛИ162; второй вход ФДЗ 98 и его выход NВС>NМС – к третьим входам И237, И238 и И239 и выход И74 подключен, через последовательно соединенные: СЕЛ163; ИЛИ164; первый вход ФДЗ 98 и его выход NМС>NВС – к третьим входам И240, И241 и И242, а выход И8 подключен к четвёртым входам И237, И238, И239, И240, И241 и И242, выходы которых подключены, соответственно, к: ИУ243; ИУ244; ИУ245; ИУ246; ИУ247 и ИУ248, а также выход И70 подключен, через последовательно соединенные: СЕЛ165; ИЛИ166; второй вход ФДЗ 99 и его выход NАС>NЕС – к первым входам И249, И250 и И254 и выход И72 подключен, через последовательно соединенные: СЕЛ167; ИЛИ168; первый вход ФДЗ 99 и его выход NЕС>NАС – к первым входам И251, И252 и И253 и выход И74 подключен, через последовательно соединенные: СЕЛ169; ИЛИ170; второй вход ФДЗ 100 и его выход NМС>NАС – к вторым входам И249, И253 и И254 и выход И70 подключен, через последовательно соединенные: СЕЛ171; ИЛИ172; первый вход ФДЗ 100 и его выход NАС>NМС – к вторым входам И250, И251 и И252 и выход И74 подключен, через последовательно соединенные: СЕЛ173; ИЛИ174; второй вход ФДЗ 101 и его выход NМС>NЕС – к третьим входам И249, И250 и И251 и выход И72 подключен, через последовательно соединенные: СЕЛ175; ИЛИ176; первый вход ФДЗ 101 и его выход NЕС>NМС – к третьим входам И252, И253 и И254, а выход И7 подключен к четвёртым входам И249, И250, И251, И252, И253 и И254, выходы которых подключены, соответственно, к: ИУ256; ИУ255; ИУ258; ИУ257; ИУ260 и ИУ259, а также выход И70 подключен, через последовательно соединенные: СЕЛ177; ИЛИ178; второй вход ФДЗ 102 и его выход NАС>NЕС – к первым входам И261, И262 и И266 и выход И72 подключен, через последовательно соединенные: СЕЛ179; ИЛИ180; первый вход ФДЗ 102 и его выход NЕС>NАС – к первым входам И263, И264 и И265 и выход И75 подключен, через последовательно соединенные: СЕЛ181; ИЛИ182; второй вход ФДЗ 103 и его выход NДС>NАС – к вторым входам И261, И265 и И266 и выход И70 подключен, через последовательно соединенные: СЕЛ183; ИЛИ184; первый вход ФДЗ 103 и его выход NАС>NДС – к вторым входам И262, И263 и И264 и выход И75 подключен, через последовательно соединенные: СЕЛ185; ИЛИ186; второй вход ФДЗ 104 и его выход NДС>NЕС – к третьим входам И261, И262 и И263 и выход И72 подключен, через последовательно соединенные: СЕЛ187; ИЛИ188; первый вход ФДЗ 104 и его выход NЕС>NДС – к третьим входам И264, И265 и И266, а выход И3 подключены к четвёртым входам И261, И262, И263, И264, И265 и И266, выходы которых подключены, соответственно, к: ИУ268; ИУ267; ИУ270; ИУ269; ИУ272 и ИУ271.

УФМВ (фиг.2) содержит последовательно соединенные: входную шину Х; элемент И9, счетчик 10 импульсов (СЧ) с вторым входом подключенным к выходу дешифратора 6 (ДШ); цифровой компаратор 11 (ЦК) с вторыми входами подключенными к шине установки кода Х1; элемент И12 с вторым входом подключенным к выходу элемента НЕ7; регистр 8 сдвига (РГ); выходную шину Y, а также последовательно соединенные: генератор 1 счетных импульсов (ГСИ); СЧ4; ДШ2 с входом объединенным с входами ДШ5 и ДШ6; триггер 3 (ТР) с вторым входом подключенным к выходу ДШ5, и выходом подключенным к второму входу элемента И9 и входу элемента НЕ7.

Пеленгатор цели (фиг.3) содержит: квадракоптер 1; РЛС 2; передатчик 3 информации о пеленгах цели; приемник 4 информации о пеленгах целей с преобразователем пеленгов.

Рассмотрим работу предлагаемого пеленгатора цели.

Сформированный ПД и излучённый антенной <О> непрерывный ЛЧМ сигнал с частотой f, изменяющейся по закону ограниченной возрастающей прямой, её частотой F модуляции, d – девиацией частоты и g – скоростью изменения частоты f, смешивается в ССМ51 с отраженным от цели ЛЧМ сигналом и преобразуется, при скоростях света С и цели Vi и расстоянии Дi между целью и антенной <О>, в сигнал биений [1] c частотой Fбi=2Дig/С - (Fд=2Vif/С), при приближении цели к антенне <О>, выделяемый ФСБ76. После чего, из совокупности всех формируемых сигналов биений, УФМВ обнаруживает только сигнал биений с частотой Fб=2Дg/С, в момент обнаружения цели на расстоянии Д+tзVi от антенны <О>, где Д – расстояние от антенны <О> до устанавливаемого рубежа обнаружения целей, а tз=f/g=fS/Сd - время, за которое свет проходит расстояние в f/d раз большее чем расстояние S=С/F – однозначного определения дальности иформирует короткий импульс - метку времени, через время tз – времени выдержки РВ83 после появления которого, происходит процесс формирования пеленгов цели, при нахождении цели на рубеже Д от антенны <О>, следующим образом. Отраженный от цели ЛЧМ сигнал принимается также шестью приемными антеннами: <А>; <В>; <Е>; <Л>; <М> и <Д>, расположенными на концах трех равных и взаимно перпендикулярных стержнях: АВ; ЕЛ и МД пересекающихся в точке О – месте установки приемопередающей антенны <О>, равноудаленной от приемных антенн, установленных в одноименных точках стержней. Нагрузками приемных антенн являются, соответственно, ССМ52...ССМ57, на вторые входы которых подают излучаемый ЛЧМ сигнал малой мощности, с выхода Y1 ПД. Подобное расположение антенн позволяет получить сигналы биений на выходах, соответственно, ФРЧ58...ФРЧ63 с частотами биений: FА; FВ; FЕ; FЛ; FМ; FД, величины которых не зависят: FА и FВ от перемещения цели вокруг стержня АВ; FЕ и FЛ от перемещения цели вокруг стержня ЕЛ; FМ и FД от перемещения цели вокруг стержня МД. Сформированные сигналы биений далее преобразуют с помощью, соответственно, ПР64...ПР69 в последовательности, например, положительных видеоимпульсов длительностью: NАС=0,5FА; NВС=0,5FВ; NЕС=0,5FЕ; NЛС=0,5FЛ; NМС=0,5FМ; NДС=0,5FД, которые пропускаются на выходы элементов И70...И75 только через время tз после обнаружения цели. Кроме того, при указанном расположении антенн сочетания из трех знаков разностей длительностей видеоимпульсов, NАС>NВС или NАС<NВС, NЕС>NЛС или NЕС<NЛС, NМС>NДС или NМС<NДС определяют однозначное нахождение цели в конкретной октанте – 1/8 части сферы вокруг антенны <О>, а именно, например (фиг.1, 2), при: NАС>NВС, NМС>NДС, NЕС>NЛС в четвертой (выход 9ОГОИ по формуле и выход И1 на фигуре); NВС>NАС, NМС>NДС, NЕС>NЛС в третьей; NАС<NВС, NДС<NМС, NЛС>NЕС в седьмой; NВС<NАС, NДС<NМС, NЕС<NЛС в восьмой; NВС<NАС, NДС>NМС, NЛС<NЕС в первой; NАС<NВС, NДС>NМС, NЕС>NЛС во второй; NВС>NАС, NМС<NДС, NЕС<NЛС в шестой; NАС>NВС, NМС<NДС, NЛС>NЕС в пятой. А сочетания из шести знаков разностей расстояний: NАС>NВС или NАС<NВС, NЕС>NЛС или NЕС<ЛС, NМС>NДС или NМС<NДС, NЛС>NДС или NДС>NЛС, NВС>NДС или NДС>NВС, NЛС>NВС или NВС>NЛС, NАС>NДС или NДС>NАС, NАС>NЛС или NЛС>NАС, NЕС>NДС или NДС>NЕС, NЕС>NАС или NАС>NЕС, NВС>NЕС или NЕС>NВС, NЛС>NМС или NМС>NЛС, NВС>NМС или NМС>NВС, NАС>NМС или NМС>NАС, NЕС>NМС или NМС>NЕС определяют однозначное нахождение цели в конкретной – 1/48 части (под октанте) сферы вокруг антенны <О>, а именно, например (фиг.1, 2), при: NАС>NВС, NМС>NДС, NЕС>NЛС, NЛС>NДС, NВС>NДС, NЛС>NВС в девятнадцатой (выход 17ОГОИ по формуле и выход И15 на фигуре) и т. п, аналогично, в 47МИ оставшихся под октантах. Следует отметить, что ФДЗ 27, 28, 29, 42, 43, 44 [4] (фиг.1, 2) и другие, совместно с СЕЛ21, 30, ..., представляют собой устройства определения знака величины разности двух частот (УОЗВРДЧ), разности независящей от скорости сближения объектов. А три УОЗВРДЧ, например, с ФДЗ 27, 28, 29, или с ФДЗ 42, 43, 44 представляют собой шифраторы – преобразователи расстояний между приемными антеннами и целью в двоичные числа - коды, расшифровка которых с помощью дешифратора - устройств определения части октанты с целью (УОЧОЦ – элементы, например, И15, ..., И20, фиг.1, 2) или дешифратора - устройств определения октанты с целью (УООЦ – элементы И1, ..., И8, фиг.1, 2), позволяет определить и октанту, и её часть, с целью и соответственно пеленг цели.

Получить сигнал биений с частотой, например, Fб=2Дg/С=1,333МГц, при расстоянии между объектами (антенной <О> и целью) равным, например, Д+tзVi=1,333км+1м можно, если: С=3×108м/с; расстояние однозначного определения дальности S=1500м; F=С/2S=100КГц; Д=1,333км; d=СFб/2ДF=1,5МГц; g=15×1010/Гц2; f=1,5ГГц; tз=0,01с; Vi=100м/с - скорость сближения объектов, при Fд=1КГц – частоте Доплера, что не проблематично. Т.е., в данном случае, при расстоянии между объектами в 1,333км, можно утверждать, что если обнаружить сигнал биений с частотой Fб=1,333МГц и сформировать в момент обнаружения короткий импульс – метку времени, то до столкновения объектов существует время Д/Vi=13,33с, которые необходимо использовать, по крайней мере, для определения пеленгов целей, за которые можно принять пеленги центров поверхностей подоктант с обнаруженными в них целями.

А метку времени сформировать можно как классическим, так и оригинальным способами, реализованными с помощью альтернативных УФМВ. При этом, при классическом способе, проводят подсчет периодов частоты биений, например, Fб=1,333...МГц, за установленный интервал времени tизм, например, 10-5с, подсчитанное целое (Nсч=Fбtизм=13) количество которых далее, на ЦК277 (фиг.2), сравнивают с числом Nуст=13 установленным на шине Х1. И если Nсч>Nуст, что возможно только при нахождении цели на удалении большем чем Д от антенны <О>, то метки времени не формируют, а если Nсч<Nуст, или при равенстве чисел, то формируют и считают цель обнаруженной. При этом максимальная ошибка в обнаружении цели по дальности определится одним периодом частоты Fб и в нашем случае величиной С/g2tизм=100м, что при удалении между объектами в 1,333км не критично. А интервалы измерения, в виде последовательности импульсов измерения длительностью tизм и паузой между импульсами, например, в один период частоты сигнала ГСИ283, формируют схемой, в которой импульсы ГСИ283 постоянно подсчитываются СЧ284 нагруженным тремя ДШ: 282; 285 и 286. При этом ДШ282 обнаруживает цифровое число соответствующее 1, ДШ286 – максимальному числу К импульсов, которое может подсчитать СЧ284, ДШ285 – числу К-1. Таким образом на выходе ТР287 формируется последовательность импульсов измерения, в течении длительности которых, через элемент И275, на СЧ276, с выхода ПР273, поступают видеоимпульсы сигнала биений частотой Fб, подсчитываемые СЧ276, формирующим, периодически, числа Nсч и обнуляемый импульсом с выхода ДШ286. Очевидно, что в рассматриваемом случае, только при расстоянии между объектами в 1,333км(+/-)100м, на выходе СЧ276 будет сформировано цифровое число сопоставимое с числом Nуст и на выходе ЦК277 будет сформирован потенциал пропускаемый, через элемент И278, в течении паузы между импульсами в последовательности, сформированной на выходе элемента НЕ281, на РГ279. При этом на предпоследнем выходе РГ279 импульс – метка времени появится только после нескольких раз обнаружения цели, что повышает надежность и точность её обнаружения.

Обнаружить сигнал с частотой Fб можно также посредством селекции импульсов СЕЛ81 (фиг.1) по а.с. №1083355 [2], который, будучи реализованный на базе, например, элементов 133 серии, имеющей естественную задержку распространения сигналов tзр=10нс, будет формировать на выходе первого своего каскада импульс - обнаружения сигнала частотой Fб, при поступлении на его вход импульсов от tС1=10нс до tС2=20нс, не более и не менее. Т. е., если видеоимпульсы с частотой следования Fб=1,333МГц и длительностью 1/2Fб=375нс, поступающие с выхода ФСБ76, через УФРЧ77 и ПР78, задержать на 365нс ЛЗ79 и логически перемножить, на элементе И80, с незадержанными видеоимпульсами, то на выходе элемента И80 будут сформированы импульсы длительностью 10нс, обнаруживаемые СЕЛ81. Отметим, что при частоте следования видеоимпульсов Fб1,299=1,299МГц длительностью 385нс и при их задержке на те же 365нс, на выходе элемента И80 будут сформированы импульсы длительностью 20нс, обнаруживаемые также СЕЛ81. Так как на другие импульсы СЕЛ81, по первому своему выходу, не реагирует, то, очевидно, можно считать, что цель обнаруживается с точностью, по дальности, ДFб/Fб1,299 - Д=35м. А РГ82 выполняет туже самую функцию что и РГ279 (фиг.2).

Сразу отметим, что гармонические сигналы биений с частотами Fбi, в том числе и Fб=1,333МГц, формируют на выходе ССМ51, которые далее выделяют ФСБ76 и избирают УФРЧ77, или УФРЧ274, с полосами частот не включающими доплеровских составляющих, для дальнейшего преобразования в видеоимпульсы ПР78 или ПР273, например, с помощью аналогового компаратора (АК), при пересечении гармоническими сигналами пороговых напряжений. Подобный способ выделения полезных сигналов узкого спектра частот, более узкополосными фильтрами - УФРЧ, позволяет существенно повысить чувствительность приемника обнаружителя целей. Отметим также, что исполнительными устройствами, в том числе ИУ9...ИУ14 (фиг1, 2), в рассматриваемом случае, могут быть индикаторы, фиксирующие ту или иную подоктанту с целью и соответствующие ей наперед установленные пеленги по нескольким плоскостям, при ориентации антенной системы соответствующим образом, например, на север - юг осью МД и к центру земли осью ЕЛ. Как видно из вышесказанного и приведенного конкретного примера, обнаружить цель и определить направление на цель, предложенным способом, можно, при удалении, в любом направлении, цели от антенны <О> на расстоянии в 1,333км, что может быть использовано при радиолокационном наблюдении за пространством с помощью, например, квадрокоптера с отмеченной антенной системой поднятыми над землей и сориентированными соответствующим образом. Очевидно, что если в данном случае на квадрокоптере установить передатчик информации об номерах подоктант с обнаруженными в них целями, а на земле расположить приемник данной информации, то после преобразования на земле принятой информации в информацию о номерах подоктант с обнаруженными в них целями, можно определить пеленги целей относительно места расположения на земле приемника, например, посредством выемки из запрограммированного постоянного запоминающего устройства (ППЗУ), по адресу соответствующему номеру подоктанты с обнаруженной в ней целью, записанной в ППЗУ информации о пеленге, относительно приемника, центра поверхности подоктанты с обнаруженной в ней целью.

Литература

1. Под редакцией В.В.Дружинина, Справочник по основам радиолокационной техники. <<Военное издательство>>, 1967

2. а. с. №1083355

3. <<Википедия>>.

4. У. Титце, К. Шенк Полупроводниковая схемотехника, Москва,<<мир>>