Найти в Дзене

Орион-128. Светодиодный индикатор для порта пользователя /F600h.

Всех приветствую! При разработке программного обеспечения для периферийных устройств иногда приходится контролировать правильное прохождение тех или иных сигналов на схему на каналах порта DD55 КР580ВВ55 (см. схему компьютера Орион-128). Приходится аккуратно садиться щупом осциллографа или тестера на выводы самого порта либо на плате периферийного устройства, что порой приводит к коротким замыканиям и сбоям при наладке. А иногда приходится писать программу и тестировать её без внешнего устройства, и в режиме отладки также лазить щупом по выводам микросхемы. В таком случае хорошим помощником может стать светодиодный индикатор каналов порта. При выставлении или сбросе уровней на индикаторе будет отображаться состояние портов. Как мне кажется, очень удобно. Либо такое устройство может пригодиться для каких-либо иных экспериментов в портом, всё зависит от фантазии пользователя. Я приобрёл малогабаритные светодиодные SMD-планки, называются они "Port Test Lamp" и они сразу содержат в себе св

Всех приветствую!

При разработке программного обеспечения для периферийных устройств иногда приходится контролировать правильное прохождение тех или иных сигналов на схему на каналах порта DD55 КР580ВВ55 (см. схему компьютера Орион-128). Приходится аккуратно садиться щупом осциллографа или тестера на выводы самого порта либо на плате периферийного устройства, что порой приводит к коротким замыканиям и сбоям при наладке. А иногда приходится писать программу и тестировать её без внешнего устройства, и в режиме отладки также лазить щупом по выводам микросхемы. В таком случае хорошим помощником может стать светодиодный индикатор каналов порта. При выставлении или сбросе уровней на индикаторе будет отображаться состояние портов. Как мне кажется, очень удобно. Либо такое устройство может пригодиться для каких-либо иных экспериментов в портом, всё зависит от фантазии пользователя.

Я приобрёл малогабаритные светодиодные SMD-планки, называются они "Port Test Lamp" и они сразу содержат в себе светодиоды, токоограничивающие резисторы и соединены по схеме с общим анодом. Таким образом, активные уровни для подсветки светодиодов должны иметь уровень логического "0".

Изначально я думал, что плата собрана по схеме с общим катодом и это упростит мне сборку. А теперь выясняется, что нужно ставить инвертирующие буферные регистры типа КР580ВА87 или КР580ИР83.

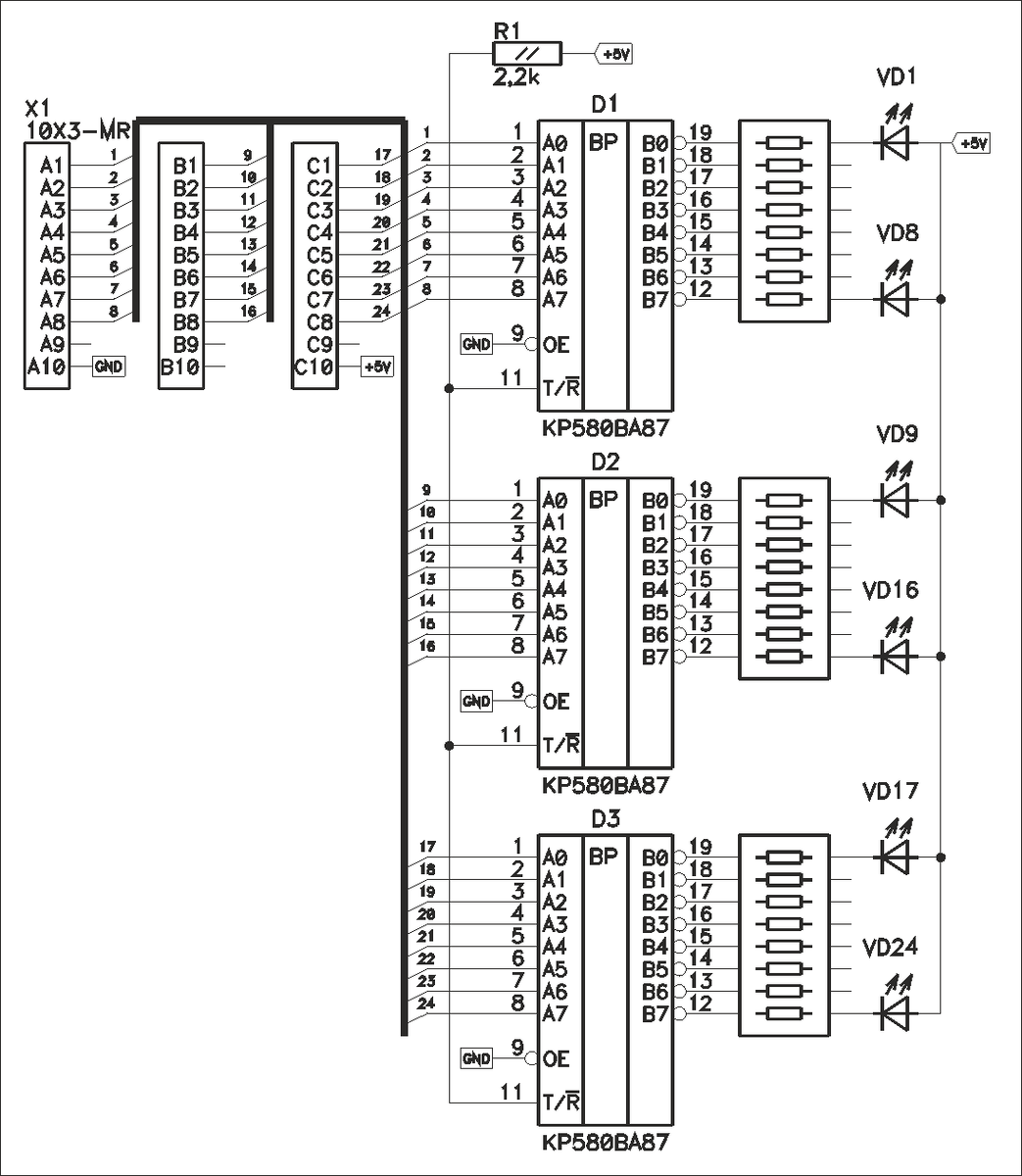
Схема получилась простая, даже не знаю, стоило ли её публиковать:

-2

Устройство смонтировано навесным монтажом на макетной плате 30х70мм:

-3
-4
-5
-6

Как видно из фото, монтаж получился плотный и планки пришлось поставить на штыревые разъёмы над микросхемами. Получилось, как мне кажется, очень симпатично.

Пасхалка
Пасхалка

Каналы получились так, что нижний это А, средний В, верхний С.

Надеюсь, все увидели пасхалку? 😉

До новых встреч!