Найти в Дзене
oleg gorshkov

Электронная обманка для повербанка: NE555 не даст ему уснуть!

Иногда бывает очень удобно питать различные самодельные устройства от повербанка. Большинство повербанков рассчитаны на отключение выходного напряжения, при окончании заряда смартфона, то есть при отсутствии тока в нагрузке, или снижение его ниже определённого уровня, произойдёт автоматическое выключение повербанка. Бывают, конечно, повербанки с возможностью отключения автоматического управления, но это скорее исключение из правил. Пороговые значения тока и времени отключения повербанков не имеют единых стандартных значений, и у разных производителей могут быть свои. В большинстве повербанков минимальный ток нагрузки, при котором срабатывает автоотключение находится в диапазоне от 50 мА до 200 мА. Время срабатывание автоотключения обычно от 10 секунд, мой например отключается примерно через 12 секунд. Таким образом для предотвращения автоотключения повербанка в большинстве случаев будет достаточно создавать ток нагрузки 200 мА, примерно раз в 10 секунд, можно чаще. Для этого можно испо

Иногда бывает очень удобно питать различные самодельные устройства от повербанка. Большинство повербанков рассчитаны на отключение выходного напряжения, при окончании заряда смартфона, то есть при отсутствии тока в нагрузке, или снижение его ниже определённого уровня, произойдёт автоматическое выключение повербанка. Бывают, конечно, повербанки с возможностью отключения автоматического управления, но это скорее исключение из правил.

Пороговые значения тока и времени отключения повербанков не имеют единых стандартных значений, и у разных производителей могут быть свои. В большинстве повербанков минимальный ток нагрузки, при котором срабатывает автоотключение находится в диапазоне от 50 мА до 200 мА. Время срабатывание автоотключения обычно от 10 секунд, мой например отключается примерно через 12 секунд.

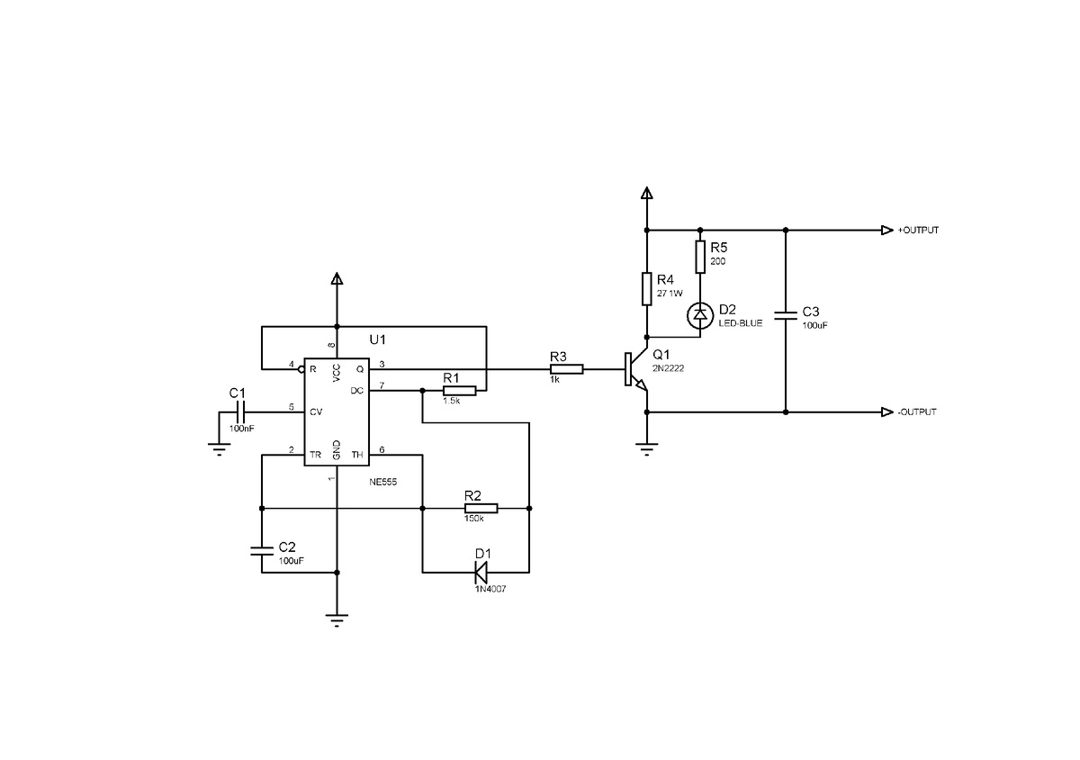
Таким образом для предотвращения автоотключения повербанка в большинстве случаев будет достаточно создавать ток нагрузки 200 мА, примерно раз в 10 секунд, можно чаще. Для этого можно использовать мультивибратор, коммутирующий некое сопротивление, имитирующее нагрузку. Причём длительность импульсов 0,1 секунда будет вполне достаточна для обмана повербанка. Нужно создать мультивибратор с периодом импульсов 10 секунд и длительностью 0,1 секунды, то есть с очень большой скважностью. Используем для этой цели всеми любимую микросхему NE555.

схема принципиальная
схема принципиальная

При стандартном включение NE555 не способна обеспечить большую скважность, поэтому используем её модификацию с шунтирующим диодом (D1). Рекомендуется импульсный 1N4148, но в данном случае пойдёт любой, использовал 1N4007.

Длительность высокого уровня t_high = 0.7*R1*C2;

Длительность низкого уровня t_low = 0.7*R2*C2;

Период T = T_high+ T_low = 0.7*(R1+R2)*C2

С использованными элементами R1, R2, C2 получим временные характеристики близкие к оговоренным ранее (период 10 с, длительность 0,1с).

Максимальный выходной ток NE555 составляет 200 мА. Нам нужен как раз ток около 200 мА, это предельное значение для микросхемы, поэтому для большей надёжности использовал транзисторный ключ на 2N2222.

Для создания тока 200 мА, при напряжении 5 В, требуется резистор 25 Ом (I= U/R), причём импульсная мощность на нём будет 1 Вт. 25 Ом достаточно редкий номинал, поэтому применил имеющийся у меня 27 Ом 1 Вт (R4).

Светодиод D2 используется для индикации нормальной работы устройства, кратковременно мигая раз в 10 секунд, можно его не ставить, если хочется место сэкономить, на повербанке всё равно есть свой индикатор.

Далее напряжение подаётся на питаемое устройство.

Спаял схему на макетной плате. К повербанку подключается через micro USB, для подключения питаемого устройства использовал разъём типа «гребёнка».

в работе
в работе

Работает, как и задумывал, реальный период импульсов получился около 9 секунд.