Добавить в корзинуПозвонить
Найти в Дзене
BAXI Russia

🏠Объекты на оборудовании BAXI

📍 Нижний Новгород 🛠 Запрос на нетипичное изделие! Коллектор с гидрострелкой для котельной: 3 контура до гидрострелки и 7 контуров после гидрострелки из нержавеющей стали в цельном исполнении. ⚙ Состав системы: • Основной котел BAXI Slim 1.490 IN на 49 кВт 🔥 • Резервный электрический котел BAXI AMPERA Plus на 12 кВт ⚡ • Бойлер косвенного нагрева 200 л 💧 💡 Процесс реализации: Был предоставлен примерный эскиз изделия. В ходе обсуждения проекта специалистами компании "Прокситерм" предлагались и просчитывались разные варианты в соответствии с запросами заказчика. 💭А какие нетипичные запросы получали вы? Поделитесь в комментариях!

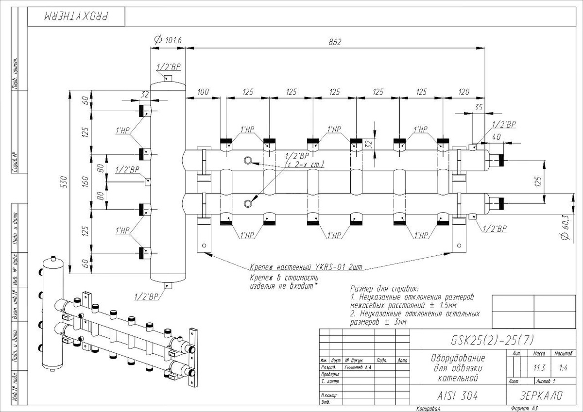
🏠Объекты на оборудовании BAXI

📍 Нижний Новгород

🛠 Запрос на нетипичное изделие!

Коллектор с гидрострелкой для котельной: 3 контура до гидрострелки и 7 контуров после гидрострелки из нержавеющей стали в цельном исполнении.

⚙ Состав системы:

• Основной котел BAXI Slim 1.490 IN на 49 кВт 🔥

• Резервный электрический котел BAXI AMPERA Plus на 12 кВт ⚡

• Бойлер косвенного нагрева 200 л 💧

💡 Процесс реализации:

Был предоставлен примерный эскиз изделия. В ходе обсуждения проекта специалистами компании "Прокситерм" предлагались и просчитывались разные варианты в соответствии с запросами заказчика.

💭А какие нетипичные запросы получали вы?

Поделитесь в комментариях!

-2
-3