Найти в Дзене
Andrey774

Усилитель К174УН14

Давайте вспомним микросхему К174УН14. В своё время я много чего собирал на этой отечественной микросхеме - умудрился даже установить её в "Маяк‑233" вместо штатного, и звук стал лучше.
Был такой случай в 90‑х. Один мой друг жил небогато и никак не мог позволить себе приобрести даже что‑то простое - хотя бы просто чтобы играло. Решил я к его дню рождения собрать такое устройство. Чтобы не таскать

Давайте вспомним микросхему К174УН14. В своё время я много чего собирал на этой отечественной микросхеме - умудрился даже установить её в "Маяк‑233" вместо штатного, и звук стал лучше.

Был такой случай в 90‑х. Один мой друг жил небогато и никак не мог позволить себе приобрести даже что‑то простое - хотя бы просто чтобы играло. Решил я к его дню рождения собрать такое устройство. Чтобы не таскать на праздник свою аппаратуру, как мы обычно это делали, я воспользовался имевшимся запасом микросхем К174УН14.

Из ДСП сколотил короб высотой 90 см, шириной 32 см и глубиной 25 см. Собирал по всем правилам: все щели тщательно промазывал. На верхней части короба сделал перегородку, примерно посередине тоже поставил перегородку. А дальше начался творческий процесс.

На переднюю панель в нижней части установил два динамика 4 ГДШ‑35 вертикально, а по бокам в середине короба - по ондому 4 ГД‑8Е. На тот момент эти динамики просто валялись у меня в кладовке, так что собирал из того, что было под рукой.

Однажды один автолюбитель отдал мне автомобильную магнитолу - у неё сгорел усилитель. Я встроил её в верхнюю часть короба. Для динамиков сделал декоративную защиту из сетки. Всё продумывал основательно.

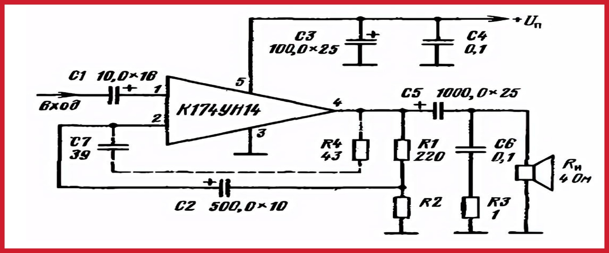
Перейдём к усилителям. Для боковых динамиков собрал стереоусилитель на микросхемах К174УН14, а для двух передних - усилитель по мостовой схеме на тех же микросхемах, моно. Возникла проблема: усилитель для боковых динамиков возбуждался. Я добавил цепочку из конденсатора и сопротивления (смотрите схему - показана пунктиром), и возбуждение исчезло. R2-2.2...2k2

Передние динамики работали в монорежиме, а боковые - в стерео. Это была моя оригинальная задумка. Заднюю панель герметично закрыл, позаботившись о том, чтобы динамики не мешали друг другу работать. Включил устройство и удивился: звук из этого "столбика" оказался шикарным! Я даже не предполагал, что всё так интересно заиграет - стереоэффект был чётко слышен.

Принёс этот подарок другу на день рождения - все были в восторге от необычной конструкции. Всталкиваешь кассету - и она играет, было и радио. Мы весело танцевали под этот, скажу без преувеличения, мощный звук.

Сейчас мы уже давно не виделись - прошло около 30 лет. Но я до сих пор вспоминаю свой шедевр, который поразил всех моих друзей. А главное - у моего друга появилось то, что действительно работало и приносило ему радость.

В эпоху советской радиоэлектроники было создано немало удачных микросхем, которые и сегодня находят применение в любительских конструкциях. Одним из таких решений является микросхема К174УН14 - усилитель низкой частоты, отличающийся надёжностью и продуманной системой защиты.

Согласно заводским данным, микросхема обладает следующими ключевыми параметрами:

  1. номинальная выходная мощность: 4,5 Вт;
  2. диапазон питающих напряжений: от 3 до 18 В;
  3. коэффициент усиления по напряжению: порядка 30–50 (зависит от режима работы);
  4. ток покоя: около 8 мА.

По сравнению с популярной микросхемой К174УН7, К174УН14 имеет ряд существенных преимуществ:

  1. Улучшенная защита от перегрева - встроенная термозащита отключает усилитель при достижении критической температуры, предотвращая выход микросхемы из строя.
  2. Защита от перегрузок - схема автоматически ограничивает выходной ток при превышении допустимых значений.
  3. Защита от коротких замыканий на выходе - при КЗ микросхема переходит в безопасный режим, исключая повреждение внутренних элементов.
  4. Защита от перемены полярности питания - предотвращает выход устройства из строя при ошибочном подключении питания.

Найдя в своих запасах микросхему К174УН14, можно реализовать несложный, но эффективный усилитель звуковой частоты, собрать интересный аппарат по подобию моей конструкции)))

Заключение

Микросхема К174УН14 - достойный представитель советской элементной базы, который и сегодня может быть полезен радиолюбителям. Её преимущества:

простота реализации;
надёжность благодаря встроенным защитам;
достаточная мощность для бытовых применений.

Такой усилитель подойдёт для:

  • небольших акустических систем;
  • радиоприёмников;
  • самодельных аудиоустройств.

При соблюдении рекомендаций по монтажу и эксплуатации К174УН14 обеспечит качественное усиление звука и долгий срок службы.