Найти в Дзене
Andrey774

Убрать фон 50 Гц

При подключении электропроигрывателя или магнитофона к усилителю низкой частоты (УНЧ) нередко возникает досадный дефект - слышимый фон переменного тока частотой 50 Гц. Этот паразитный сигнал заметно ухудшает качество звучания, делая его неприятным для восприятия.
Традиционный способ борьбы с фоном - использование регулятора тембра. Однако этот метод имеет существенный недостаток: при ослаблении

Для стерео надо два.
Для стерео надо два.

При подключении электропроигрывателя или магнитофона к усилителю низкой частоты (УНЧ) нередко возникает досадный дефект - слышимый фон переменного тока частотой 50 Гц. Этот паразитный сигнал заметно ухудшает качество звучания, делая его неприятным для восприятия. Был случай 90х годах, паял усилитель воспроизведения, на транзистора, он был на столько чувствителен к наводкам, экранировка не помогала, питание однополярное было, вот и пригодилась эта схема, наводки исчезли, но а фон 50Гц так впоныне, и самое интересное, без этой схемы я руку подводил и был звон, а с этой схемой звона нет? И в других звеньях также пропали наводки, вот такая аномалия.

Традиционный способ борьбы с фоном - использование регулятора тембра. Однако этот метод имеет существенный недостаток: при ослаблении фона одновременно подавляются все низкие частоты, что приводит к:

  1. потере естественности звучания;
  2. "выхолащиванию" музыкального спектра;
  3. ухудшению восприятия басовых инструментов.

Оптимальным решением становится применение режекторного фильтра, настроенного точно на частоту сети - 50 Гц. Такое устройство обладает ключевыми преимуществами:

избирательно подавляет только паразитный сигнал;
сохраняет полный спектр полезных низких частот;
обеспечивает высокое качество звучания.

Предлагаемая схема гарантирует:

  • подавление фона на уровне 70 дБ;
  • рабочий диапазон подавления: 40-58 Гц;
  • избирательность на частоте 50 Гц.

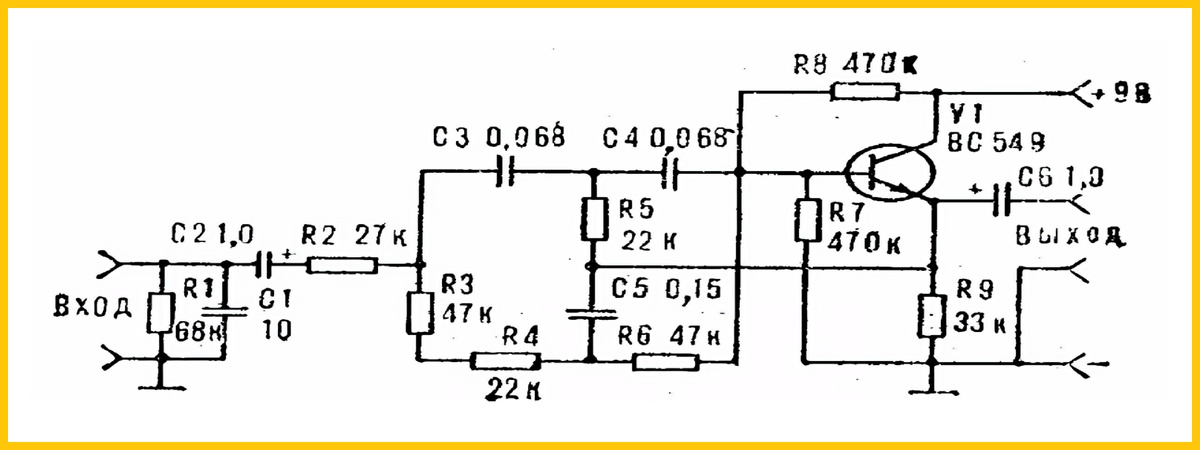
Устройство выполнено на основе:

  1. Однотранзисторного каскада (VT1).
  2. RC‑фильтра по схеме двойного Т‑моста.
  3. Цепи положительной обратной связи.

Ключевые особенности схемы:

  • Положительная обратная связь существенно повышает добротность фильтра.
  • Улучшается селективность подавления именно частоты сетевого фона.

Для корректной работы необходимо соблюдать соотношения:

C3​=C4​=0,5C5​;

R3​+R4​=R6​=2R9​.

При необходимости настройки на другую частоту f используйте формулу:

f=2πR6​C4​1​.

В качестве активного элемента (VT1) рекомендуются отечественные транзисторы:

  • КТ342;
  • КТ315 (с коэффициентом усиления ≥100).

Можно и более высокачественные транзисторы, я лично собирал на КТ315, внедрял в аппаратуру не высокого класса.

Фильтр включается между электропроигрывателем и УНЧ. Это обеспечивает:

эффективную фильтрацию сигнала до усиления;
защиту последующих каскадов от паразитных наводок;
чистое воспроизведение без фона.

Предложенная схема режекторного фильтра - простое и эффективное решение проблемы сетевого фона. Её преимущества:

  • высокая избирательность;
  • сохранность полезного спектра;
  • доступность компонентов;
  • лёгкость настройки.

Применение такого фильтра позволяет добиться качественного звучания электропроигрывателя без характерных сетевых помех, сохраняя при этом всю полноту низкочастотного диапазона. Может кому пригодится, для стерео собирать два, удачного повторения.