Найти в Дзене
Andrey774

Усилитель К174УН7

В 1980-1990‑х годах у меня было немало микросхем - я выпаивал их из старых телевизоров, переносных магнитофонов и тому подобной техники.
Однажды я увидел в магазине колонки "Амфитон‑022" - и мне сразу захотелось их купить. Однако одна колонка стоила три моих месячных зарплаты, а для покупки пары требовалось ещё больше денег. Пришлось продать всю имевшуюся на тот момент аппаратуру, а заодно и
Оглавление

В 1980-1990‑х годах у меня было немало микросхем - я выпаивал их из старых телевизоров, переносных магнитофонов и тому подобной техники.

Однажды я увидел в магазине колонки "Амфитон‑022" - и мне сразу захотелось их купить. Однако одна колонка стоила три моих месячных зарплаты, а для покупки пары требовалось ещё больше денег. Пришлось продать всю имевшуюся на тот момент аппаратуру, а заодно и ковёр со стены - в то время ковры тоже ценились.

Подкопив ещё немного, я всё‑таки приобрёл колонки "Амфитон‑022". Увы, усилителя у меня уже не было, а послушать их очень хотелось. В кладовке лежали собранные усилители на К174УН7 от телевизоров - я спаял их вместе и услышал потрясающий звук, на тот момент у меня был кассетный магнитофон электроника 204.

Позже знакомый электронщик дал мне схему улучшения качества звучания на базе микросхемы К174УН7. Я тут же её собрал - и результат оказался впечатляющим! После я конечно приобрел себе мафон Союз 111 и усь Кумир, вот тогда я услышал истенное звучание Амфитон 022.

Недавно мне принесли приёмник "Океан‑209": в нём сгорел усилитель. Недолго думая, я спаял детали этой схемы прямо на выводах микросхемы и встроил её в приёмник, не снимая старый усилитель. Дед, которому принадлежал приёмник, был в восторге: он сказал, что звук стал лучше и разборчивее.

Теперь хочу поделиться этой схемой на К174УН7 с вами - возможно, она пригодится. Может быть, у кого‑то эти микросхемы ещё лежат в закромах?

Усилитель с малыми искажениями.

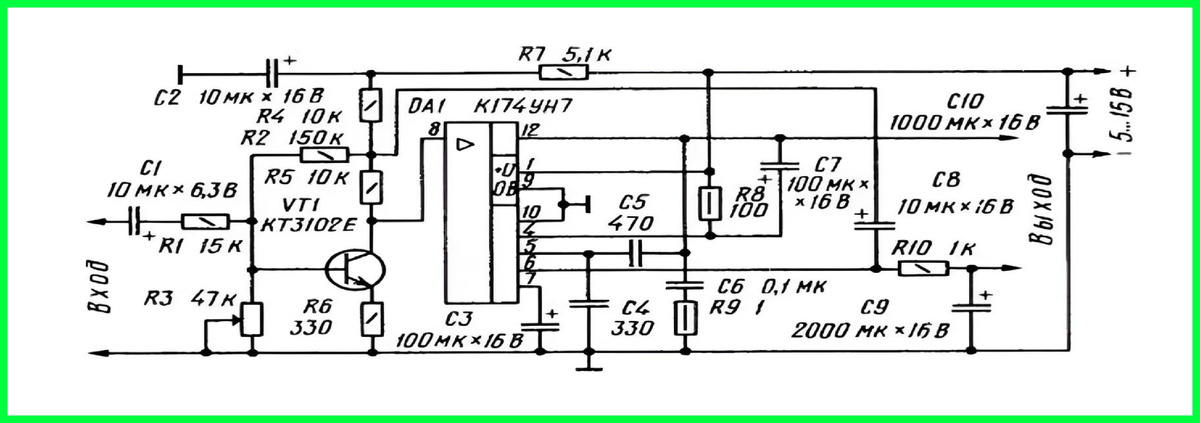
В современной аудиотехнике одним из ключевых требований к усилительным устройствам остаётся минимизация нелинейных искажений при сохранении высокого коэффициента усиления. Микросхема К174УН7 (аналог TBA810S) - популярный выбор построения экономичных УНЧ с приемлемыми характеристиками. В данной статье рассматривается схема усилителя с пониженным уровнем искажений, основанная на этой ИМС, с детальным разбором принципов работы.

К174УН7 - интегральная микросхема усилителя низкой частоты (УНЧ) средней мощности, выполненная по биполярной технологии. Основные параметры:

напряжение питания: Uпит​=3…15 В;
выходной ток: до 1 А;
коэффициент усиления по напряжению: KU​-50…100 (на средней частоте);
полоса пропускания: 20 Гц…20 кГц;
максимальное выходное напряжение: до 8 В (при Uпит​=12 В).

Микросхема содержит:

  • входной дифференциальный каскад;
  • каскад усиления напряжения;
  • выходной каскад на составных транзисторах;
  • цепи частотной коррекции и защиты.

Основной источник нелинейных искажений в ИМС УНЧ - насыщение выходного каскада и нелинейность передаточной характеристики. Для их уменьшения применяются:

  1. Дополнительный усилительный каскад на транзисторе VT1 (например, КТ315/КТ3102). Он разгружает ИМС, снижая нагрузку на выходной каскад К174УН7.
  2. Отрицательная обратная связь (ООС) по напряжению. ООС охватывает как ИМС, так и внешний каскад, стабилизируя коэффициент усиления и линейность.
  3. Оптимальный режим работы ИМС за счёт подбора резисторов смещения и делителей ООС.

Основные компоненты:

  • DA1 - К174УН7 (основной усилитель);
  • VT1 - NPN-транзистор (дополнительный каскад);
  • R1-R9 - резисторы задающие режимы и ООС;
  • C1-C9 - конденсаторы фильтрации и коррекции.

Проверка режимов по постоянному току:

  • измерить напряжение на эмиттере VT1 (Uэ​=0,6…0,7 В);
  • проверить напряжение на выходе DA1 (Uвых​=Uпит​/2).

Настройка симметричного ограничения:

  • подать синусоидальный сигнал 1 кГц на вход;
  • изменять Uпит​ от 5 до 15 В, контролируя форму выходного сигнала;
  • подобрать R3 для симметричного ограничения полуволн.

Измерение коэффициента гармоник:

  • использовать анализатор спектра или ИНИ (измеритель нелинейных искажений);
  • на частоте 1 кГц при выходной мощности 1 Вт ожидаемый КНИ: 0,5…1%.

рекомендации

  • Размещение элементов: минимизировать длину соединительных проводников, особенно в цепях ООС.
  • Радиатор для DA1: при выходной мощности более 2 Вт обязателен.
  • Экранирование: входные цепи должны быть экранированы от силовых.

Предложенная схема усилителя на К174УН7 с дополнительным каскадом и ООС позволяет:

  1. снизить нелинейные искажения в 2…3 раза по сравнению с типовым включением;
  2. обеспечить коэффициент усиления 40…70;
  3. работать в широком диапазоне напряжений питания (5…15 В).

Для достижения оптимальных параметров необходима точная настройка резисторов ООС и проверка режимов по постоянному току. Данная конструкция подходит для применения в бытовой аудиотехнике, системах оповещения и учебных проектах. Вот такая она наша К174УН7.