Найти в Дзене
Andrey774

Регулятор ширины стереобазы, рокот фильтр

По многочисленным просьбам выкладываю схему расширителя стереобазы - рокот‑фильтра.
В предыдущей статье была представлена доработанная схема, которая выполняла функцию добавления в сигнал высоких частот, но не работала как расширитель стереобазы. И та, и эта схемы придают звучанию прозрачность и разборчивость высоких частот. Главное - они обеспечивают высокие частоты, которые:
Откуда берутся
Оглавление

По многочисленным просьбам выкладываю схему расширителя стереобазы - рокот‑фильтра.

В предыдущей статье была представлена доработанная схема, которая выполняла функцию добавления в сигнал высоких частот, но не работала как расширитель стереобазы. И та, и эта схемы придают звучанию прозрачность и разборчивость высоких частот. Главное - они обеспечивают высокие частоты, которые:

  • не надоедают;
  • не "забивают" звучание;
  • отличаются прозрачностью и "воздушностью";
  • имеют высокое разрешение в.ч сигнала;
  • сбалансированы в.ч. с основным сигналом.

Откуда берутся такие качественные высокие частоты - объяснить сложно. Я не знаю ответа на этот вопрос, и, похоже, никто не знает.

Предыдущую статью вы можете найти на моём канале - она называется "Добавь высоких частот".

Представленная схема выполняет две функции:

  1. работает как расширитель стереобазы;
  2. выполняет роль рокот‑фильтра (например, убирает рокот у проигрывателя виниловых пластинок).

С помощью сопротивления можно регулировать сигнал в диапазоне от режима "Моно" до двойного расширения стереобазы.

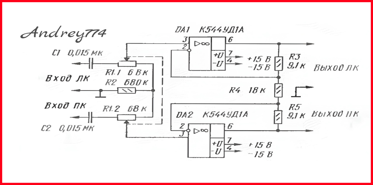
Представленное устройство реализует последовательное суммарно‑разностное преобразование стерефонического сигнала. Его ключевая функция - гибкая регулировка ширины стереобазы в диапазоне от нуля до максимального значения.

Устройство состоит из двух основных узлов:

  • Узел суммирования сигналов (на сдвоенном переменном резисторе R1):
  • обеспечивает регулировку ширины стереобазы от номинального значения до нуля;
  • в правом положении движков резистора R1 неинвертирующие входы операционных усилителей DA1 и DA2 объединяются, формируя режим "Моно" (сигналы на входах ОУ равны полусумме сигналов обоих каналов).
  1. Узел разностного преобразования (на ОУ DA1 и DA2):
  • расширяет стереобазу на фиксированное значение;
  • в левом положении движков резистора R1 сигналы на входах ОУ соответствуют исходным сигналам левого и правого каналов, а стереобаза достигает максимума.

Функциональные элементы и их роль

  • Рокот‑фильтр реализован на переходных конденсаторах C1 и C2 совместно с регуляторами ширины стереобазы R1.1 и R1.2.
  • Резистор R2 задаёт режим работы ОУ по постоянному току и совместно с конденсаторами C1 и C2 определяет нижнюю частоту среза АЧХ устройства.
  • Сдвоенный переменный резистор R1 может иметь любой номинал (с регулировочной характеристикой группы А). При изменении его сопротивления необходимо пропорционально корректировать ёмкость конденсаторов C1 и C2.

Частотные характеристики

В области низких частот (f≤2πR1C11​=2πR1C21​≈160 Гц) напряжение на входах ОУ приближается к полусумме сигналов левого и правого каналов. Это обеспечивает плавное снижение стереоэффекта на частотах значительно ниже 160 Гц.

Технические характеристики:

  • Номинальное входное напряжение: 0,5 В;
  • Входное сопротивление: не менее 70 кОм;
  • Коэффициент передачи по напряжению: 1;
  • Максимальное расширение стереобазы: 2 раза;
  • Уровень подавления низкочастотных противофазных составляющих рокота в режиме «Стерео» (максимально расширенная стереобаза):
  • на частоте 8 Гц — 26 дБ (в скобках-20 дБ);
  • на частоте 20 Гц — 18 дБ (в скобках-12 дБ);
  • на частоте 50 Гц — 10 дБ (в скобках-4 дБ);
  • Коэффициент гармоник при номинальном входном напряжении: не более 0,05 %;
  • Отношение сигнал/шум: не менее 80 дБ;
  • Перегрузочная способность: не менее 20 дБ;
  • Потребляемый ток: не более 7 мА.

Характеристики могут быть улучшены при применении более качественного ОУ. В 90х я собирал эту схему на К157 УД2, и она нормально работала.

Особенности эксплуатации

Устройство не требует налаживания при правильной сборке.
Благодаря низкому выходному сопротивлению регулятор легко интегрируется с другими узлами стереотракта.

Описанная схема предлагает эффективное решение для гибкой регулировки стереобазы с минимальными искажениями. Её ключевые преимущества:

широкий диапазон регулировки (от нуля до максимума);
простота реализации и настройки;
совместимость с различными источниками сигнала.

С крещением вам и удачного повторения этих двух не сложных схем, которые перенесут вас в мир красивой музыки.