Добавить в корзинуПозвонить
Найти в Дзене
Старый радио любитель

Старые журналы. Ham Radio Todey, №3 1983 год. Недорогой трансивер DSB/CW для диапазона 80 м.

Как-то мало материалов у нас печатают о DSB-трансиверах, передатчиках и приемниках. А ведь зря, для начинающих самое то, так как схемы гораздо проще. Давайте сравним три вида модуляции: Примерно все вот так: если передатчик мощностью 100 Вт работает в AM, то 67 Вт тратится на несущую, 16.5 Вт — на каждую боковую полосу.
В DSB — все 100 Вт идут в боковые полосы, т.е. в 3 раза больше эффективной мощности на полезный сигнал. DSB приемник может принимать АМ, но намного тише, чем DSB. Это потому что DSB-приёмник "отфильтровывает" несущую (она не нужна), а в AM она — основной источник энергии. Но, как мне кажется, все не так уж плохо. Ведь УВЧ, первый смеситель и УПЧ супергетеродина совершенно одинаковы и для АМ, и для DSB, и для SSB, только полосу фильтров нужно переключать. А вот демодуляторы должны быть разные. И еще одно достоинство приемников DSB - они могут быть собраны по схеме прямого преобразования, но без устройств для подавления ненужной боковой полосы - здесь нужны обе. Вот име

Как-то мало материалов у нас печатают о DSB-трансиверах, передатчиках и приемниках. А ведь зря, для начинающих самое то, так как схемы гораздо проще. Давайте сравним три вида модуляции:

Рис. 1.
Рис. 1.

Примерно все вот так: если передатчик мощностью 100 Вт работает в AM, то 67 Вт тратится на несущую, 16.5 Вт — на каждую боковую полосу.
В DSB —
все 100 Вт идут в боковые полосы, т.е. в 3 раза больше эффективной мощности на полезный сигнал.

DSB приемник может принимать АМ, но намного тише, чем DSB. Это потому что DSB-приёмник "отфильтровывает" несущую (она не нужна), а в AM она — основной источник энергии.

Но, как мне кажется, все не так уж плохо. Ведь УВЧ, первый смеситель и УПЧ супергетеродина совершенно одинаковы и для АМ, и для DSB, и для SSB, только полосу фильтров нужно переключать. А вот демодуляторы должны быть разные.

И еще одно достоинство приемников DSB - они могут быть собраны по схеме прямого преобразования, но без устройств для подавления ненужной боковой полосы - здесь нужны обе.

Вот именно такую схему разработали английские радиолюбители Фрэнк Огден (G4JST) и Тони Бейли (G3WPO).

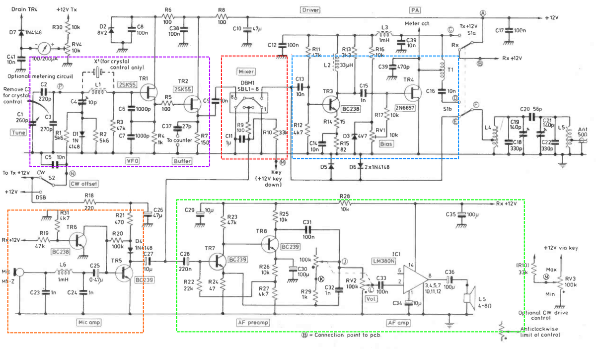
Рис. 2. Из журнала Ham Radio Todey, №3 1983 год.
Рис. 2. Из журнала Ham Radio Todey, №3 1983 год.

Давайте что там и как. Удивительное обозначение транзисторов TR я, чтобы не переключать язык, сокращу до Т.

Гетеродин, он же задающий генератор, собран по схеме емкостной трехточки на полевом транзисторе Т1 типа 2SK55, который имеет малый уровень шума и малую входную емкость. Генератор может работать как LC и как кварцевый генератор с подстройкой частоты. С помощью изменения напряжения напряжения на диоде D1 типа 4148 осуществляется сдвиг частоту во время работы телеграфом. С истока Т1 сигнал генератора подается на истоковый повторитель, а затем - на один из входов двойного (кольцевого) балансного смесителя (ДБС) типа SBL1. ГПД работает и в режиме передачи и в режиме приема без переключений. ДБС в режиме передачи работает как модулятор, а в режиме приема - как демодулятор. Конструкция ГПД, использующая сердечник из феррита с низким ТКП и указанные типы конденсаторов, очень стабильна, и обеспечивает стабильность частоты, необходимую для бесподстроечной работы в течение получасового QSO.

Рис. 2. Из даташита SBL1-8
Рис. 2. Из даташита SBL1-8

На другой вход ДБС в режиме передачи подается сигнал НЧ от микрофонного усилителя, а в режиме приема НЧ сигнал снимается с него и подается на предварительный УНЧ. На третий вход ДБС в режиме приема подается сигнал от ДПФ, а в режиме передачи с него получившийся сигнал DSB подается на вход драйвера. Интересно, что в даташите на SBL-1 ни слова не говорится о его динамическом диапазоне, но он у него высокий.

Рис. 3. С сайта https://www.radio741.com/en/66106-mcl-sbl-1-8-mini-circuits-8-pin-plug-in-frequency-mixer-1-500mhz-20x785mm.html
Рис. 3. С сайта https://www.radio741.com/en/66106-mcl-sbl-1-8-mini-circuits-8-pin-plug-in-frequency-mixer-1-500mhz-20x785mm.html

При работе телеграфом на низкочастотный вход/выход ДБС подается постоянное напряжение от телеграфного ключа, разбалансирующее смеситель и позволяющей проходить сигналу ГПД на вход драйвера. В принципе, можно подавать от телеграфного ключа НЧ сигнал с частотой около 1 кГц.

В тракте усилителя мощности ВЧ, работающего только при передаче, в драйвере используется один биполярный транзистор BC238, работающий как усилитель напряжения класса А. Его нагрузкой является дроссель L2, соединенный с затвором MOSFET - транзистора T4 типа2N6657. При этом индуктивность L2 должна быть выбрана так, чтобы она резонировала с входной емкостью MOSFET на частоте около 3,6 МГц. Начальный ток Т4 устанавливается около 100 мА.

Встречно- параллельно включенные диоды D5, D6 защищают смеситель от высокоуровневых ВЧ-импульсов, которые могут возникать при переключении с передачи на прием.

Вот такая конструкция. В статье ни слова говорится о дальности проведенных связей с помощью этого простого трансивера, но можно попробовать :)).

Всем здоровья и успехов!