Найти в Дзене
oleg gorshkov

Бегущий огонёк на RGB светодиодах и CD4017

Решил приспособить весьма популярную схему «бегущий огонь» под RGB светодиоды. В классическом варианте десятичный счётчик CD4017, тактируемый генератором, обычно на NE555 поочерёдно зажигает десять светодиодов, подключённых к выходам Q0-Q9. RGB светодиоды с общим катодом имеют четыре электрода: три анода (красный, зелёный, синий) и общий катод. Алгоритм работы будет следующий: поочерёдно загораются десять светодиодов красным, затем зелёным, затем синим цветом, и так по кругу. Фактически эти десять RGB светодиодов можно рассматривать, как тридцать обычных, соединённых катодами вместе. И так, нам нужно заставить счётчик считать до 30. CD4017 предусматривает каскадирование, для этого предусмотрен вывод переноса (Carry Out). Но при соединение каскадом первая микросхема будет считать единицы, вторая десятки, и так далее. Следовательно, просто повесить выводы светодиодов на 3 последовательно соединенных счётчика не получится. Поэтому объединил аноды всех светодиодов в три группы (R, G, B). Э

Решил приспособить весьма популярную схему «бегущий огонь» под RGB светодиоды. В классическом варианте десятичный счётчик CD4017, тактируемый генератором, обычно на NE555 поочерёдно зажигает десять светодиодов, подключённых к выходам Q0-Q9.

RGB светодиоды с общим катодом имеют четыре электрода: три анода (красный, зелёный, синий) и общий катод.

Алгоритм работы будет следующий: поочерёдно загораются десять светодиодов красным, затем зелёным, затем синим цветом, и так по кругу. Фактически эти десять RGB светодиодов можно рассматривать, как тридцать обычных, соединённых катодами вместе. И так, нам нужно заставить счётчик считать до 30.

CD4017 предусматривает каскадирование, для этого предусмотрен вывод переноса (Carry Out). Но при соединение каскадом первая микросхема будет считать единицы, вторая десятки, и так далее. Следовательно, просто повесить выводы светодиодов на 3 последовательно соединенных счётчика не получится. Поэтому объединил аноды всех светодиодов в три группы (R, G, B). Эти группы будут включаться поочерёдно вторым счётчиком, считающим десятки. Первый же счётчик, считающий от нуля до девяти, будет управлять общими катодами светодиодов, через ключи, соединяющие в нужный момент катод с землёй.

Схема принципиальная
Схема принципиальная

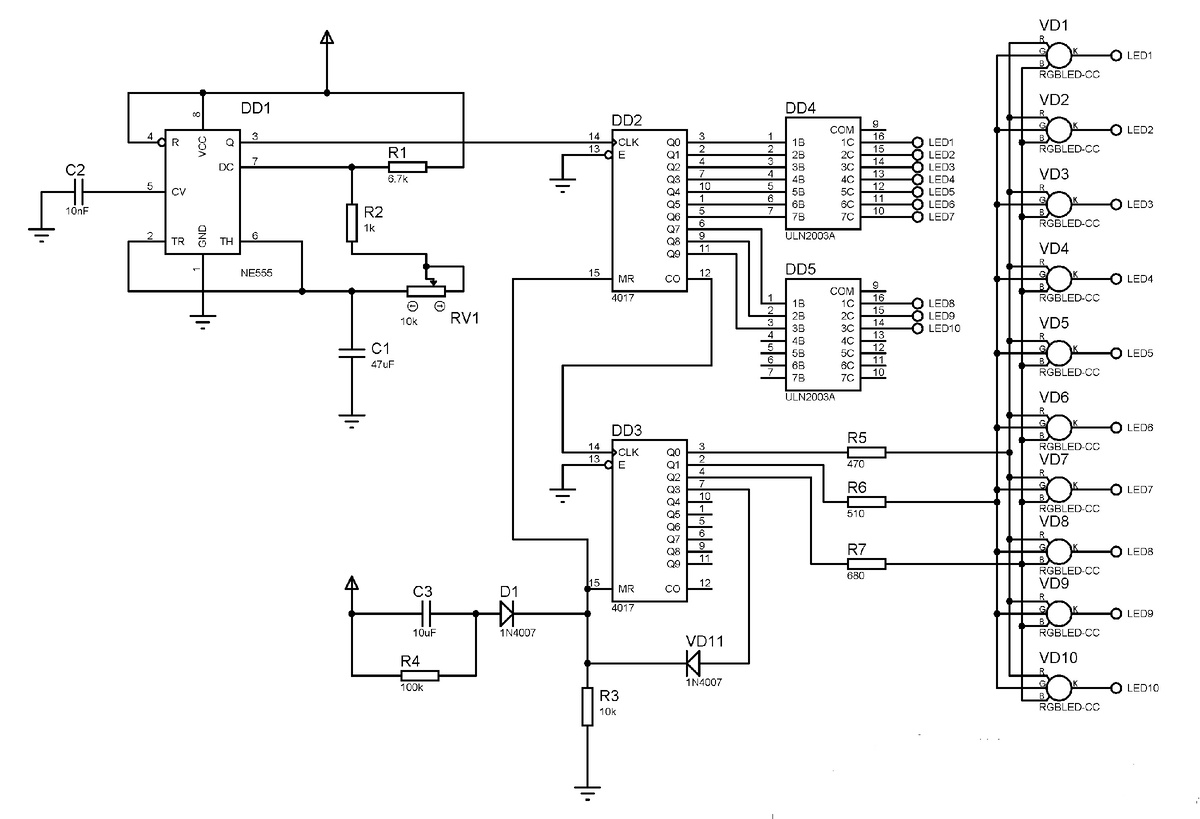
На DD1 (NE555) выполнен тактовый генератор, определяющий скорость переключения светодиодов.

Сигнал с генератора поступает на DD2 (CD4017). К выходам этой микросхемы подключены ключи на ULN2003 (DD4, DD5), соединяющие катоды светодиодов с землёй.

Микросхема ULN2003 представляет собой набор из семи электрических ключей, каждый до 500 мА, 50 В. При этом управляются логическим сигналом 3 – 5 вольт. Входы их уже подтянуты к земле. Конечно, такие большие выходные уровни в данном случае не потребуются, фактически мы используем её в качестве инвертора.

цоколёвка
цоколёвка

В данном случае вывод 9 (COM) не используется, он нужен только для подключения индуктивных нагрузок. Вообще две этих микросхемы можно заменить десятью транзисторными ключами, но наверное с микросхемами удобнее.

Второй счётчик CD4017 (DD3) считает десятки, переключая цветовые группы через каждые десять импульсов подключенные через резисторы R5-R7. Номиналы этих резисторов подбирал экспериментально, чтобы все три цвета визуально воспринимались максимально равномерно. Меньше 300 Ом ставить нельзя. При достижении значения 30 импульсов появится сигнал на выходе Q3, который через диод подключен к выводам сброса счётчиков.

RC цепочка R8, R3, C8 формирует импульс сброса в момент включения питания.

Спаял на макетной плате

результат
результат

Кстати, можно было бы применить RGB светодиоды с общим анодом, тогда схема слегка упростилась бы. В таком случае можно подавать сигналы с первого счётчика непосредственно на общие аноды, а вторым счётчикам управлять цветовыми группами, через ключи, то есть вместо десяти электронных ключей требуется всего три. В итоге можно оставить только одну из двух ULN2003, или вообще заменить их тремя транзисторами. Но у меня RGB светодиодов с общим анодом не оказалось в нужном количестве, тем более хотелось поэкспериментировать с только что пришедшими ULN2003.

видео: