Найти в Дзене
ЭЛЕКТРИКА

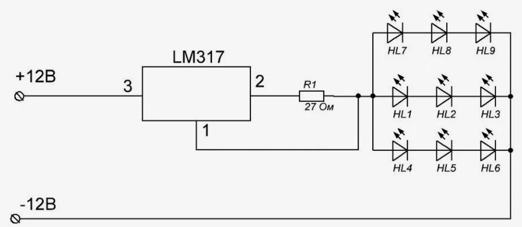
Секретный СТАБИЛИЗАТОР ТОКА с диапазоном от 3,0 до 300 Вольт.

Стабилизация тока при изменении напряжения задача и простая и непростая одновременно. С одной стороны всем поголовно нужны стабилизаторы тока и для этого используются старые и новые схемы и микросхемы с другой стороны настоящие инженеры - радиолюбители предлагают решения настолько простые, что в них верится с трудом даже умным и прошаренным электрикам. И, если с транзисторами и диодами в качестве программатора обычный радиолюбитель может хоть как-то разобраться и понять, что, куда и почему протекает, то со схемой Дмитрия Компанца всё просто печально Ну не может-же быть такого, чтобы это могло работать! с диапазоном разнящимся в два порядка. Согласно теории заговора - корпорации выпускающие чипы стабилизаторов тока всячески уничтожают прогрессивные знания и их носителей подрывающих основу основ буржуинского благосостояния. Обладая всемогуществом над свободными платформами и СМИ, они запросто могут объявить инженера изобретателя и рационализатора врагом и террористом, прилепив ярлык на п
СТАБИЛИЗАТОР ТОКА с диапазоном от 3,0 до 250 Вольт
СТАБИЛИЗАТОР ТОКА с диапазоном от 3,0 до 250 Вольт

Стабилизация тока при изменении напряжения задача и простая и непростая одновременно. С одной стороны всем поголовно нужны стабилизаторы тока и для этого используются старые и новые схемы и микросхемы

-2

с другой стороны настоящие инженеры - радиолюбители предлагают решения настолько простые, что в них верится с трудом даже умным и прошаренным электрикам.

-3

И, если с транзисторами и диодами в качестве программатора обычный радиолюбитель может хоть как-то разобраться и понять, что, куда и почему протекает, то со схемой Дмитрия Компанца всё просто печально

-4

Ну не может-же быть такого, чтобы это могло работать! с диапазоном разнящимся в два порядка.

Согласно теории заговора - корпорации выпускающие чипы стабилизаторов тока всячески уничтожают прогрессивные знания и их носителей подрывающих основу основ буржуинского благосостояния. Обладая всемогуществом над свободными платформами и СМИ, они запросто могут объявить инженера изобретателя и рационализатора врагом и террористом, прилепив ярлык на подобие этого

-5

И вот теперь многие изобретения полезные для народа стали совершенно секретными и доступными только друзьям и подписчикам у которых, к стати, из подписок волшебным образом исчезают целые группы каналов неугодных "правильным" человекам. "За деньги? Да!"

Почему вы не знаете многого, а завтра будете знать еще меньше и не передадите своим детям ни крохи знаний - ? - ответ банален понятен даже Арабским принцам дети которых покидают университеты старого света образованием в которых так хвалились стареющие элиты.