Найти в Дзене
Научные забавы

Мультиволновой осциллятор Лаховского: устройство, которое могло изменить медицину

«Я посвятил всю мою жизнь, все мои
средства на борьбу с раком. Лучшим
вознаграждением, которое я мог бы себе
пожелать, это видеть, как с помощью
моего аппарата излечиваются бедные люди;
нет ничего лучше, чем видеть своих
пациентов через несколько лет здоровыми и
полными сил, в глазах которых при встрече
я читаю благодарность и

«Я посвятил всю мою жизнь, все мои
средства на борьбу с раком. Лучшим
вознаграждением, которое я мог бы себе
пожелать, это видеть, как с помощью
моего аппарата излечиваются бедные люди;
нет ничего лучше, чем видеть своих
пациентов через несколько лет здоровыми и
полными сил, в глазах которых при встрече
я читаю благодарность и
признательность. Это для меня ценнее
всех богатств и почестей этого мира»

Георгий Лаховский

В 1931 году Георгий Лаховский заканчивает разработку мультиволнового осциллятора (МВО)— устройства, обещавшего революцию в лечении рака. Его принцип: не убивать опухоли ядом или излучением, а «настраивать» клетки на здоровые частоты.

МВО генерировал электромагнитные волны длиной от 3 м до инфракрасного диапазона. Устройство состояло из катушек Удена*, искрового прерывателя, концентрических колебательных контуров (антенн), соединённых шёлковыми нитями в единую конструкцию.

*) Катушка Удена, также называемая генератором Удена или резонатором Удена, представляет собой резонаторный трансформатор, который генерирует высокое напряжение, высокочастотный переменный ток при низком уровне силы тока. Катушки Удена использовались в электротерапии на рубеже XX века.Катушка Удена очень похожа на катушку Теслы, с той лишь разницей, что катушка Удена подключается как автотрансформатор. Катушка Удена была изобретена в 1893 году французским врачом Полем Мари Уденом, как модификация электротерапевтического оборудования Жака Арсена д’Арсонваля.

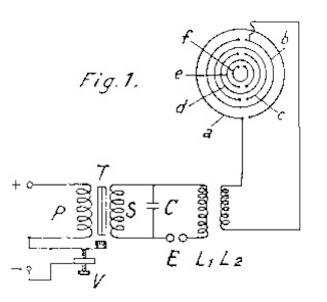
                                            Схема мультиволнового осциллятора Лаховского:
T — трансформатор (P первичная обмотка, S вторичная обмотка, V — регулировочный винт, C конденсатор, обеспечивающий разряд между электродами E, который обеспечивает колебания самоиндукции в катушке L1, которая , в свою очередь, индуцирует колебания в катушке L2; эта катушка самоиндукции второго уровня связана на одной стороне с первым внешним кольцом «a», с другой стороны со следующим кольцом «b». Таким образом формируется электростатическое поле высокой частоты, вызываеющее колебания в других кольцах «c», «d», «e», «f».
Схема мультиволнового осциллятора Лаховского: T — трансформатор (P первичная обмотка, S вторичная обмотка, V — регулировочный винт, C конденсатор, обеспечивающий разряд между электродами E, который обеспечивает колебания самоиндукции в катушке L1, которая , в свою очередь, индуцирует колебания в катушке L2; эта катушка самоиндукции второго уровня связана на одной стороне с первым внешним кольцом «a», с другой стороны со следующим кольцом «b». Таким образом формируется электростатическое поле высокой частоты, вызываеющее колебания в других кольцах «c», «d», «e», «f».

Терапевтическая процедура заключалась в следующем: пациент размещался между антеннами на расстоянии 0,8–1,5 м, затем включалось питание устройства. Сеанс длился 15 минут, процедуры проводились через день.

                                                                            Фотография сеанса терапии
Фотография сеанса терапии

Лаховский утверждал, что МВО восстанавливает резонансные частоты здоровых клеток, подавляет колебания раковых клеток за счёт усиления амплитуды «правильных» волн, не вызывает ожогов (в отличие от КВЧ-терапии).

Результаты его исследований были представлены Парижской академии наук, Лондонскому королевскому обществу, Берлинскому химическому обществу и Академии наук Португалии. Лаховский получил разрешение от руководителей нескольких парижских больниц на оказание помощи больным раком, в некоторых случаях добившись неожиданного излечения в период с 1931 по 1938 год. Отмечалось, что в результате применения МВО не было зарегистрировано побочных эффектов. В 1937 году он продемонстрировал на Венском конгрессе результаты,которых он достиг с помощью своего новейшего устройства.

В 1941 году, когда Франция была оккупирована нацистами, Лаховский, ярый антифашист, покидает Париж и переезжает в Нью-Йорк.

В США он продолжает свои исследования, однако в августе 1942 года его жизнь трагически обрывается: его сбивает автомобиль и 31 августа 1942 года он умирает в больнице Адельфи в Бруклине.

Вскоре после смерти Лаховского Управление по санитарному надзору за качеством пищевых продуктов и медикаментов Министерства здравоохранения и социальных служб США накладывает полный запрет на использование мультиволнового осциллятора на том основании, что это устройство "служило только шарлатанству и не обладало никаким целебным эффектом". Его продажа и лечение людей были запрещены, а уже проданные устройства демонтированы и изъяты из больниц.

Вполне закономерен вопрос — почему мультиволновой осциллятор Лаховского стал историей и не используется современной медициной?

На этот вопрос существует несколько ответов:

- с точки зрения научной методологии, принятой в современной медицине, можно сказать, что исследования эффективности применения МВО просто не были завершены при жизни Лаховского: не проводилось рандомизированных контрольных экспериментов; случаи выздоровления описывались без долгосрочных наблюдений; механизм воздействия оставался гипотетическим;

- возможно, что ситуация развивалась бы по другому, если бы не произошла оккупация Франции нацистами и исследования, проводившиеся Лаховским в больницах Парижа, не были бы прерваны;

- можно предположить, что запрет применения МВО в США после смерти Лаховского (обстоятельства которой предполагают довольно неоднозначное толкование) вызван конкуренцией, поскольку стандартами онкологии стали химио- и радиотерапия, одобренные министерствами здравоохранения всех стран мира.

Сегодня МВО упоминается в контексте истории альтернативной медицины, исследований биорезонанса (не признанного доказательной медициной), а также в рамках дискуссий о подавлении «неудобных» изобретений.

Некоторые энтузиасты воссоздают осцилляторы по схемам Лаховского, но клинические испытания не проводятся.

Таким образом, мультиволновой осциллятор Лаховского является одним из примеров дерзкой идеи, застрявшей между наукой и мифом. Он показал, как легко революционная гипотеза может стать жертвой обстоятельств, даже если в ней есть зерно истины.

В нашей следующей статье: простая модель мультиволнового осциллятора Лаховского и эксперименты с ним (оригинальные исследования)