Найти в Дзене
Меандр Радиолюбитель

Синтезатор частоты для трансивера.

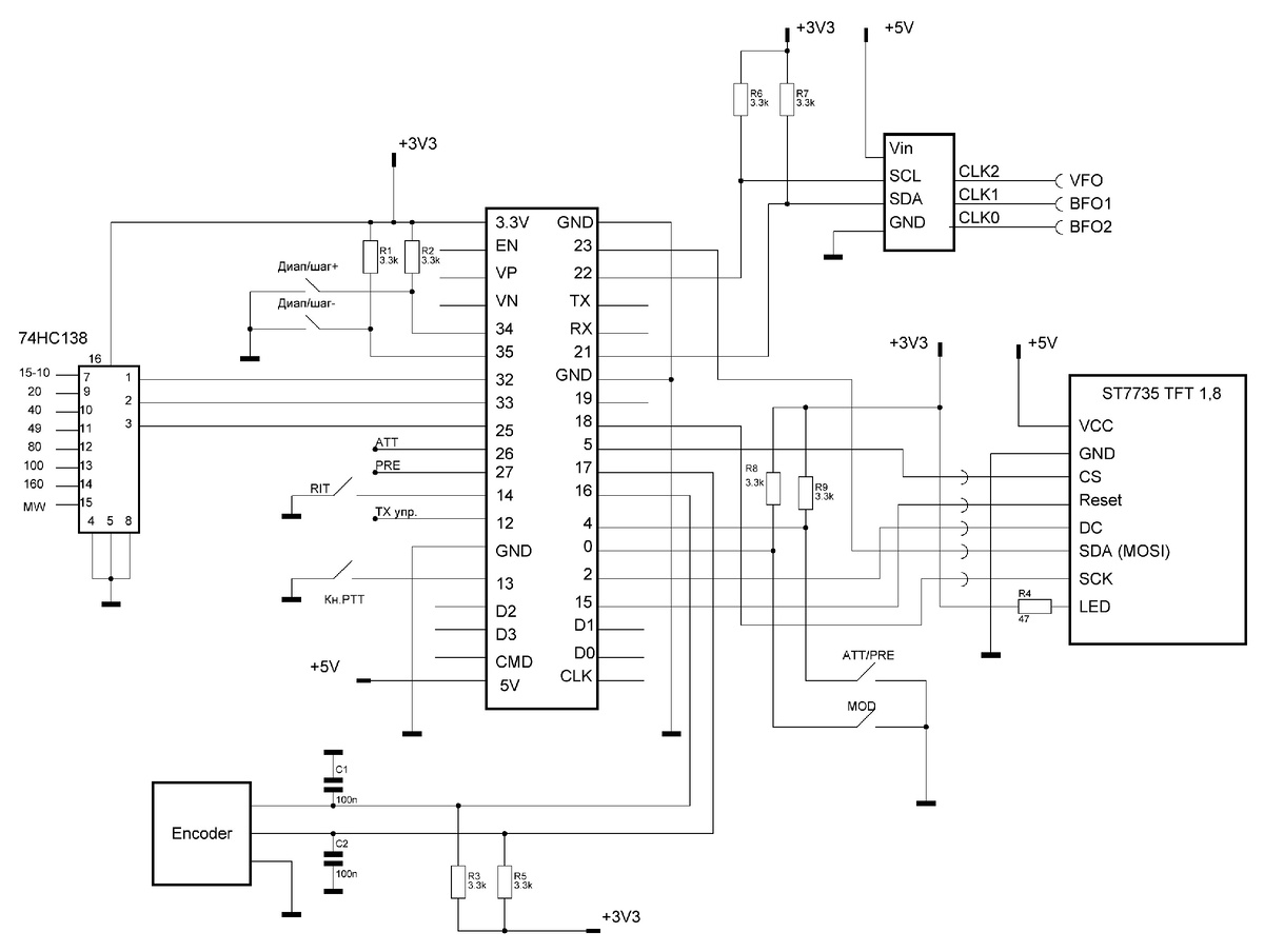
Всем доброго. Наконец-то я могу поделиться новой прошивкой, которая отвечает всем требованиям для использования в простом трансивере с одним преобразованием частоты.
Если вспомнить первую статью, я с ней мудохался три года! Прошивка доступна по этой ссылке. Синтезатор работает в девяти диапазонах: Режим АМ теперь отсутствует. Станции с амплитудной модуляцией я слушаю в режиме SSB — всё работает прекрасно, а зачастую даже удобнее, чем с АМ-детектором. Если помеха лезет сверху, слушаем нижнюю боковую полосу; если снизу — верхнюю.
Переключение ВБП/НБП происходит, как и раньше, автоматически (в зависимости от выбранного диапазона) и вручную. При этом никаких дополнительных коммутаций не требуется — всё выполняет синтезатор. Коммутация диапазонных фильтров теперь осуществляется отдельной микросхемой-демультиплексором. Микросхема 74HC138 подключается к ESP32 тремя выводами и управляет восемью коммутаторами (ранее их было семь).
Управление фильтрами — автоматическое: выбираем диапазон, и н

Всем доброго. Наконец-то я могу поделиться новой прошивкой, которая отвечает всем требованиям для использования в простом трансивере с одним преобразованием частоты.
Если вспомнить первую статью, я с ней мудохался три года!

Прошивка доступна по этой ссылке.

Синтезатор работает в девяти диапазонах:

  1. Средние волны (MW)
  2. 160 м
  3. 100 м («Тройка»)
  4. 80 м
  5. 49 м
  6. 40 м
  7. 20 м
  8. 15 м
  9. 10 м

Режим АМ теперь отсутствует. Станции с амплитудной модуляцией я слушаю в режиме SSB — всё работает прекрасно, а зачастую даже удобнее, чем с АМ-детектором. Если помеха лезет сверху, слушаем нижнюю боковую полосу; если снизу — верхнюю.
Переключение ВБП/НБП происходит, как и раньше, автоматически (в зависимости от выбранного диапазона) и вручную. При этом никаких дополнительных коммутаций не требуется — всё выполняет синтезатор.

Коммутация диапазонных фильтров теперь осуществляется отдельной микросхемой-демультиплексором. Микросхема 74HC138 подключается к ESP32 тремя выводами и управляет восемью коммутаторами (ранее их было семь).
Управление фильтрами — автоматическое: выбираем диапазон, и на соответствующем выводе микросхемы устанавливается низкий уровень. Да, это не ошибка, так и задумано: на всех выводах — высокий уровень, и только на активном — низкий. Иными словами, активный вывод подтягивается к общему проводу. Изначально я планировал иначе, но оказалось, что у меня в запасе есть 10 новых микросхем, а они работают только так. Не помню, зачем я их покупал, а это значит, что если я не приспособлю их сюда, то уже никуда не приспособлю!

Обновления:

Добавлен выключатель аттенюатора (высокий уровень на пине G26).

Добавлен выключатель УВЧ/предусилителя (высокий уровень на пине G27).

Добавлена расстройка ±5 кГц.

Добавлен выключатель «Приём/Передача» (высокий уровень на пине G12).

Убран адаптивный шаг. Судя по отзывам пользователей предыдущих версий, он был не очень удобен. Теперь шаг переключается по необходимости и может быть 10 Гц, 100 Гц, 1 кГц или 10 кГц. Шаг можно менять как по кругу, так и в любую сторону.

-2

Память. Для экономии EEPROM и чтобы не захламлять синтезатор лишними сохранениями за пределами диапазона, параметры теперь сохраняются только при переходе на другой диапазон с помощью кнопки и только если мы находимся в границах диапазона. Если мы в «нейтральных водах», никакие действия не записываются в память. Аналогично, внутри диапазона никакие изменения не сохраняются, пока не будет нажата кнопка переключения диапазона.
Если кнопка переключения нажата за пределами прописанных границ диапазонов, сохранения не происходит.
Если мы выходим за границы диапазона не кнопкой, а вращением энкодера, в ячейке предыдущего диапазона остаются те настройки, которые были при входе в него.

Расстройка. В режиме расстройки цифровая шкала отображается красным цветом, а слева по центру экрана вместо шага настройки показывается значение, на которое мы расстроили приём. На основной шкале отображается фактическая частота.

-3

Если мы подстроились на корреспондента расстройкой и он у нас спросит - "на какой частоте я вещаю?" нам не надо вычитать из частоты частоту расстройки, мы на основной шкале видим частоту на которой вещает радиолюбитель. При нажатии кнопки «Передача» частота возвращается к исходной; при отпускании кнопки частота снова сдвигается. Расстройка автоматически сбрасывается при смене вида модуляции или диапазона. Шаг расстройки игнорирует шаг обычного режима и всегда равен 10 Гц. Значение расстройки также сбрасывается при её отключении — пока не уверен, насколько это правильно, подсказывайте.

-4

Пока это всё. Я уже не знаю, что можно добавить. Все пины заняты, но есть способ освободить как минимум три пина — что на них подключить? Да, это вопрос…
Можно попробовать добавить S-метр, но дисплей и так забит информацией под завязку — шкалу измерителя туда уже не втиснуть. Да и программная часть — не просто мигалка светодиода. В любом случае, я думаю об измерителе сигнала и, возможно, найду какой-то компромисс.

В текущей версии прошивки возможны ошибки. Прошу тех, кто их заметит, не молчать — пишите отзывы.

На этом пока всё. Спасибо за внимание.