Найти в Дзене
Научные забавы

Мультиволновой осциллятор Лаховского своими руками и простые эксперименты с ним

В начале XX века французский исследователь российского происхождения Георгий Лаховский предложил концепцию мультиволнового осциллятора — устройства, генерирующего широкий спектр электромагнитных колебаний. Согласно его теории, живые клетки обладают собственной резонансной частотой, а внешнее воздействие электромагнитных волн определённой интенсивности может стимулировать биологические процессы и способствовать излечению заболеваний. Подробнее об этом заинтересованный читатель может прочитать в наших предыдущих публикациях. Несмотря на спорный характер оригинальной теории и отсутствие клинически подтверждённых результатов, концепция Лаховского представляет интерес как пример раннего подхода к биоэлектромагнитным взаимодействиям. Желание изготовить осциллятор своими руками родилось из смеси научного любопытства, технической увлечённости и стремления лично проверить границу между «фантазией» и «возможностью» в истории науки. Ведь действительно, осциллятор Лаховского — пример «забытой наук

В начале XX века французский исследователь российского происхождения Георгий Лаховский предложил концепцию мультиволнового осциллятора — устройства, генерирующего широкий спектр электромагнитных колебаний.

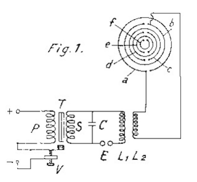
                 Оригинальная схема мультиволнового осциллятора Лаховского:
T — трансформатор (P первичная обмотка, S вторичная обмотка, V — регулировочный винт, C конденсатор, обеспечивающий разряд между электродами E, который обеспечивает колебания самоиндукции в катушке L1, которая , в свою очередь, индуцирует колебания в катушке L2; эта катушка самоиндукции второго уровня связана с одной стороны с первым внешним кольцом «a», с другой стороны со следующим кольцом «b». Таким образом формируется электростатическое поле высокой частоты, вызываеющее колебания в других кольцах «c», «d», «e», «f».
Оригинальная схема мультиволнового осциллятора Лаховского: T — трансформатор (P первичная обмотка, S вторичная обмотка, V — регулировочный винт, C конденсатор, обеспечивающий разряд между электродами E, который обеспечивает колебания самоиндукции в катушке L1, которая , в свою очередь, индуцирует колебания в катушке L2; эта катушка самоиндукции второго уровня связана с одной стороны с первым внешним кольцом «a», с другой стороны со следующим кольцом «b». Таким образом формируется электростатическое поле высокой частоты, вызываеющее колебания в других кольцах «c», «d», «e», «f».

Согласно его теории, живые клетки обладают собственной резонансной частотой, а внешнее воздействие электромагнитных волн определённой интенсивности может стимулировать биологические процессы и способствовать излечению заболеваний. Подробнее об этом заинтересованный читатель может прочитать в наших предыдущих публикациях.

Несмотря на спорный характер оригинальной теории и отсутствие клинически подтверждённых результатов, концепция Лаховского представляет интерес как пример раннего подхода к биоэлектромагнитным взаимодействиям.

Желание изготовить осциллятор своими руками родилось из смеси научного любопытства, технической увлечённости и стремления лично проверить границу между «фантазией» и «возможностью» в истории науки.

Ведь действительно, осциллятор Лаховского — пример «забытой науки», идеи которой не вошли в мейнстрим, но не были и окончательно опровергнуты. Попробовать его воссоздать — это способ задать вопрос: что мы теряем, когда отбрасываем нестандартные теории, и можно ли найти в них зёрна истины при внимательном, методичном подходе?

Ввиду невозможности проведения клинических испытаний на людях (в силу этических и методологических ограничений), было принято решение сфокусироваться на изучении влияния излучения модели осциллятора на биологические системы иного уровня организации. Обоснование конкретного выбора тестовых биологических систем мы представим нашим читателям чуть позже, ну а сейчас — обсудим возможность изготовления модели мультиволнового осциллятора Лаховского своими руками.

Естественно, изначально возник вопрос — стараться изготовить более или менее точную копию этого устройства, как например, представлено на фотографии ниже, или ограничиться более простой технической реализацией?

-2

Было принято решение — по крайней мере, пока, пойти более простым путем, тем более, что современные прототипы для этого существуют.

-3

Был приобретен, размечен и протравлен лист фольгированного стеклотекстолита размером 50 на 50 сантиметров.

-4

Травление такой большой «печатной платы» домашних условиях представляет довольно большую проблему, как из-за необходимости наличия большой емкости, в которую поместится такое изделие, так и с точки зрения выбора реактивов для травления. Помимо того, что реактива для такой работы потребуется довольно много (даже если покрывать наше изделие слоем реактива в 1 сантиметр, потребуется не менее 2.5 литров!), наиболее часто применяемые для травления печатных плат реактивы (хлорное железо, медный купорос) еще и довольно агрессивны…

Ну а мы выражаем огромную благодарность автору поста https://radioskot.ru/publ/konstruktiv/travlenie_pechatnykh_plat/13-1-0-648, который щедро поделился гораздо более экологичным способом травления печатных плат (тем более — большого размера), чем использование хлорного железа или медного купороса:

-5

Итак, антенна излучателя готова:

-6

Осталось проверить ее работоспособность, подключив к катушке Теслы, как это показано на фотографии, или к высоковольтному источнику, собранному в соответствии с описанием с ресурса LaserKids: https://laserkids.sourceforge.net/rus_hv_guide.html

-7

Теперь, когда мы получили работоспособную модель, нужно вернуться к поднятому в начале статьи вопросу о выборе биологических тест-систем и экспериментам с ними. Подчеркнем, что в рамках любительской лаборатории ответить на вопрос, оказывает ли мультиволновой осциллятор Лаховского терапевтическое воздействие, невозможно. Поэтому основным вопросом, на который мы могли получить ответ — а как вообще влияет низкоинтенсивное электромагнитное излучение с очень широким спектром частот на биологические объекты?

Итак, наши биологические тест-системы и обоснование целесообразности из применения:

Семена сельскохозяйственных растений

  • служат удобной модельной системой для оценки стимуляции роста и развития;
  • позволяют количественно измерять скорость прорастания (длина корешка, процент всхожести);
  • дают возможность выявить потенциальные эффекты электромагнитного воздействия на ранние стадии морфогенеза.

Пекарские дрожжи (Saccharomyces cerevisiae)

  • являются классическим модельным организмом в микробиологии;
  • обладают быстрым циклом размножения, что ускоряет получение результатов;
  • позволяют изучать влияние излучения на метаболическую активность и динамику роста популяций.

Было бы также интересно провести ряд микробиологических тестов, используя, скажем, бактерии Bifidobacterium bifidumи Bacillus subtilis. Почему именно эти культуры? - Ну, во-первых из-за легкой доступности. Первую культуру можно приобрести в аптеке в виде препарата «Бифидумбактерин», вторую — в составе препаратов «Фитоспорин» или «Бактоник» в магазинах для садоводов. Помимо доступности в приобретении, можно также перечислить следующие интересные особенности их применения в качестве тест-систем:

  • эти бактерии представляют разные таксономические группы (анаэробные актинобактерии и аэробные фирмикуты);
  • они имеют различную экологическую нишу и физиологию, что позволяет оценить специфичность воздействия;
  • они широко используются в биотехнологиях и медицине, поэтому любые эффекты излучения могут иметь прикладное значение.

Однако на данный момент мы только нарабатываем необходимый практический опыт по культивированию этих микроорганизмов, поэтому о результатах их использования в качестве тест-систем в наших экспериментах сможем рассказать несколько позднее.

Подробно об использованных нами методах исследования и полученных результатах заинтересованный читатель сможет прочесть в Альманахе «Научных забав», первый выпуск которого запланирован на конец января 2026 года.

Здесь же приведем самый первый и самый простой проведенный нами эксперимент.

Экспонируем в течение 15 минут стаканчик с семенами редиса. Второй такой же — контрольный — находится в другом помещении.

-8

Затем семена в обоих стаканчиках проращиваются в одинаковых условиях. И вот — результат:

                                                      На фотографии слева направо:
    • семена, подвергавшиеся экспозиции моделью мультиволнового осциллятора в катушкой Теслы в качестве источника высокочастотных колебаний, подключенного к антенне;
    • семена, подвергавшиеся экспозиции моделью мультиволнового осциллятора с источником высокочастотных колебаний, собранным по схеме, описанной здесь: https://laserkids.sourceforge.net/rus_hv_guide.html;
    • семена, не подвергавишиеся воздействию, но пророщенные в одинаковых условиях с первыми двумя группами.
На фотографии слева направо: • семена, подвергавшиеся экспозиции моделью мультиволнового осциллятора в катушкой Теслы в качестве источника высокочастотных колебаний, подключенного к антенне; • семена, подвергавшиеся экспозиции моделью мультиволнового осциллятора с источником высокочастотных колебаний, собранным по схеме, описанной здесь: https://laserkids.sourceforge.net/rus_hv_guide.html; • семена, не подвергавишиеся воздействию, но пророщенные в одинаковых условиях с первыми двумя группами.

Настоящей статьей мы завершаем серию публикаций о жизни и исследованиях одного из пионеров биорезонансной терапии, Георгия Лаховского, а также о простых экспериментах с моделью его мультиволнового осциллятора . Заинтересованный читатель найдет более полное освещение этой темы в Альманахе «Научных забав», первый выпуск которого запланирован на конец января 2026 года. Следите за нашими анонсами!