Найти в Дзене

Преобразователь сопротивления датчика температуры в напряжение

Автор: Вальпа Олег Приведена методика повышения точности измерения температуры с помощью простого электронного преобразователя сопротивления датчика температуры в напряжение, разработанного автором статьи. В современном мире активно применяется измерение температуры в системах мониторинга и автоматического регулирования. Для измерения температуры в основном используются недорогие и широко распространённые резистивные датчики температуры на основе платины или меди. К семейству таких датчиков относятся: Pt100, Pt1000, 50П, 100П, 50М, 100М и т.п. Внешний вид такого датчика представлен на рис. 1. Присутствующие в названии этих датчиков числа указывают на значение их сопротивления при нуле градусов Цельсия, а буквы обозначают металл, из которого изготовлен чувствительный элемент датчика: Pt и П – платина, М – медь. Эти датчики имеют почти линейную зависимость своего сопротивления от температуры в широком диапазоне. Например, для датчика Pt100 этот диапазон имеет значения от –200°C до +850°C
Оглавление

Автор: Вальпа Олег

Приведена методика повышения точности измерения температуры с помощью простого электронного преобразователя сопротивления датчика температуры в напряжение, разработанного автором статьи.

Введение

В современном мире активно применяется измерение температуры в системах мониторинга и автоматического регулирования. Для измерения температуры в основном используются недорогие и широко распространённые резистивные датчики температуры на основе платины или меди. К семейству таких датчиков относятся: Pt100, Pt1000, 50П, 100П, 50М, 100М и т.п. Внешний вид такого датчика представлен на рис. 1.

Рис. 1. Внешний вид датчика температуры
Рис. 1. Внешний вид датчика температуры

Присутствующие в названии этих датчиков числа указывают на значение их сопротивления при нуле градусов Цельсия, а буквы обозначают металл, из которого изготовлен чувствительный элемент датчика: Pt и П – платина, М – медь.

Эти датчики имеют почти линейную зависимость своего сопротивления от температуры в широком диапазоне. Например, для датчика Pt100 этот диапазон имеет значения от –200°C до +850°C. При этом сопротивление такого датчика будет изменяться от 18 Ом до 850 Ом, соответственно. Характеристики для данного и других типов датчиков указаны в источнике [1]. В этом же документе приведены формулы для вычисления температуры в зависимости от сопротивления датчика.

Проблемы измерения

Использование подобных датчиков в полном диапазоне температуры не позволяет получить высокой точности измерения и регулирования по ряду причин.

Одной из причин является ограничение разрядности измерительного аналого-цифрового преобразователя (АЦП) измерителя. В большинстве систем автоматики чаще всего используют АЦП с разрядностью 10 бит или 12 бит. Например, при использовании 10-разрядного АЦП показания датчика температуры в полном диапазоне температуры от –200°C до +850°C можно измерять с дискретностью dT = (850 + 200) / 1023, имеющей значение более 1°C. Это довольно низкая точность и не годится, например, для регулирования температуры в инкубаторах птичьих яиц, где необходима дискретность измерения и регулирования менее 0,2°C.

Кроме того, с целью упрощения расчётов для расчёта температуры по сопротивлению датчика обычно используют приблизительную формулу.

На практике точность измерения будет ещё хуже, поскольку в формуле расчёта используется более широкий диапазон изменения сопротивления датчика температуры от 0 до нескольких кОм. Это связано с простой схемой измерения, которая состоит из сопротивления, ограничивающего ток измерения, и самого датчика.

Ток измерения для резистивных датчиков устанавливается небольшим, например, 1 мА, чтобы не нагревать сам датчик и не вносить тем самым дополнительную ошибку в измерения. При таком малом токе измерения падение напряжения на датчике температуры будет составлять от 18 до 390 мВ на линейном участке. Этот малый диапазон измеряемого напряжения подвержен наведённым помехам и не позволяет добиться высокой точности измерений. Как же избавиться от указанных недостатков?

Методика повышения точности измерения

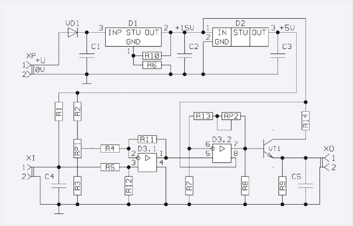
Одним из простых методов повышения точности измерений служит применение преобразователя, базирующегося на измерительном мосте Чарльза Уитстона [2] с усилителем сигнала. Схема такого преобразователя приведена на рис. 2.

Рис. 2. Схема электрическая принципиальная преобразователя
Рис. 2. Схема электрическая принципиальная преобразователя

Данный преобразователь позволяет задать необходимый диапазон измерения температуры и увеличить амплитуду измеряемого напряжения, способствуя тем самым значительному повышению точности измерений.

Схема преобразователя достаточно простая. Мост Уитстона состоит из элементов R1, R2, RP1 с R3 и сопротивления самого датчика температуры Pt100, подключаемого к соединителю XI. С помощью подстроечного резистора RP1 устанавливается минимальное значение измеряемой температуры. Например, если подстроить значение этого резистора до минимального значения 0 Ом, тогда нижнее правое плечо моста будет иметь значение, равное сопротивлению резистора R3, которое имеет значение 18 Ом и соответствует сопротивлению датчика температуры при минус 200°C. Подстраиваем резистор RP1 до его максимального значения 100 Ом, тогда значение нижнего правого плеча моста совместно с сопротивлением резистора R3 станет равным 118 Ом, что будет соответствовать сопротивлению датчика температуры при +50°C. Таким образом, можно подстроить нижнюю границу измеряемой температуры от –200°C до +50°C.

Первый каскад дифференциального усилителя организован на операционном усилителе D3.1 и резисторах R4, R5, R11, R12, с помощью которых производится увеличение амплитуды измеряемого сигнала в 10 раз.

Второй каскад усилителя с подстраиваемым коэффициентом усиления построен на элементах D3.2, RP2, R13, R7…R9, R14 и VT1. Этот каскад позволяет установить верхний диапазон измерений температуры, соответствующий выходному напряжению 10 В с помощью подстроечного резистора RP2.

Конденсаторы C4 и C5 фильтруют импульсные помехи, которые могут наводиться от внешних источников на вход и выход преобразователя.

Питание преобразователя осуществляется от внешнего источника питания с напряжением 24 В, подключённого к разъёму XP. Для защиты от переполюсовки при подключении источника питания в преобразователе установлен защитный диод VD1. Напряжение питания 24 В преобразуется стабилизатором D1 с резисторами R10 и R6 в питающее напряжение 15 В для операционных усилителей и выходного каскада преобразователя. Второй преобразователь напряжения на основе микросхемы D2 преобразует напряжение 15 В в стабильное напряжение питания 5 В для измерительного моста. Конденсаторы C1…C3 обеспечивают фильтрацию питающих напряжений.

Таким образом, преобразователь формирует измерительное напряжение от 0 до 10 В для установленного диапазона температур.

Перечень элементов преобразователя представлен в табл. 1.

Таблица 1. Перечень элементов преобразователя
Таблица 1. Перечень элементов преобразователя

Вместо приведённых в таблице элементов допускается использовать аналогичные элементы другого типа.

Устройство изготавливается на монтажной или специально разработанной печатной плате и размещается в любом корпусе с подходящими размерами, например, в обычной пластиковой коробке для электрического монтажа.

Допустим, в шкафу инкубации яиц необходимо поддерживать температуру от +25°C до +40°C. Подстроив преобразователь на этот диапазон, можно будет производить измерение и регулировку температуры для 10-разрядного АЦП с точностью (40–25)/1023 = 0,015 градуса. Так будет достигнута необходимая точность.

Выходное значение измерительного напряжения преобразователя при этом будет изменяться в диапазоне от 0 до 10 В, что обеспечивает высокую помехоустойчивость измерений. При этом можно использовать недорогой платиновый датчик температуры Pt100.

Таким образом, несложное электронное устройство позволяет решить важную задачу повышения точности измерений, актуальную во все времена для многих систем.

Приведённую здесь схему легко адаптировать для использования другого типа датчика температуры, например, для Pt1000. Для этого потребуется изменить номинал резистора R3 на 180 Ом и сопротивление подстроечного резистора RP1 на 1 кОм.

Схему преобразователя можно проверить в онлайн-симуляторе [3]. На рис. 3 приведён экран данного симулятора с описанной схемой.

Рис. 3. Экран симулятора схемы преобразователя
Рис. 3. Экран симулятора схемы преобразователя

Изменяя положение подстроечного резистора, включённого в симуляторе вместо датчика температуры, можно увидеть изменение напряжения на выходе схемы во всём диапазоне измерения температуры и тем самым проверить её работоспособность.

Данный симулятор позволяет проверять работу и других разрабатываемых электронных устройств, обходясь без макетирования и пайки, что значительно облегчает и ускоряет процесс разработки.

Проект схемы для симулятора можно скачать с сайта журнала [4].

Литература

  1. ГОСТ 6651-2009.

© СТА-ПРЕСС, 2026

Статья была опубликована в СЭ 1/2026
Больше интересного – на медиапортале
https://www.cta.ru/