Найти в Дзене

Триодный звук от председателя колхоза

Решил опубликовать свою древнюю статью «6с19п (двухтакт) и ТС-180-2 сладкая парочка» с форума VEGALAB с дополнительными пояснениями. Текст представлен в оригинале. Уж очень тогда хотелось услышать триодный звук. Как говориться – увидеть Париж и умереть. А причём здесь колхоз – Вы узнаете из комментариев. Но в начале немного о ламповых усилителях. Поясню, почему их так любят. Ведь они красиво искажают звук. Но есть и другая причина обожания и главная при этом. Они имеют выходное сопротивление, сопоставимое с сопротивлением АС. А это значит, по законам электродинамики, что происходит оптимальная передача энергии от генератора к потребителю. А что скажет на это акустика? Да она звучит гораздо естественнее, чем задемпфированная в ноль. Тут и триоды вне конкуренции и в виду с присущими им линейным анодным характеристикам, стало возможно отказаться от межкаскадной глубокой обратной связи, уменьшающей выходное сопротивление. Применение двухтактных каскадов способствует снижению об

Решил опубликовать свою древнюю статью «6с19п (двухтакт) и ТС-180-2 сладкая парочка» с форума VEGALAB с дополнительными пояснениями. Текст представлен в оригинале. Уж очень тогда хотелось услышать триодный звук. Как говориться – увидеть Париж и умереть. А причём здесь колхоз – Вы узнаете из комментариев. Но в начале немного о ламповых усилителях. Поясню, почему их так любят. Ведь они красиво искажают звук. Но есть и другая причина обожания и главная при этом. Они имеют выходное сопротивление, сопоставимое с сопротивлением АС. А это значит, по законам электродинамики, что происходит оптимальная передача энергии от генератора к потребителю. А что скажет на это акустика? Да она звучит гораздо естественнее, чем задемпфированная в ноль. Тут и триоды вне конкуренции и в виду с присущими им линейным анодным характеристикам, стало возможно отказаться от межкаскадной глубокой обратной связи, уменьшающей выходное сопротивление.

Применение двухтактных каскадов способствует снижению общего уровня гармоник и повышению максимальной мощности, получаемой от конкретных типов ламп. При этом исключается подмагничивание магнитопровода выходного трансформатора, что заметно снижает его размеры и существенно облегчает конструкцию двухканальных усилителей. Для высококачественных усилителей предпочтительно использовать лампы с низким внутренним сопротивлением, чтобы не применять выходные трансформаторы с большой индуктивностью первичной обмотки. Это - общие принципы конструирования, которые были приняты во внимание при разработке усилителя.

А теперь расхвалим конкретные экземпляры триодов. Несмотря на «стабилизаторное происхождение» - 6С19П достаточно хорошо работает в звуковых схемах, благодаря высокой линейности вольт амперных характеристик (ВАХ), малым искажениям и достаточно большой мощности рассеивания анода(11Вт). Кроме этого, лампа нейтральна по звучанию, то есть не вносит никакой собственной окраски в исходный музыкальный сигнал, что очень важно для достоверного звуковоспроизведения. К достоинствам можно также отнести относительно небольшое рабочее напряжение анодного источника, что позволяет в блоке питания использовать электролитические конденсаторы, рассчитанные на напряжение 250 вольт (а это относительно небольшие размеры и стоимость), и небольшой ток накала (1 ампер). Важным достоинством лампы является также низкое внутреннее сопротивление, что позволяет использовать выходные трансформаторы с относительно малым сопротивлением первичной обмотки переменному току (Ra). Кроме этого, низкое внутреннее сопротивление существенно улучшает звукопередачу в низкочастотном диапазоне.

Также была испытана в данном усилителе и брутальный двойной триод 6Н13С, вот он на фото. Он имеет похожие характеристики и играет также красиво, как и смотрится.

Недостатком указанных ламп следует признать достаточно большое напряжение раскачки, но эта проблема разрешима, если в качестве лампы драйвера применить триод с высоким коэффициентом усиления.

А вот то, что было опубликовано на форуме.

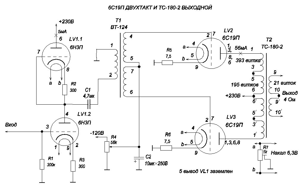
6С19П (двухтакт) и ТС-180-2 сладкая парочка

Цель написания этой статьи – возбудить интерес у братьев по «безумию» к развитию и исследованию этого проекта. Итак, собралась у меня дома гремучая смесь: коробка ламп 6С19П, два трансформатора ТС-180-2 и два симметрирующих развязывающих входных трансформатора от старых вещательных передатчиков. Так как я давно мечтал услышать триодный ламповый звук, да и контрольный усилитель был нужен для сравнения звучания транзисторных, то родилась конструкция выходного (новогоднего) дня, про которую я здесь поведую. Лампы в пару пришлось подбирать, 30 мин «жестил», 15 минут вход в режим с анодным (230В). Источник питания – брат-близнец ТС-180-2. При напряжении на управляющей сетке -80В разброс анодного тока составил от 20мА до 110мА. Включение и количество витков ТС-180-2 показаны на схеме. При анодном токе 56мА и небольшой раскачке получается практически класс А. Резисторы в цепях катодов – измерительные. Драйвер раскачки оконечного каскада собран по схеме усилительного каскада с динамической нагрузкой на триоде 6Н3П с током 5мА, КU=16 (с учетом разделительного трансформатора КU=8). Катодный резистор шунтировать не стал, дабы увеличить размах входного напряжения до 2В в амплитуде и улучшить согласование с нагрузкой. Правда ниже 40Гц каскад работает с небольшими искажениями, вылечил эквалайзером. 20000Гц – без проблем.
Несмотря на то, что источником сигнала была кривая звуковая карта ноутбука, а нагрузкой самодельная 4-х омная АС типа S-90 (см. альбом) – звук прозрачный, с легкой примесью теплых ламповых ноток. Душевно звучит классика и женский вокал. Бас хоть и советский, но все равно радует (без ностальгии не обошлось).

-2
-3

И, чтобы доказать, что всё это не плагиат – вот фото этого устройства.

-4