Добавить в корзинуПозвонить
Найти в Дзене

Статья №14. Активная защита танков. Без вычислительные КАЗ с РЛС всестороннего обзора

(Статья может редактироваться со временем). ГЛАВА 2 ПРИМЕНЕНИЕ НЕТРАДИЦИОННОГО ЧАСТОТНОГО МЕТОДА РАДИОЛОКАЦИИ 2.1. АКТИВНАЯ ЗАЩИТА ТАНКОВ 2.1.2. БЕЗ ВЫЧИСЛИТЕЛЬНЫЙ КАЗ С РЛС ВСЕСТОРОННЕГО ОБЗОРА ОТ ГИПЕРЗВУКОВОГО ОРУЖИЯ Как отмечалось в предыдущей моей ст. №13 схема защиты – с использованием направленного взрыва по принципу «сверху вниз», позволяет реализовать КАЗ ближнего радиуса (порядка Дту=2м) действия, типа украинского КАЗ «Заслон» [15 из ст.№5], в котором производят подрыв защитного боеприпаса (ЗБ) сразу после обнаружения нападающего боеприпаса (НБ). В КАЗ «Заслон», разработанным фирмой «Украинмаш», реализован принцип построения активной защиты, позволяющий уничтожить НБ в непосредственной близости от брони танка, посредством подрыва ЗБ сразу после обнаружения датчиком цели (НД) НБ и поражения последнего осколками ЗБ через время 0,001сек. Комплекс состоит из нескольких автономных модулей, в каждом из которых компонуется малоразмерная РЛС, заряд и все вспомогательные системы, обе

(Статья может редактироваться со временем).

ГЛАВА 2

ПРИМЕНЕНИЕ НЕТРАДИЦИОННОГО

ЧАСТОТНОГО МЕТОДА РАДИОЛОКАЦИИ

2.1. АКТИВНАЯ ЗАЩИТА ТАНКОВ

2.1.2. БЕЗ ВЫЧИСЛИТЕЛЬНЫЙ КАЗ С РЛС ВСЕСТОРОННЕГО ОБЗОРА

ОТ ГИПЕРЗВУКОВОГО ОРУЖИЯ

Как отмечалось в предыдущей моей ст. №13 схема защиты – с использованием направленного взрыва по принципу «сверху вниз», позволяет реализовать КАЗ ближнего радиуса (порядка Дту=2м) действия, типа украинского КАЗ «Заслон» [15 из ст.№5], в котором производят подрыв защитного боеприпаса (ЗБ) сразу после обнаружения нападающего боеприпаса (НБ).

В КАЗ «Заслон», разработанным фирмой «Украинмаш», реализован принцип построения активной защиты, позволяющий уничтожить НБ в непосредственной близости от брони танка, посредством подрыва ЗБ сразу после обнаружения датчиком цели (НД) НБ и поражения последнего осколками ЗБ через время 0,001сек.

Комплекс состоит из нескольких автономных модулей, в каждом из которых компонуется малоразмерная РЛС, заряд и все вспомогательные системы, обеспечивающие автономность работы модуля. Каждый модуль перекрывает зону диаметром до 2 м. Предполагалось, что с помощью шести таких модулей можно обеспечить защиту лобовых и бортовых проекций, а также крыши танка. Особенностью КАЗ «Заслон» является расположение датчиков цели (НД), являющихся составной частью защитного модуля.

По информации фирмы, комплекс «Заслон» имеет следующие характеристики: масса – 130…150 кг; сектор защищаемой зоны – 1500…1800; время готовности к работе – 0,1 мин; скорость обнаруживаемых и поражаемых нападающих ПТС – 79…1200 м/с; потребляемая мощность – не более 0,2 кВт.

Очевидно, что если использовать принцип построения активной защиты. примененный в КАЗ «Заслон» и схему защиты с использованием направленного взрыва. примененную в КАЗ «Шатер - 1», то можно организовать защиту танка посредством подрыва ЗБ у самой брони танка, для вызова преждевременной детонации НБ и снижения эффективности воздействия последнего на броню. Вопрос лишь в том, каким образом можно обнаружить НБ на столь близком расстоянии от танка, особенно при значительных скоростях сближения снарядов, а также в том, как сформировать и выдать команду в нужный момент на подрыв всесторонне направленных ЗБ, разрываемых, по крайней мере, через время меньшее 0,001с после срабатывания электронного детонатора защитного боеприпаса.

Рассмотрим ниже возможность реализации КАЗ, который способен обеспечить такую всестороннюю защиту объекта.

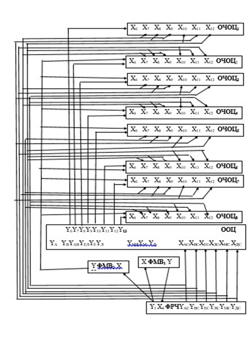
Частотную РЛС реализованную нетрадиционным частотным методом радиолокации по блок-схеме рис.1.24 из моей ст.№10 можно назвать частотным радиолокатором всестороннего обзора, выполняющего функцию по определению параметров цели (НБ), которую можно использовать в КАЗ для защиты объектов, в том числе, и от гиперзвукового оружия (от НБ перемещающихся с супер - звуковыми скоростями, порядка Vнб=4км/с и более). При этом необходимо, по крайней мере:

- использовать <<Октанту>> с радиусом, порядка, ОА=0,5м;

- добавить в известную схему НЧР ещё один ФМВ2, для формирования второй метки времени по истечении некоторого времени после формирования ФМВ1 первой метки и определения направления на цель, т. е. преобразовать известную схему в схему, приведённую на рис.2.3;

- использовать стационарно располагаемые на защищаемом объекте ЗБ, предварительно направленные, при необходимости, в 48-ми направлениях;

- использовать <мгновенно разрываемые>, за время порядка tраз=2х10-4с ЗБ, с осколками, разлетающимися, лучше целенаправленно, со скоростью порядка 2км/с;

- задавать точку упреждения (точки поверхности сферы радиусом Дту) на удалении, порядка Дту=2м от излучателя НЛЧМ сигнала;

- при необходимости, 48-мь направлений ЗБ рассчитать таким образом, чтобы оптимально защитить объект;

Пусть, например: при выбранных размерах <<Октанты>> и максимальной скорости цели Vнб=4км/с, частота Доплера Fд=2fVнб/с=2,666МГц; направление на цель и её скорость определяют в момент, когда она находится на поверхности сферы радиусом Дту=2м, расположенной вокруг центра <<Октанты>>, в частности, в точке поверхности сферы перпендикулярной точке А <<Октанты>>, когда расстояния до НБ - АС=1,936м и ВС=2,179м; частота сигнала гетеродина fгет=1,333МГц; параметры НЛЧМ сигнала соответствуют величинам: f=100ГГц, Fм=625КГц, fд=160МГц, g=Fмfд=1014Гц2, tз=f/g=10-3с, обеспечиваемые модулем КВЧ диапазона волн [3 из ст.№5 и раздел 11111 из ст.№6].

Тогда, при приближении цели к <<Октанте>> и нахождении на удалении Дту+tзVнб=6м от её центра, на выходе СВЧ смесителя (ССМо) – нагрузки антенны <О>, будет сформировано биение с частотой Fбо=2(Дту)g/C=1,333МГц и полупериодом частоты - Тбо=1/2Fб=350нс. Биение, через время tз=10-3с после обнаружения которого обнаружителем, формирующим первую метку времени, относительно которой начинают определять направление на цель и радиальную скорость цели, устанавливают факт нахождения НБ на удалении Дту=2м от центра

-2

Рис.2.3

<<Октанты>>. При этом на выходе ССМО формируется биение уже с частотой F1б=Fб-Fд=1,333МГц, которое, при необходимости, после смешивания в низкочастотном смесителе (СМ) с сигналом гетеродина частотой fгет, преобразуют в сигнал Доплера с частотой Fд=F1б–fгет=2,666МГц, определяющий радиальную скорость цели.

Одновременно с определением скорости движения цели определяют и её направление в пространстве, посредством формирования на выходах СВЧ смесителей – нагрузках приемных антенн, разностных сигналов с частотами, в том числе и в данном конкретном случае, на выходах ССМА и ССМВ, соответственно, FА=(Дту+АС+АО)g/с=1,479МГц (ТА=338нс) и FВ=(Дту+ВС+ВО)g/с=1,56МГц (ТВ=320нс). Как видно величины частот FА и FВ и их полупериоды ТА и ТВ отличны друг от друга, что позволяет установить факт того, которое из них больше, а значит и какое из расстояний, АС или ВС, больше. Аналогичным образом устанавливается и факт того, которое из расстояний, МС или ДС, а также, ЕС или ЛС, больше друг друга. После чего, по установленным фактам того, какие из расстояний больше, устанавливают и факт того, в какой 1/48 части пространства вокруг <<Октанты>> находится цель и выбирают ЗБ для подрыва, который, будучи подорванным мгновенно сформирует град осколков, в котором, через время tраз=2х10-4сек разлета осколков, на расстоянии порядка S1=Vнбtраз=0,8м от заданной точки упреждения, или порядка S2=Дту-S1=1,2м от излучателя НЛЧМ сигнала, окажется нападающий боеприпас, подлежащий ликвидации.

Очевидно, что при использовании второго обнаружителя НБ (ФМВ2 в блок – схеме рис. 2.3), обнаруживающего НБ на более близком S2+Vнбtз=5,2м расстоянии от излучателя НЛЧМ сигнала, при точках поверхности второй сферы с радиусом S2=1,2м, которые можно считать вторыми точками упреждения, в данном случае, предназначенными для ликвидации в них суперскоростных НБ, заданные расстояния до которого определялись, как видно, дважды.

Следует отметить, что рассмотренный КАЗ обладает свойством присущим только ему, а именно, он не реагирует на пролетающие рядом, но мимо него, НБ. И это объясняется тем, что КАЗ реагирует только на НБ пересекающие его <чувственные зоны> шириной, как следует из предыдущей ст.№13,

Ш1=2g(Fбмах1-Fбмин1)/С и Ш2=2g(Fбмах2-Fбмин2)/С,

располагаемые на заданных удалениях, соответственно, Дту и S2 от антенны <О>, плюс (+), соответственно, tзVнб1 и tзVнб2, которые при почти точном приближении НБ к антенне <О>, почти равны между собой, что с большой долей вероятности гарантирует пересечение НБ обеих <чувственных зон>. При полете НБ под углом (значительным) к антенне <О>, радиальные скорости Vнб1 и Vнб2, будут значительно отличаться друг от друга, что приведет к расширению расстояния между <чувственными зонами>, а следовательно, к повышению вероятности непопадания НБ в ближнюю <чувственную зону>, при пересечении им, благополучно, дальней <чувственной зоны> обнаружения цели. То есть КАЗ при супер высоких скоростях НБ, в принципе, можно считать КАЗ с определителем промаха цели. При низких же скоростях цели, очевидно, для определения промах необходим доплеровский определитель типа, рассмотренного в следующем разделе.

n/s: Ниже приведены копии двух решения ФИПС (Приложения 7/1 и 7/2), утверждающие не секретность информации из заявки за №2024118191 [20 из ст.№5] и, соответственно, вышеизложенного в данном разделе.

Заявку, материалы которой в ФИПС не стали рассматривать по существу из-за того, что где то в материалах мной аббревиатура <<КАЗ>> была написана вручную.

-3

-4

2.1.3. БЕЗ ВЫЧИСЛИТЕЛЬНЫЙ КАЗ С РЛС ВСЕСТОРОННЕГО ОБЗОРА

И ОПРЕДЕЛИТЕЛЕМ ПРОМАХА ЦЕЛИ

При реализации любого КАЗ, не в ущерб снижения безопасности защищаемого объекта, всегда стоит задача по рациональному использованию защитных боеприпасов. Так, очевидно, при подлете нападающего боеприпаса с промахом к объекту не целесообразно навстречу НБ выстреливать ЗБ.

Определить, с промахом или нет приближается низкоскоростная цель (НБ) к объекту можно КАЗ реализованным по структурной схеме рис.2.3, рассмотренным в предыдущем разделе, если в неё добавить определитель радиальной скорости цели (ОРСЦ), как показано на рис.1.24 из моей ст.№10 и, при необходимости, использовать НЛЧМ сигнал с другими параметрами, а также в схему добавить третий ФМВ, для формирования третий метки времени, при нахождении цели на более далёком заданном удалении Д3 (Д3>Д2>Д1) от излучателя НЛЧМ сигнала и обнаруживать НБ трижды, посредством обнаружения сигналов биения с частотами: сначала FБ3=2Д3g/с, а затем FБ2=2Д2g/с и FБ1=2Д1g/с. А также добавить в схему ещё второй определитель радиальной скорости цели, подобный первому и рассмотренному в моей ст.№8 и цифровую схему деления нагруженную на цифровой компаратор (ЦК) с вторыми входами подключёнными к шине установки цифрового числа, соответствующего промаху цели в <Октанту>. При этом, при нахождении цели на удалении Д3 от излучателя, сначала на выходе второго ОРСЦ будет сформировано цифровое число, соответствующее первой частоте Fд1 Доплера, а затем, при нахождении цели на удалении Д2 от излучателя, на выходе первого ОРСЦ будет сформировано цифровое число, соответствующее второй частоте Fд2 Доплера. А на выходе цифровой схемы деления будет сформировано цифровое число, соответствующее отношению Fд1/Fд2, при сравнении которого с цифровым числом, установленным на вторых входах ЦК, определяют вероятность возможного промаха или попадания в объект (излучатель НЛЧМ сигнала).

При работе КАЗ по приближающимся низкоскоростным целям возникает возможность обнаруживать цели на более дальних заданных удалениях Дi от излучателя, что приводит к необходимости более точного определения местоположения цели в пространстве относительно центра <Октанты>, что оказывается возможным при использовании нетрадиционных частотных

радиолокаторов, рассмотренных в моих статьях №11 и №12.

Очевидно, что тот же самый определитель промаха можно использовать и в КАЗ секторного обзора с нетрадиционной частотной РЛС. При этом структурная схема такой ЧРЛС будет такой, как схема, приведённая на рис.2.4 и содержать:

- формирователь разностных сигналов (ФРС) выполненный, например, в виде модуля, имеющего: передатчик ПД, антенну <О> и смеситель ССМ, соединенных между собой как на рис.2.2 из моей ст.№13;

- три обнаружителя цели (НБ) типа ФМВ, рассмотренных в моей ст.№7;

- два идентичных ОРСЦ для определения сигналов Доплера с частотами FД1 и FД2 типа, рассмотренных в моей ст.№8;

- цифровую схему деления (ДЕЛ) для формирования отношения величин FД1/FД2;

- цифровой компаратор (ЦК) для сравнения величины цифрового числа, соответствующего отношению величин FД1/FД2 с цифровым числом, поданным на вторые входы ЦК и соответствующим допустимому промаху;

-5

Рис.2.4.

- элемент И, выполняющий функцию пропускания метки времени с выхода ФМВ1 на исполнительное устройство (ИУ), например, электронный детонатор ЗБ, при появлении логической 1 на выходе ЦК после определения того, что цель приближается точно к объекту и промаха не будет.

При этом нетрадиционная ЧРЛС, рис.2.4, определяющая три заданных дальности до цели: Д3>Д2>Д1 при одном и том же передатчике и трех ФМВ: ФМВ3, ФМВ2 и ФМВ1, работает следующим образом.

После обнаружения НБ в районе сначала самой удаленной точки от излучателя на расстоянии Д3, а затем на расстоянии Д2, устанавливают факт того, что цель точно приближается к защищаемому объекту и промаха не будет, посредством появления на выходе ЦК высокого потенциала (логической 1). При этом на выход элемента И проходит короткий импульс (метка времени, с выхода ФМВ1, в качестве команды на пуск, или сразу на подрыв, ЗБ. При логическом 0 на выходе ЦК, которому соответствует пролёт НБ мимо объекта, команда на пуск ЗБ не формируется.

При этом, при необходимости, также с помощью ЧРЛС с её <<чувственными зонами>>, расположенными в районах удаленных от излучателя на расстояниях порядка Д1>Д2>Д3, формируют и измеряют частоты Доплера, соответствующие двум радиальным скоростям цели, используя два канала ФРС, формирующих сигналы биений с частотами FД1 и FД2 Доплера, которые измеряются двумя ОРСЦ

2.1.4. БЕЗ ВЫЧИСЛИТЕЛЬНЫЙ КАЗ С РЛС ВСЕСТОРОННЕГО ОБЗОРА

ВЫПОЛНЕННОЙ В АНАЛОГОВО ЦИФРОВОМ ИСПОЛНЕНИИ

При стрельбе, например, на траншейном стенде по тарелкам, у стрелка есть время на то, чтобы, по крайней мере, повернуть оружие в направлении летящей тарелки. То есть при незначительных скоростях перемещения цели для её ликвидации можно использовать поворотные, в трех плоскостях, устройства с установленными на них устройствами для поражения цели. При этом задача по ликвидации цели, в принципе, сведется к определению направления на цель относительно стрелка, которую могут выполнить частотные РЛС рассмотренные в моей статье №12 имеющих повышенную разрешающую способность по азимуту и углам места. Структурная схема такого КАЗ с ЧРЛС и добавленным в него вторым ФМВ2, формирующим вторую метку времени на самом близком заданном расстоянии от излучателя, когда формируется команда на пуск ЗБ и расстоянием меньшим чем расстояние, на котором определяются координаты: X, Y и Z цели, будет такой, как приведённая на рис. 2.5. Схема, которая позволяет после формирования в ЧРЛС

-6

Рис. 2.5.

первой метки времени определить координаты НБ по осям координат: X, Y и Z <Октанты>, расположенных в её центре, и преобразовать координаты в углы поворота поворотного устройства с установленным на нём устройством поражения цели (НБ). А после формирования второй метки времени ФМВ2 выдать команду на пуск ЗБ установленном на поворотном устройстве. То есть такой КАЗ, очевидно, можно уподобить системе орудийной наводки (СОН), используемой для автоматической наводки орудия на цель, с той лишь разницей, что это будет не следящая система с присущими последней её достоинствами и недостатками.