Добавить в корзинуПозвонить
Найти в Дзене
RADIO INFO

Трансформаторы для ламповых УНЧ, где их можно найти и купить в наше время.

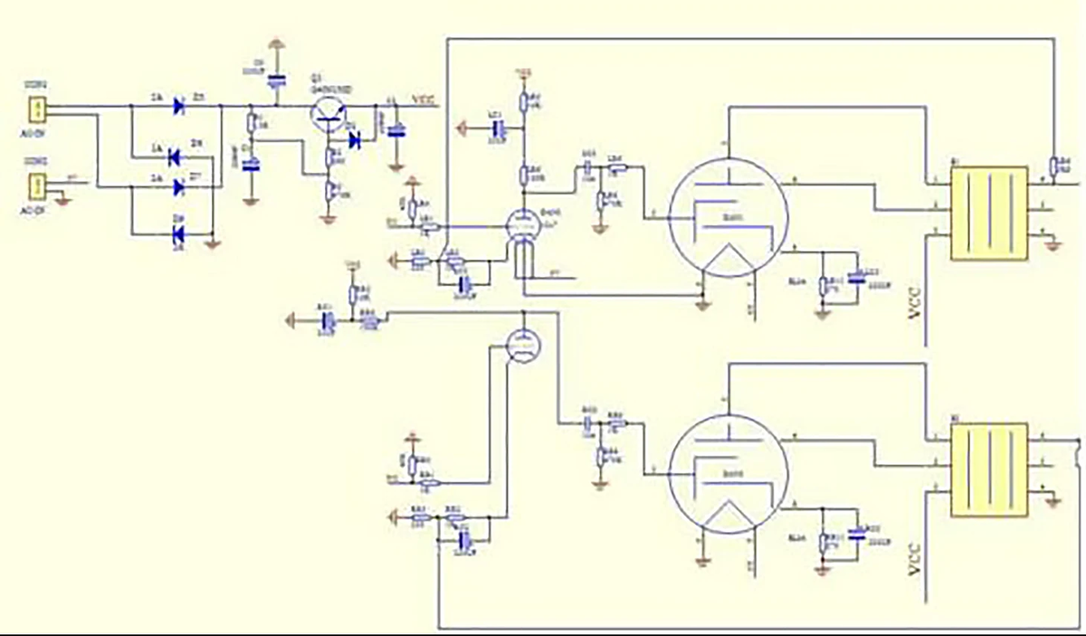
Добрый день дорогие друзья. На моем канале есть достаточно крупная подборка по ламповой технике: «Ламповые приемники, передатчики и усилители», где можно найти описание множество статей с описанием самодельных ламповых усилителей, в том числе и из наборов для сборки. Продаются такие наборы везде где только можно и на Авито, и на мешке, на AliExpress и прочих интернет-магазинах, аукционах и торговых площадках (маркетплейсах). Ну вот к примеру предложение с AliExpress. Ну вроде хорошая цена, покупай и собирай, на фото товара есть небольшими буквами скромная надпись – (no tube) и это означает в комплект не входят лампы, а про трансформаторы китайцы предпочитают даже и не упоминать. Для общего понимания что это за усилитель, привожу его схему Подобные усилители производят и продают также и наши доморощенные умельцы. Недавно о подобном усилителе на моем канале была публикация: «Российские радиоконструкторы. Усилитель НЧ на лампах 6Ф5П». Рекомендую ознакомиться с этой статьей и комментария

Добрый день дорогие друзья.

На моем канале есть достаточно крупная подборка по ламповой технике: «Ламповые приемники, передатчики и усилители», где можно найти описание множество статей с описанием самодельных ламповых усилителей, в том числе и из наборов для сборки. Продаются такие наборы везде где только можно и на Авито, и на мешке, на AliExpress и прочих интернет-магазинах, аукционах и торговых площадках (маркетплейсах). Ну вот к примеру предложение с AliExpress.

Ну вроде хорошая цена, покупай и собирай, на фото товара есть небольшими буквами скромная надпись – (no tube) и это означает в комплект не входят лампы, а про трансформаторы китайцы предпочитают даже и не упоминать. Для общего понимания что это за усилитель, привожу его схему

-2

Подобные усилители производят и продают также и наши доморощенные умельцы. Недавно о подобном усилителе на моем канале была публикация: «Российские радиоконструкторы. Усилитель НЧ на лампах 6Ф5П». Рекомендую ознакомиться с этой статьей и комментариями к ней. Продавец этого усилителя, кроме того, что продавал просто пустые печатные платы по необоснованно высоким ценам, так еще допустил критические ошибки в схеме и разводке печатных плат. После выхода моей статьи он снял этот набор с продажи, но может сейчас уже сделал исправления и выставил, не знаю, может кто посмотрит и скажет.

Так вот все эти наборы на печатных платах из низшей ценовой категории и все они не комплектуются ни лампами, ни трансформаторами. И вообще я заметил, что набор для сборки лампового УНЧ дешевле 10 тыс. руб. всегда будет без ламп и трансформаторов.

Лампы применяемые в подобных усилителях особого дефицита не представляют, продаются там же где и наборы для сборки усилителей, стоят в общем недорого, а еще дешевле стоят советские аналоги к этим лампам. С трансформаторами дела обстоят немного хуже, и об этом мы сегодня с Вами поговорим.

В советское время трансформаторы для ламповых УНЧ, тоже были дефицитны, купить их было невозможно и негде, поэтому радиолюбители их изготовляли самостоятельно. В радиолюбительской литературе было описано великое множество конструкций станков для намотки трансформаторов, от самых примитивных до самых продвинутых. Можно было купить и готовый обмоточный станок, я себе купил простенький станок, сейчас он валяется на даче. В настоящее время подобные станочки продаются на Озоне, а может и еще где, и даже дешевле.

-3

Для качественного изготовления трансформаторов подобные станочки не очень годились, да и кроме станка еще много чего нужно было иметь, в том числе трансформаторное железо, эмаль провод, каркасы для обмотки, изоляционные материалы и прочее, но самое главное руки из правильного места. И не немногие радиолюбители всем этим обладали. Выход из этого положения был очень простой, такие трансформаторы заказывали профессиональным обмотчикам, которых было великое множество на тогдашних предприятиях. Стоимость хорошего качества выходного трансформатора вместе со стоимостью материала, обычно соответствовала бутылке водки. За две бутылки спирта по 0,5л мне намотали и вывезли с завода мощный сварочный трансформатор в комплекте со 160А выпрямительными диодами и тиристором на радиаторах. Очень хотелось бы, чтобы мои читатели вспомнили, как решались проблемы с трансформаторами в то время.

В настоящее время мне попадалось несколько предложений от фирм занимающихся изготовлением трансформаторов.

Вот к примеру

-4

Думаю, что их цены будут не приемлемы для большинства моих читателей, поэтому давайте этот вариант приобретения трансформаторов для ламповых УНЧ отложим в сторонку. Наиболее подходящим для моей аудитории считаю приобретение готовых трансформаторов, как новых так и б/у. Недавно на Озоне мне попалось вот такое предложение.

-5

Мне даже показалось, что это цена за два трансформатора, и я оформил заказ.

Но потом там же увидел еще одно предложение

-6

От первого предложения я отказался, и отменил заказ, а заказал два трансформатора со второго предложения. В общем, считаю достаточно удачным приобретением по такой цене двух трансформаторов, только меня немного гложет жаба, может в первом предложении все таки два трансформатора, а не один в комплекте. Если кто покупал или точно знает обязательно отпишитесь, мне эта информация уже не понадобиться, а вот остальным моим читателям пригодится.

В качестве силовых трансформаторов я бы рекомендовал использовать старые советские трансформаторы ТАН - анодно-накальные с напряжением питающей сети 220 В и частотой 50 Гц.

-7

Справочную информацию по этим трансформаторам можете посмотреть Здесь.

Продаются они везде где только можно, например на фирмах, но там дорого и приводить их цены я не буду, а вот на Авито, Мешке и Озоне цены вполне приемлемы.

-8

В общем набор новых качественных трансформаторов, мне обойдется с доставкой примерно в районе 3500 руб, что согласитесь очень даже неплохо. Чтобы не заморачиваться можно купить тот же китайский набор для сборки усилителя, ну еще комплект качественных фирменных ламп, и думаю что все вместе выйдет в пределах 7000 руб.

Есть еще один вариант где взять трансформаторы, это б/у со старой ламповой аппаратуры. На страницах своего канала я рассказывал, что приобрел радиолу «Урал-111»

Можно еще примеру докупить одну такую же, стоят они не дорого и из двух собрать ламповый усилитель.

-9

Но я этого делать не буду, акт вандализма не оценят мои читатели, а приобретённую мной радиолу я буду восстанавливать и модернизировать.

Очень хотелось бы чтобы мои читатели рассказали и поделились, где и как они приобретают трансформаторы и лампы для своих УНЧ, возможно я что то не знаю или упустил.

На этом у нас сегодня все.

Рекомендую посмотреть Подборку публикаций моего канала, где Вы найдете статьи по рассмотренной выше теме, и множество других материалов, которые могут быть Вам интересны и полезны.

Ставьте лайки, комментируйте, подписывайтесь и заходите на мой канал, есть много интересной и нужной информации для радиолюбителей.