Добавить в корзинуПозвонить
Найти в Дзене

От усилителя класса D к цифровому усилителю класса Е. Часть 1. Реалии класса D.

Приступая к изложению настоящего материала, автор посчитал целесообразным дать некоторые предварительные и далеко не стандартные определения усилителей мощности звуковой частоты с целью последующего более доступного понимания структуры усилителей в режиме класса Е . Суть последних сводится к следующему. В самом общем случае любой усилитель мощности реализует процесс управления потоком энергии от источника питания в нагрузку по закону звукового сигнала. Процесс подачи энергии в нагрузку может осуществляться непрерывно, напр. путём частичного поглощения части потока самим регулятором, напр. транзистором или радиолампой. Последние выполняют функцию управляемого резистора или реостата. Это усилители, известные, как усилители класса А. (рис.1а) Если же используется пара регуляторов (управляемых резисторов) потоком энергии на общую нагрузку и пара реальных (или виртуальных) источников питания то, возможна не только одновременная их работа (двухтактный режим в классе А) но и п
Оглавление

Преамбула

Приступая к изложению настоящего материала, автор посчитал целесообразным дать некоторые предварительные и далеко не стандартные определения усилителей мощности звуковой частоты с целью последующего более доступного понимания структуры усилителей в режиме класса Е .

Суть последних сводится к следующему.

В самом общем случае любой усилитель мощности реализует процесс управления потоком энергии от источника питания в нагрузку по закону звукового сигнала.

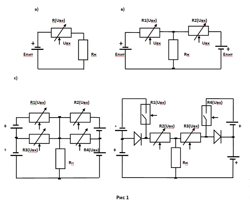
Процесс подачи энергии в нагрузку может осуществляться непрерывно, напр. путём частичного поглощения части потока самим регулятором, напр. транзистором или радиолампой. Последние выполняют функцию управляемого резистора или реостата. Это усилители, известные, как усилители класса А. (рис.1а)

-2

Если же используется пара регуляторов (управляемых резисторов) потоком энергии на общую нагрузку и пара реальных (или виртуальных) источников питания то, возможна не только одновременная их работа (двухтактный режим в классе А) но и поочерёдная. Это усилители класса В, а при смешанном режиме усилители класса АВ. (см. рис. 1в)

Если число регуляторов четыре или больше и столько же реальных (или виртуальных) источников питания, то разумно, что временная комбинация функционирования последних может быть самой разнообразной, некоторые в активной фазе, другие временно не функционируют на определённом временном интервале (режим отсечки)

Такой режим усиления классифицируют, как усилитель класса ВС или АВС. (см. рис 1с) Последние получили достаточно широкое распространение в усилителях бытового назначения, особенно зарубежных, однако дилетанты в этой сфере вместе с торговцами и маркетологами по непонятным причинам присваивает им режимы усиления класса G, F, Н и последующие буквы алфавита. Хотя причины то в общем случае очевидны – реклама и увеличение объёма продаж.

Однако энергию в нагрузку можно подавать и дискретными порциями, напр. с помощью управляемого ключа, но с достаточно высокой частотой. На Рис. 2а приведена структура одного плеча такого усилителя.

-3

Если же между ключом и нагрузкой поставить рекуперативный накопитель энергии (ФНЧ с диодом), который успевает накопить энергию при открытом ключе и отдавать её в нагрузку через диоды при закрытом ключе, то в нагрузке можем получить в первом приближении непрерывный сигнал.(см. рис 2в)

Очевидно, что при дискретном управлении величиной этой порцией энергии, путём изменения длительности замыкания ключа (ШИМ) или частоты его замыканий (ЧИМ), можно получить желаемую форму сигнала.

Такой класс усиления был назван усилителем класса D, как следующая буква латинского алфавита.

В последнее время для бытовой аппаратуры были созданы усилители класса D с непрерывной подачей импульсов анергии в нагрузку сразу двумя ключами, работающих в противофазе. (см. Рис. 2с)

При отсутствии входного сигнала один ключ подаёт в нагрузку импульсы положительной полярности, другой отрицательной, причём равной длительности, в результате чего на нагрузке имеются лишь только высокочастотные пульсации тактовой частоты.

Входным сигналом осуществляется дифференциальная ШИМ первого и второго ключей. (см. рис 2д), увеличивая длительность одних и укорачивая длительность других.

А существуют ли какие нибудь другие способы дискретной подачи энергии в нагрузку с целью получения на последней аналогового сигнала и, желательно, без промежуточных индуктивных накопителей энергии между источником питания и нагрузкой?

Да, конечно. Это цифровые усилители класса Е (следующая буква латинского алфавита), а также усилители класса F (вокодерные), информация о которых (тех и других) появилась чуть менее 40 лет тому назад, напр. в книге «Основы теории и расчёта транзисторных низкочастотных усилителей мощности» Москва изд. Радио и связь 1988г.

И прежде, чем перейти к структурной схеме цифрового усилителя класса Е напомним, что область применения УМЗЧ не ограничивается лишь одними бытовыми аудиосистемами.

Это и радиотрансляционные усилители (единицы киловатт), усилители для эстрадных коллективов (единицы киловатт при выступлениях на открытом воздухе), усилители систем оповещения, усилители для вибростендов (десятки и сотни киловатт) и т. д.

Во всех этих усилителях используется сложение мощностей нескольких автономных блоков усиления, каждый из которых может иметь мощность в десятки или сотни ватт.

Простейшая последовательная схема сложения мощностей усилителей отображена на Рис. 3а

-4

Не трудно догадаться, что если в такой схеме на входе усилителей поставить простейшую систему из компараторов, ( т.е. простейший АЦП) срабатывающих только от уровня входного сигнала, то на нагрузке получим сигнал, отображённый на Рис. 3в.

С первого взгляда такое техническое решение лишено здравого смысла, ибо такое приближение очень грубое и для более точного воспроизведения звукового сигнала потребуется очень много усилителей, а при суммировании, например, всего лишь четырёх блоках возможны на первый взгляд лишь четыре градации уровня (или четыре уровня квантования).

Однако технарь скажет, что при четырёх блоках возможно получение пятнадцати уровней квантования, а профи даже 40 (сорок) .Здесь, кстати, читателю представляется возможность проверить себя, к какой категории он относится.

Однако в действительности, даже при суммировании мощностей всего лишь четырёх или пяти блоков возможно получить число уравняй сигнала до нескольких тысяч.

Как гласит один из тезисов А.Энштейна. «Все знают, что это невозможно, но находится невежда, который этого не знает, он то и находит решение».

Невеждой оказался один из учеников проф. Д.В. Агеева- основоположника усилителей класса D, причём ещё и во времена корифеев усилительной техники, таких как С. Кризе, А. Цыкин, С. Войшвилло А. Шило, и др.

Просто он следовал другому тезису А. Эйнштейна: « Ты никогда не решишь проблему, если будешь думать так, как те, которые её создали»

Ну, а в завершение раздела зададимся риторическим вопросом. Что же это за устройство усилитель мощности звукового сигнала?

О регулировке потоком энергии сказано выше. А что же в реальности представляет из себя звуковой сигнал? В общем случае это поток информации, объём которого определяется типовой формулой Шеннона, как произведение частотного диапазона на динамический и на время.

Поэтому определение УМЗЧ здесь для многих прозвучит несколько неожиданно, а именно:

«Усилитель мощности звукового сигнала – это устройство, осуществляющее операцию перемножения потока энергии на поток информации»

На этом преамбулу можно закончить и спуститься на грешную землю для обсуждения достоинств и недостатков усилителей класса D и без небольшого предварительного экскурса в историю здесь просто так же не обойтись.

Небольшой экскурс в историю

В настоящее время в связи с массовыми поставками из Китая звуковых усилителей мощностью 25 -250 Вт, (TPA 3110, TPA 3118, WC XH-M544 и др.) работающих в режиме класса D для бытовой техники в интернете и на дзене, в частности, появилось огромное число публикаций на эту тему.

Среди них встречаются иногда вполне грамотные, и даже полезные, со справочными материалами, с результатами тестирования и т. д. Однако в своём большинстве это либо перепечатка материалов из зарубежных источников, либо из рекламных проспектов этих же усилителей, не отражающих в полной мере как достоинства, так недостатки усилителей класса D.

Но многие публикации, к сожалению, а их большинство, оставляют желать много лучшего.

Удивительно, но попытки найти информацию об отечественных разработках усилителей класса D и промышленном выпуске последних потерпели полное фиаско.

Можно, конечно, сослаться на то, что в России практически не ведутся такие разработки, хотя страна и является первооткрывателем этого режима усиления (проф. Д.В.Агеев 1951г.)

И здесь автор готов аргументировано опровергнуть мнение подобных скептиков.

Киевский завод «Промсвязь» в 70е годы серийно выпускал целую линейку усилителей класса D, мощностью 0,5кВт, 1,5 кВт, 2,5 кВт и 5 кВт серии «Днепр-К» для целей проводного вещания.

Основу этих усилителей составлял унифицированный усилительный модуль класса D - УМК- 0,5 с выходной мощностью 500 Вт.

Чуть позднее аналогичные усилители, но под маркой «Луч-К» производил серийно Кузнецкий завод радиоприборов (г. Кузнецк. Пензенская область).

Но ещё раньше (начало 70х) в КБ Муромского радиозавода был разработан модуль усилителя класса D, мощностью 100 Вт для использования в мощных мобильных станциях вещания (изделие«Гром») , однако в производство он так и не пошёл (был забракован военпредом) из за сильного уровня создаваемых помех, присущих этому классу усиления.

Наконец известный электромегафон ЭМ-12, производимый заводом «Волна» ( г, Москва) содержит в своём составе усилитель класса D мощностью 12 Вт. Его схему, кстати, автору даже удалось найти в интернете.

В эти же годы серийное производство усилителей проводного вещания класса D с той же линейкой мощностей было освоено и в Новосибирске.

И здесь возникает резонный вопрос, а на черта вся эта предварительная информация, если автор собирается рассказать читателям о цифровых усилителях мощности класса Е, являющимися дальнейшим усовершенствованием усилителей класса D.

Ну во первых. Это необходимость подвести читателя к мысли, что автор, видимо, имел какое то отношение к разработке и производству этих усилителей (уточнять не будем), а поэтому его дальнейшие рассуждения о усилителях класса D, порой неожиданные для читателя не домыслы дилетанта, а мнение разработчика, которому приходилось сталкиваться с проблемами усилителей этого класса.

Во вторых. Любое новое инновационное изделие и, цифровой усилитель класса Е, в частности, есть продукт не только анализа недостатков предыдущего изделия, но и симбиоз новых технических предложений и решений, устраняющих эти недостатки.

Поэтому появление нового класса усиления – это всего лишь результат поисков технических решений, устраняющих недостатки предыдущего класса усиления. Надо сказать, что путь этот был длинным и тернистым.

И здесь не обойтись без детального и тщательного анализа недостатков усилителей класса D. а так же переосмысления многих, казалось бы, очевидных и не очевидных понятий.

Но сначала начнём с самых очевидных вещей.

Усилители класса Д. Мифы и реальность.

Если обратиться с элементарным вопросом к любому радиоспециалисту о преимуществах усилителя класса D, то ответ будет вполне однозначен: это высокий КПД усилителя.

Но в этом случае возникает два резонных вопроса;

Первый. А для вас лично очень существенно, что ваша домашняя стереосистема, напр. 25 Вт + 25 Вт в режиме АВ потребляет от сети около 75 Вт, а с усилителями класса D будет потреблять всего лишь около 65 Вт. Это при том, что у вас дома есть компьютер, телевизор, холодильник и т. д.

Здесь пока не затрагиваются усилители с выходной мощностью в сотни и тысячи ватт.

Во вторых. В усилителях класса В осуществляется предельно простое, лаже примитивное преобразование сигнала. Входной сигнал (полагаем его синусоидальным) режется на две половинки, (см. рис. 1в) каждая из которых усиливается своим каналом с последующим суммированием в нагрузке. КПД такой системы, как известно, составляет 78%.

Но синус можно резать и на четыре части, и даже на шесть (усилители класса ВС или АВС) КПД которых составляет соответственно 86% и 91,6%. (см. Рис. 1с )

Если принять во внимание наличие в усилителях любого класса знергопотребляющих каскадов предварительного усиления, обязательных датчиков тока для защиты от КЗ, индикации и т. п. то можно сделать закономерный вывод.

Усилители класса D с малой выходной мощностью (десятки ватт) не имеет явных существенных энергетических преимуществ перед усилителями АВ и АВС , хотя радиаторы охлаждения у транзисторов усилителей класса D будут всё же существенно меньше, чем у аналогичных усилителей других классов,

. Но вот только вот плата за такой «комфорт» порой оказывается непомерно и неоправданно высокой.

Поэтому резонно сначала перейти к рассмотрению реальных тепловых потерь в усилителях класса D.

На рис 4а отображено звено усилителя с классической ШИМ (сигнал на нагрузке пропорционален ширине импульса и выходной каскад усилителя с дифференциальной ШИМ, когда сигнал в нагрузке определяется разностью длительностей положительных и отрицательных импульсов. (рис.4в) .

Рис 4

Наверно покажется очень странным, но значение КПД такого выходного каскада определяется в первую очередь свойствами индуктивности Lф, поскольку именно она запасает энергию при открытом транзисторе и отдаёт её через диод при закрытом транзисторе (рекуператор).

Здесь уместно напомнить, что её величина определяется требованием согласования сопротивления нагрузки с выходным сопротивлением ФНЧ, т.е. соотношением 2 х 3,14 х Fв х Lф = Rн , где Fв верхняя частота звукового сигнала.

Очевидно, что потери в последней желательно иметь минимальными, условиями которых является золотое правило трансформатора с высоким КПД, а именно; потери в обмотке должны быть равны потерям в сердечнике.

Это означает, что сердечник индуктивности Lн (ферриты, оксиферы) должен иметь очень малые потери на перемагничивание (узкую петлю гистерезиса), причём на частотах в сотни килогерц (тактовая частота), а самое главное не допускать насыщения при больших токах в нагрузке (иногда до десятков ампер в мощных усилителях).

Эта индуктивность всегда была и остаётся головной болью разработчиков усилителей класса D.

Ну а если нагрузка представляет из себя комплексное сопротивление, например трёхполосная акустическая система или когда её сопротивление меньше/больше выходного сопротивления ФНЧ, то какую АЧХ следует ожидать от такого усилителя?

Не буду дальше развивать эту тему (подробности можно найти в интернете), но вывод следует вполне однозначный:

В усилителях класса Е наличие таких индуктивных рекуператоров крайне не желательно.

Вторым, очень существенным недостатком усилителя класса D являются т. н. сквозные токи или «сквозняки»

Хорошо известно, что время включения транзистора всегда меньше времени его выключения. На причинах останавливаться не будем.

А теперь обратим взор на схему на рис. 4в. Один из транзисторов открылся, а другой не успел закрыться. Что будет с токами в такой схеме в этот интервал времени, пусть даже достаточно короткий?

Если не предусмотреть ограничение сквозных токов, выходные транзисторы могут быть разрушены.

Способов ограничения сквозных токов выходного каскада существует превеликое множество, от формирования защитных временных интервалов между импульсами возбуждения до резисторных токовых датчиков в истоках (или эммитерах) выходных транзисторах в сочетании с быстродействующей токовой защитой.

Третьим, очень важным и почти непреодолимым недостатком усилителей класса D является крайне высокий уровень, создаваемых им радиопомех, поражающих не только КВ диапазон но даже и УКВ.

Укажем на очевидный нонсенс Индуктивность Lф с целью снижения излучения должна иметь замкнутый магнитопровод (напр.тор), но мы не можем такой использовать во избежание его насыщения да и технология намотки тора сложновата.

, Применять приходится разомкнутый магнитопровод, но в этом случае индуктивность становиться эффективным излучателем высокочастотных колебаний.

Путь, который выбрали разработчики СССР в 70е годы – это снижать тактовую частоту коммутации как для снижения радиоизлучений, так и для снижения требований к сердечнику Lф, но как тогда обеспечить малые искажения выходного сигнала?

Оказалось, что это возможно (нашёлся всё таки невежда), но для этого необходимо было кардинально изменить взгляды не только на существующие методы снижения искажений в усилителях, но и на сам подход к способам введения отрицательной обратной связи.

И решение именно этих проблем так же стало вкладом в копилку идей для усилителя класса Е

Но об этом будет рассказано в следующих материалах автора, а здесь пора подводить итог, задав автору вполне разумный вопрос:

Если усилители класса D имеют такое количество недостатков , то зачем же автор занимался разработкой этих усилителей, а отечественная промышленность производила их в таких масштабах,

На это, оказывается, были достаточно веские основания, поскольку усилители классов АВ и АВС явно проигрывали усилителям класса D не только по уровню выходной мощности при прочих равных условиях, но и по надёжности.

Попытаемся изложить этот тезис доступным для не специалиста языком.

Выходная мощность аналоговых и ключевых усилителей.

Существует очень распространенное и укоренившееся мнение, что если в транзисторах аналогового усилителя класса В или АВ не превышается ни один из его предельно допустимых параметров - тока, напряжения и мощности, то такой усилитель с разумным теплоотводом обеспечивает высокую надёжность работы устройства.

Это далеко не так.

В силу особенностей протекания теплоэлектрических процессов в кристалле транзистора возникают такие, например, явления, как «прокол базы», вызванное неравномерной плотностью распределения протекающих зарядов через базу, на которую влияет величина напряжения на коллекторе.

Неравномерность плотности распределения протекающих зарядов в канале наблюдается и в полевиках. . Останавливаться на этом не будем.

Поэтому в справочниках на мощные транзисторы всегда указывают допустимые сочетания протекаемого тока, и приложенного к транзистору напряжения, произведение которых может быть значительно ниже предельно допустимой рассеиваемой мощности при заданной температуре корпуса или кристалла транзистора.

Это называется областью безопасной работы транзистора или ОБР.

Обычно в справочниках её наносят пунктирной линией на семейство выходных вольтамперных характеристик транзистора.

По ней, кстати , легко заметить, что мощность рассеиваемая биполярным транзистором значительно падает с увеличением напряжения питания ( не пропорционально падает величина допустимого тока), не говоря уже о её падении с ростом температуры.

Нагрузочная прямая на ВАХ транзистора, ниже ОБР (старые учебники по усилителям) никак не отражает величину оптимального сопротивление нагрузки усилителя и его мощность , поскольку реальные нагрузки всегда имеют комплексное сопротивление (громкоговоритель, вибростенд и т. д.), а нагрузочная характеристика на на семействе ВАХ транзистора имеет реально форму овала.

Поэтому необходимость формирования аналоговым усилителем кроме активной мощности ещё дополнительно и реактивную ещё в большей мере ограничивает активную выходную мощность аналогового усилителя.

Давайте учтём необходимый и неизбежный резерв мощности не только на реактивную нагрузку, но и на цепи защиты от перегрузок и КЗ, в частности, то что же остаётся в сухом остатке. Очень и очень не много..

А теперь обратимся к справочным данным тех же транзисторов, но в импульсном режиме работ ы последних

Предельно-допустимые токи транзистора для коротких импульсов возрастают кратно, а предельно-допустимые напряжения на закрытом транзисторе весьма существенно, иногда даже вдвое, т. е. тот же транзистор в импульсном режиме может отдать в нагрузку кратно большую мощность и он более устойчив к перегрузкам.

Этому есть очень простое объяснение. Когда тепловая постоянная времени кристалла транзистора (его тепловая инерционность) больше длительности импульса, т. е. времени его пребывания в активной фазе, температура кристалла возрастает незначительно, а в паузе кристалл сбрасывает накопленное тепло на подложку.

Это позволяет кратно увеличить протекаемый ток через кристалл в активной фазе.

Вот в этом то и заключается основное преимущество усилителей класса D.

Для наглядности я приведу некорректный, повторяю очень некорректный пример.

Если пара выходных транзисторов усилителя способны рассеять, например, мощность в 10 Вт, а реальный КПД выходного каскада аналогового усилителя (класс В) составляет скажем 70%, а усилителя класса D -90% , то такая пара транзисторов способна отдать в нагрузку в классе В только 23,3 Вт а в классе D до 90 Вт. При создании усилителей на единицы и десятки киловатт это очень весомый аргумент

Итак, сформулируем окончательный вывод;

Усилители класса D имеют значительно более высокий коэффициент использования мощностных характеристик оконечных (выходных) транзисторов по сравнению с аналоговыми усилителями, более высокую устойчивость к перегрузкам, и несколько больший КПД. Точка.

Автор Кибакин Владислав Михайлович.