Добавить в корзинуПозвонить
Найти в Дзене
ДЕНЕЖНЫЙ МЕШОК

Необычную печь, для экономичного отопления дач и гаражей, изобрел и запатентовал житель Перми

Гараж, дача, мастерская, небольшой цех — это те самые «энергетические острова», где цена подключения к газу или стабильность электроснабжения могут превратиться в неподъемную ношу или источник постоянного риска. И что же? Возврат к дровам, к углю, к печному отоплению? Да. Но не возврат, а рывок вперед. Печь патентообладателя из Перми (а зовут его - Новичков Иван Геннадьевич) — это не ностальгия. Это технологический апгрейд архаики. Давайте разберем ее суть, ведь именно в деталях скрыт экономический смысл. Конструкция гениальна в своей адаптивности. Съемная перегородка - под духовки, которую можно переставлять на разные уровни. Что это меняет? ВСЁ. Объем камеры сгорания и объем духовки становятся переменными величинами. Нужно быстро протопить холодный гараж малым количеством топлива? Поднимаем перегородку — камера сгорания уменьшается, прогревается быстрее, топлива нужно меньше. Требуется долгая, спокойная топка с максимальной теплоотдачей или нужно что-то медленно запечь? Опускаем пере

Итак, у нас есть печь. Просто печь. Так и называется в патенте № 2767829. Абсолютная, почти вызывающая простота. Но за этой простотой — целая экономическая философия, выкованная в эпоху турбулентности. Философия, рожденная не в стерильных лабораториях корпораций, а, возможно, в гараже или мастерской изобретателя из Перми, который взял древний, архетипический предмет и переосмыслил его для мира, где каждый киловатт, каждый градус тепла, каждый рубль — на счету. Мы живем в парадоксальное время. Цифровизация, умные сети, глобальная энергосистема. И при этом — растущий запрос на автономию, на устойчивость, на независимость от сложных и уязвимых инфраструктур.

Гараж, дача, мастерская, небольшой цех — это те самые «энергетические острова», где цена подключения к газу или стабильность электроснабжения могут превратиться в неподъемную ношу или источник постоянного риска. И что же? Возврат к дровам, к углю, к печному отоплению? Да. Но не возврат, а рывок вперед.

Печь патентообладателя из Перми (а зовут его - Новичков Иван Геннадьевич) — это не ностальгия. Это технологический апгрейд архаики. Давайте разберем ее суть, ведь именно в деталях скрыт экономический смысл.

Конструкция гениальна в своей адаптивности. Съемная перегородка - под духовки, которую можно переставлять на разные уровни. Что это меняет? ВСЁ. Объем камеры сгорания и объем духовки становятся переменными величинами. Нужно быстро протопить холодный гараж малым количеством топлива? Поднимаем перегородку — камера сгорания уменьшается, прогревается быстрее, топлива нужно меньше. Требуется долгая, спокойная топка с максимальной теплоотдачей или нужно что-то медленно запечь? Опускаем перегородку — увеличиваем и топку, и духовой шкаф.

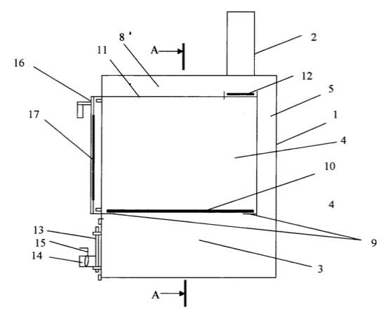
Вот как это выглядит, согласно патентной документации на базовом чертеже:

© Новичков Иван Геннадьевич, ИЗ - 2767829 (из материалов патента)
© Новичков Иван Геннадьевич, ИЗ - 2767829 (из материалов патента)

Это — принцип кастомизации и эффективности, перенесенный из сферы digital в мир чугуна и кирпича. Одна физическая установка решает множество сценариев использования. А это — прямая экономия. Экономия на топливе. Экономия на времени. Экономия на капитальных затратах (не нужно строить две разные печи для разных задач).

Микроэкономика одной печи: считаем выгоду

Давайте представим. Владелец небольшой автомастерской в пригороде. Газопровода нет. Электрическое отопление — разорительно, особенно с учетом мощного оборудования. Дизельная пушка — дорого, шумно, пахнет. Он строит или покупает такую печь.

  • Адаптивность. Утром, чтобы быстро снять холод, используется малая топка. Днем, для поддержания температуры, печь работает на полную камеру, попутно разогревая обеды для сотрудников в духовке (снижение расходов на кейтеринг!). Вечером, для просушки деталей или поддержания антикоррозийной температуры, снова можно перейти на экономный режим.
  • Многофункциональность. Печь не просто греет. Она готовит. Сушит. Возможно, на ней даже можно греть воду. Это консолидация функций, а значит — отказ от покупки дополнительного оборудования: электроплитки, водонагревателя, сушильного шкафа.
  • Ремонтопригодность и долговечность. Конструкция, лишенная сложной электроники, — это актив на десятилетия. В условиях санкционных ограничений на импорт сложной техники это не просто экономия, это стратегическая устойчивость микро-бизнеса.

И ведь речь не только о бизнесе! Дачник, который приезжает на выходные. Ему не нужно сутки топить массивную русскую печь, чтобы получить тепло. Он за несколько часов, с парой охапок дров, получает жар в доме и горячую еду. Его логистика топлива упрощается, его время — ценный ресурс — экономится.

Макроэкономический контекст: почему это важно именно сейчас?

Изобретение пермского умельца — это капля, но она попадает в самую точку гигантского запроса.

  1. Импортозамещение на бытовом уровне. Это не абстрактная программа, а конкретный продукт, который можно производить здесь и сейчас, на местных предприятиях, из местных материалов. Новые рабочие места в металлообработке, в сфере установки. Развитие малого производственного кластера вокруг, казалось бы, простой вещи.
  2. Децентрализация энергетики. Страна с огромными территориями, где централизованное теплоснабжение — роскошь. Такие решения усиливают энергетический суверенитет не только страны, но и каждого отдельного домохозяйства, каждой мастерской. Это снижение нагрузки на сети, повышение общей устойчивости.
  3. Рациональное использование ресурсов. Печь поощряет использование местного, часто возобновляемого топлива — дров, отходов деревообработки, торфобрикетов. Деньги за топливо остаются в регионе, а не утекают в нефтегазовые корпорации или зарубежных поставщиков угля.
  4. Ответ на кризис доступности. В условиях, когда цены на все виды энергии растут, такая печь становится социальным амортизатором. Она дает людям доступный, пусть и требующий физического труда, способ обогрева. Это вопрос уже не столько комфорта, сколько выживания для многих в сельской местности.

Диалог с реальностью: голоса из гаража

-3

Представьте разговор между соседями по дачному кооперативу.

– Слышал, Петрович, себе новую печь поставил? Говорит, с полчаса — и в доме уже тепло. И котлеты там же, в ней, жарит!
– Да что ты?! У меня эта буржуйка три часа пыхтит, пока жар пойдет. И все тепло в трубу улетает… Только металл зря калит.
– А у него, грит, какая-то перегородка хитро сделана. Подвижная. Как нужно — так и выставит. И дымоход внутри корпуса петляет — все тепло забирает.
– Надо посмотреть… Может, и мне такую? Зима-то впереди — страшно подумать, сколько на электричество уйдет, если морозы ударят.

Этот диалог — и есть лучшая презентация экономической модели изобретения. Снижение операционных расходов через повышение эффективности капитального актива.

Вызовы и перспективы: из гаража — на рынок

Но между патентом № 2767829 и массовой печью в каждом гараже — пропасть, которую предстоит заполнить. И здесь снова включается экономика.

  • Серийное производство. Сможет ли изобретатель или заинтересованное предприятие наладить не кустарное, а качественное серийное производство? Нужны инвестиции в оснастку, в маркетинг, в дилерскую сеть.
  • Сертификация и безопасность. Печь — объект повышенной пожарной опасности. Выход на рынок требует серьезных испытаний, сертификатов. Это затраты, но и конкурентное преимущество, знак качества.
  • Конкуренция с «дедовскими» методами. Самый сложный барьер — психологический. Нужно убедить рынок, что эта новая печь лучше, надежнее, выгоднее привычных буржуек и самоделок. Цена вопроса — доверие.

Однако потенциал колоссален. Это не просто товар. Это — готовое бизнес-решение для целого сегмента малого бизнеса и частных хозяйств. Это продукт, который продает не «железо», а тепло, экономию и независимость.

Заключение: Ренессанс смысла

Изобретение из Перми — это маленький, но яркий символ. Символ того, что инновации рождаются не только из желания создать нечто принципиально новое, но и из острой необходимости переосмыслить старое. В эпоху гипертехнологичного, но хрупкого мира, простая, надежная, многофункциональная и адаптивная печь становится актом экономической и даже философской мудрости.

Она напоминает нам, что эффективность — это не всегда про сложность. Что устойчивость системы часто зависит от ее способности адаптироваться к изменчивым условиям. И что порой самый умный ответ на вызовы глобальной экономики лежит в области грамотной инженерии, призванной решать конкретные, земные проблемы конкретных людей.

Печь. Всего лишь печь. Но в ее регулируемой перегородке — целая экономическая теория практической целесообразности. И, возможно, именно такой подход — гибкий, адаптивный, ресурсоэффективный — станет одним из краеугольных камней новой, более устойчивой экономической реальности. Реальности, которую куют не только финансисты и аналитики, но и изобретатели в пермских гаражах.

Если вы заинтересовались данной разработкой - ознакомиться подробнее со всеми техническими характеристиками изобретения вы можете здесь.

Спасибо за лайки и подписку на канал!

Поблагодарить автора можно через донат. Кнопка доната справа под статьей, в шапке канала или по ссылке. Конечно, это не обязательно, но всегда приятно и мотивирует на фоне падения доходов от монетизации в Дзене.

Печи
176,1 тыс интересуются